手机版

百科生活 投稿

截面矩量什么意思(截面的惯性矩、惯性积和惯性半径)

百科 2026-02-06 02:19:14 投稿 阅读:3449次

关于【截面矩量什么意思】:截面矩量什么意思,今天小编给您分享一下,如果对您有所帮助别忘了关注本站哦。

  • 内容导航:
  • 1、截面矩量什么意思
  • 2、截面的惯性矩、惯性积和惯性半径,傻傻分不清?土木工程白学了

1、截面矩量什么意思

静矩又称面积矩或静面矩。截面对某个轴的静矩等于截面内各微面积乘微面积至该轴的距离在整个截面上的积分。

静矩可能为正值,也可能为负值。它的量纲是长度的三次方。静矩的力学意义是,如果截面上作用有均匀分布载荷,其值以单位面积上的量表示,则载荷对于某个轴的合力矩就等于分布载荷乘以截面对该轴的静矩。静矩是求截面形心和计算截面内各点剪应力的必要数据。

轴惯性矩反映截面抗弯特性的一个量,简称惯性矩。截面对某个轴的轴惯性矩等于截面上各微面积乘微面积到轴的距离的平方在整个截面上的积分。轴惯性矩恒为正值,量纲为长度的四次方。构件的抗弯能力和轴惯性矩成正比。

2、截面的惯性矩、惯性积和惯性半径,傻傻分不清?土木工程白学了

【结构微课堂】第3讲 截面的几何性质

截面矩量什么意思(截面的惯性矩、惯性积和惯性半径)

还记得我们上一节讲了什么知识点么?我们一起来回顾一下,我们主要讲了结构静力学计算中影响线的四种基本应用:计算在位置确定的荷载作用下某量值大小;确定最不利荷载分布;确定移动荷载的最不利荷载位置;简支梁的内力包络图和绝对最大弯矩,如果还有不太明白的考友,自己回翻学习,详见2019年注册结构丨结构静力计算你不得不了解的影响线知识(Ⅱ)

本节,我们主要讲述截面的几何特性,包括截面的静距与形心、惯性矩、惯性积和惯性半径、平行移轴公式等。大学里没有好好学习的考友们,珍惜这次机会,一股脑把他学会,结构考试中不要丢这种低级的分数。

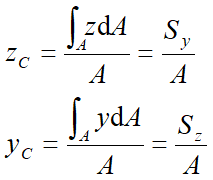
1截面的静距与形心

1.1 静矩

静矩的定义:平面图形的面积A与其形心到某一坐标轴的距离的乘积,又称为“面积矩”。

截面矩量什么意思(截面的惯性矩、惯性积和惯性半径)

1.2 静距的特点

  1. 平面图形的静矩是对某一坐标轴而言的,同一图形对不同坐标轴,其静矩也就不同;
  2. 静矩的数值可正、可负、也可等于零;
  3. 静矩的量纲是长度的三次方。

1.3 静距与形心的关系

由静矩的等效关系得到形心坐标:

截面矩量什么意思(截面的惯性矩、惯性积和惯性半径)

由静矩的等效关系得到形心坐标

截面矩量什么意思(截面的惯性矩、惯性积和惯性半径)

  • z、y轴通过形心C,则yc=zc=0,因此Sz=Sy=0。即:截面对其形心轴的静矩等于零。反之,若截面对某轴的静矩为零,则该轴必过其形心。
  • 对于有对称轴的截面,对称轴必然是形心轴。

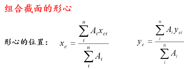
1.4 组合截面

如果截面的图形是由几个简单图形(如矩形、圆形等)组成的,这种截面称为组合截面。组合截面对某一轴的静矩应等于其各组成部分对该轴静矩的代数和。

截面矩量什么意思(截面的惯性矩、惯性积和惯性半径)

截面矩量什么意思(截面的惯性矩、惯性积和惯性半径)

2 惯性矩、惯性积和惯性半径

2.1 惯性矩

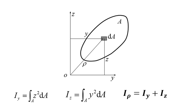
惯性矩是一个几何量,通常被用作描述截面抵抗弯曲的性质,也称为面积惯性矩。极惯性矩是截面对于任何一点的极惯性矩,等于该截面对以该点为原点的任意一组正交坐标系的截面二次轴矩之和。

截面矩量什么意思(截面的惯性矩、惯性积和惯性半径)

惯性矩公式

我们要注意以下四点:

  1. Iy、Iz图形对y轴和z轴的惯性矩;
  2. 惯性矩的量纲为[长度]4;
  3. 惯性矩的大小与图形面积、图形面积相对于坐标轴的分布有关;
  4. 面积离坐标轴越远,惯性矩越大。

2.2 惯性积

惯性积反映了刚体的质量分布相对于坐标轴(坐标平面)的对称度,对称性越好,惯性积越趋于0。

截面矩量什么意思(截面的惯性矩、惯性积和惯性半径)

惯性积公式

截面矩量什么意思(截面的惯性矩、惯性积和惯性半径)

组合截面

我们要注意以下三点:

  1. 可正,可负,也可为零;
  2. 惯性积的量纲是[长度]4;
  3. 组合截面对某一对坐标轴的惯性积,等于各组分图形对同一对坐标轴的惯性积的代数和。

2.3 惯性半径

惯性半径是指物体微分质量假设的集中点到转动轴间的距离,转动惯量除以总质量再开平方,又称 “回转半径”。

截面矩量什么意思(截面的惯性矩、惯性积和惯性半径)

惯性半径公式

截面回转半径反应了截面面积对坐标轴的聚集程度,面积分布离坐标轴越远,惯性矩大,其回转半径也越大,反之则小!在截面面积相等的情况下,回转半径大的截面其抗弯能力强。

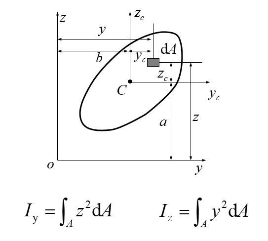
3 平行移轴公式

从刚体对于一支通过质心的直轴(质心轴)的转动惯量,计算出刚体对平行于质心轴的另外一支直轴的转动惯量。

对于平面图形,建立坐标系O-y-z和基于形心C的坐标系C-yc-zc。

截面矩量什么意思(截面的惯性矩、惯性积和惯性半径)

平行移轴公式

  1. 移轴公式中的两根平行轴中必须至少有一根轴过形心;
  2. 在所有平行的轴中,图形对过形心的轴的惯性矩最小。

截面矩量什么意思(截面的惯性矩、惯性积和惯性半径)

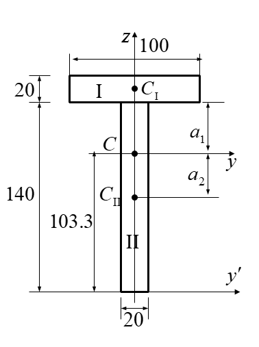
【随堂练习】 关注并私信获取答案

试求下图所示图形对形心轴的惯性矩和惯性积。

截面矩量什么意思(截面的惯性矩、惯性积和惯性半径)


关于截面的惯性矩、惯性积和惯性半径,聪明你都学会了么?关注我,我会一本正经的跟大家分享注考知识。距离注册结构工程师考试仅剩82天了,大家努力。若有疑问或不同观点,欢迎留言或私信交流。

截面矩量什么意思(截面的惯性矩、惯性积和惯性半径)

截面矩量什么意思(截面的惯性矩、惯性积和惯性半径)

------------END-TY------------

本文关键词:矩形截面当量直径,矩形截面的截面模量,截面的弯矩,截面矩是什么意思,截面模量和面积矩的关系。这就是关于《截面矩量什么意思(截面的惯性矩、惯性积和惯性半径)》的所有内容,希望对您能有所帮助!

本文链接:https://bk.89qw.com/a-200589

最近发表
网站分类