手机版

百科生活 投稿

苏泊尔电磁炉电路图,电磁炉各单元电路分析(电磁炉故障维修笔记)

百科 2026-02-16 10:04:01 投稿 阅读:7384次

关于【苏泊尔电磁炉电路图】:苏泊尔电磁炉电路图(电磁炉各单元电路分析),今天小编给您分享一下,如果对您有所帮助别忘了关注本站哦。

  • 内容导航:
  • 1、苏泊尔电磁炉电路图(电磁炉各单元电路分析)
  • 2、电磁炉故障维修笔记 苏泊尔电磁炉系列

1、苏泊尔电磁炉电路图(电磁炉各单元电路分析)

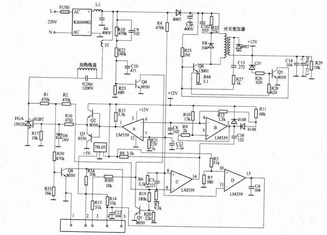
苏泊尔电磁炉电路图(电磁炉各单元电路分析)

继上一篇电磁炉单元电路分析后,大家都比较喜欢,现在发布后续。

反压保护电路:

IGBT的名字叫做绝缘栅双极晶体管,也叫功率管,可以看作是一个MOS管输入跟随一个双极型晶体管放大的复合结构。其耐压值可以达到1000多伏,我们平常用到的功率管一般是1200V。电磁炉工作在LC谐振状态下,当IGBT在关断时会在功率管的源极(也有叫集电极)产生很高的电压,为防止此电压击穿功率管,所以引入了反压保护。看图,当功率管的源极电压超过一定值时,经过电阻降压分压,使得电压比较器的4脚反相输入端高于5脚同相输入端,2脚输出端输出低电平,从而改变PWM的电压,缩小PWM的宽度,即降低功率,以达到保护IGBT的目的。电压比较器为LM339,它是由四个比较器组成,当同相输入大于反向输入时,输出高电平,当反相输入大于同相输入时,输出低电平。

此电路故障会引起电磁炉功率上不去或不加热等,一般检测几个分压电阻是否变值,比较器是否损坏。

同步振荡电路:

原理图中和红颜色画出的就是同步以及振荡电路,图中同步电路是通过高压电阻降压取样,取线盘两端谐振电压变化波形,一端是功率管的源极,通过R405、R406降压与R407、R408分压,送入比较器的9脚;另一端通过电阻R416降压与R402分压送入比较器的8脚;通过比较器的比较,输出端14脚产生一个与线盘两端电压变化同步的脉冲波形。根据14脚输出端脉冲变化,由电阻R412、R418及电容C403和二极管D400组成锯齿波产生回路。当14脚输出为高电平时,电容C403为放电状态,当输出为低电平时,18V通过R413对C403充电,这一充一放就形成了锯齿波送到比较器的10脚,另一端通过电阻R412送入MCU,形成锅质检测信号。

此电路出故障可引起电磁炉不加热和不检锅等。平常维修中,几个同步电阻开路的几率比较大,这几个电阻都是高压电阻,个头比较大,可以在线路板中轻易找到。另外比较器和振荡电路中的C403电容也是不加热故障的元凶之一。

脉冲调制电路:

图中画粗线的部分是脉冲调制电路,小红线框内是一个简单的RC积分电路,PWM是由MCU输出信号与比较器14脚经C403耦合的信号共同决定的,通过改变PWM的占空比,来改变电容C404上的直流电位,此直流电位的高低决定着功率管导通时间的长短,就是机器功率的大小由此决定。此电位越高,IGBT导通时间越长,功率越大,越低则机器功率越小。当比较器11脚大于10时,输出端输出高电平,送到驱动电路,从而驱动IGBT导通,反之则输出低电平,IGBT截止。

驱动放大电路:

驱动放大电路是由三极管组成的推挽放大电路。有此人问了什么是推挽?打个比方,两个人拿着锯子锯树,一方拉锯,另一方推锯,就叫推挽。言归正传,如图,B点为驱动信号输入,当输入高电平时,三极管Q301导通,Q300截止,使得D点电位为18V,通过电阻R301来驱动IGBT;而当输入为低电平时,三极管Q301截止,Q300导通,D点就是低电平,没有电压驱动功率管,自然就截止喽。

该电路易损是功率管和两个三极管,如遇爆管现象,重点检查三极管Q300,Q301及二极管D300。

风扇驱动电路:

这个就不用说了吧,三极管开关电路,MCU发出高电平信号,使三极管饱和导通,风扇形成回路,嗖嗖的转动起来。如风扇一直转或不转,可检查三极管。

IGBT温度检测电路、炉面温度检测电路:

5V电源通过热敏电阻与其它电阻串联分压后,取分压值送入MCU,根据此点电位变化,实现温度监测及保护。此电路也可造成不加热故障,一般表现为工作一段时间后不加热。此时可以更换热敏电阻试机。

2、电磁炉故障维修笔记 苏泊尔电磁炉系列

1 苏泊尔C21S202电磁炉

苏泊尔电磁炉电路图,电磁炉各单元电路分析(电磁炉故障维修笔记)

苏泊尔电磁炉电路图,电磁炉各单元电路分析(电磁炉故障维修笔记)

苏泊尔C21S202电磁炉电路

故障现象1:通电显示正常,放好锅开机,不能加热,显示“E1”,蜂鸣器鸣叫。

故障原因:C003(5uF/400V)电容变质。

分析与检修:因不知该机的故障代码,故只能按常规检查。打开机壳通电,用万用表测试5V、16V、IGBT管C极300Ⅴ电源,发现只有260V。断电拆下300Ⅴ滤波电容C003,发现底部有轻微的鼓包,更换后,故障消失。

温馨提示:C003及加热线盘并联的高频谐振电容,均属于高压无极性电解电容,因长期工作在高电压、高温状态,其内电解液会逐渐消耗、电解质绝缘性会逐渐下降,电容表现为失效、容量下降、漏电、耐压性能变差,有的外在表现为鼓包、漏液。对于电解电容耐压性变差,指针表测试其充放电往往仍正常,这是因为指针表内的电池一般为1.5~3V。所以检测这类电容,用观察法和数字表电容挡测量效果更好。

故障现象2:不通电。

故障原因:FSD200、R90(22欧/2W)烧崩,保险管熔断。

分析与检修:打开电磁炉,直观检查发现7个引脚U91的顶部烧崩,仅芯片、最大体积的R90烧崩掉一块。根据经验,电磁炉中的双列塑封7脚的U91型号多为FSD200的电源块,最大体积的电阻多是该电源块的供电限流电阻。虽然FSD很易损坏,但当地有时购买不到,工厂可能考虑到了这一点,在U91的附近预保留有一个双列8脚的IC块U92的位置,一般用于安装VIPer12A电源块。根据该机U91、U92两块所接其它器件和预备器件标号,确定电源电路与美的MC/TB一2005一Ⅴ1.00标准主板相同,并根据板中标注采用ⅤIPer12A电源块进行修复。方法如下:

在检查D90正常的情况下,更换损坏的R90。拆除三极管Q90及所接的R94、C94、U91电源块。在U92位置安装上VIPer12A电源块,在D94位置安装型号为IN4148的二极管、将ZD90(15Ⅴ)稳压管拆掉,安装上18Vlv稳压管,用导线将R97短路,经此改动后电磁炉通电正常工作。

2 苏泊尔C2102一B电磁炉

苏泊尔电磁炉电路图,电磁炉各单元电路分析(电磁炉故障维修笔记)

苏泊尔C2102-B电磁炉电路

故障现象:用户自述,接通电源时,听到机内“叭”响一声,电磁炉就无通电反应了,室内空气开关掉闸。

故障原因:IGBT管击穿,Q2(8050)、Q3(8550)漏电。

分析与检修:根据故障现象分析,应属于通电就将IGBT管击穿,原因是驱动电路或LM339组成功能电路有故障。打开电磁炉,用万用表电阻挡检查保险管、全桥正常,IGBT管3个极均击穿。继续检查驱动电路,发现Q2和Q3的E一C、C一B极间漏电电阻为200千欧,造成待机时18V电源通过Q2对IGBT管的G极提供很高的电压,IGBT管饱和导通,形成很大的电流,将IGBT管击穿。更换损坏的器件后,故障排除。

3 苏泊尔C16BS电磁炉

苏泊尔电磁炉电路图,电磁炉各单元电路分析(电磁炉故障维修笔记)

苏泊尔C16BS电磁炉电路

故障现象1:有时加热启动困难、有时加热时好时坏,有时挑锅。

故障原因:热熔胶漏电。

分析与检修:CPU接收到开机指令,由1脚输出检锅信号,由8脚接收检锅信号在主回路的脉冲反馈信息、4脚接收检锅信号在主回路的电流反馈。当8脚回收检锅信号且单位时间内的脉冲数量少,同时4脚电压值达到规定值时,判断主回路能量消耗大,认为电磁炉的负载:锅具已放置好,自动转入加热状态。此时由CPU1脚输出高电位,使Q571截止,对其它电路的工作无影响;同时由10脚输出与用户设定功率相对应的PWM功率控制脉冲,经R105、C543送IC3 LM339的5脚,与4脚主回路检测值配合,在2脚形成相应的PWM功率控制信号,控制IC3 LM339的11脚电压,与10脚的振荡锯齿波比较,控制内比较器导通/截止时间,在13脚形成相应宽度的加热脉冲,经后级电路驱动lGBT管、C004、加热线盘组成的主回路工作,电磁炉开始加热。

此电磁炉岀现的多种故障涉及的部位有:

(1)T002及次级组成的主回路电流检测电路。

(2)IC3 LM339的6、7、1脚组成的同步振荡锯齿波形成电路。

(3)IC2 LM339的10、11、13脚组成的PAN(平底锅)检锅电路。

打开电磁炉,用万用表测试T002次能电阻、D001、C008没发现异常。通电测5V等各电源正常,测IC3 LM339各脚电压正常。但测试中发现振荡电容C513、加热脉冲传输电容C601等附近有热熔胶。在电磁炉维修中遇到过热熔胶漏电引发故障,故去掉这两处的热熔胶后,通电开机,电磁炉所有故障均排除。

故障现象2:功率不稳定。

故障原因:C003(5uF/400V)变质。

分析与检修:220Ⅴ电源经保险管、全桥BD01、扼流圈L001、电容C003组成的L型滤波、输出300Ⅴ直流。加热线圈L、高频谐振电容C004、IGBT管组成的主回路,在IGBT管G极加热脉冲的驱动下,被激励振荡,产生高频大电流流过加热线圈,使放在加热线盘上面的铁锅加热。

该故障可能的原因有:

(1)C003损坏,300V输出纹波大。

(2)C004变质,它与加热线盘谐振形成的脉冲不稳定。

(3)IGBT管G极的加热脉冲宽度不稳定,这既涉及LM339组成的各功能电路,又涉及互感器T002及次级所接的功率整定电路,还涉及CPU工作条件中的晶体。

打开电磁炉,观察C003、C004无鼓包和漏液现象,用万用表测量T002次级、D001、C008、ⅤOL1没有发现异常。通电测CPU IC1的5脚为5V正常、LM339的3脚15V正常、IGBT管的C极电压仅为260V,测电源插座电压为215V,说明桥式整流输出有问题。

拔掉电源插头,拆下C003检查,用数字表电容挡测试容量明显偏低。更换C003后,再测300V电源为315v。放锅开机,故障排除。

故障现象3:开机,蜂鸣器每隔0.5s响3s。

故障原因:IGBT管温度传感器开路。

分析与检修:根据故障现象分析,是检测电路有故障。打开机壳,测试锅温传感器为80k欧,当时夏季温度较高,属于正常值。再测试IGBT管温度传感器,为无穷大。更换该温度传感器后,开机试验,电磁炉工作恢复正常。

故障现象4:一通电风扇就运转。

故障原因:三极管E一C极间击穿。

分析与检修:按电磁炉软件程序设置,待机状态下,当CPU检测IGBT管温度过高、用户输入开机指令时,就会由6脚输出5V左右高电平,经R412后,使Q402饱和导通,驱动风扇得电工作。

通电风扇就运转是Q402的E一C极间击穿或IGBT管温度采集电路有问题。拆下上盖,通电测试CPU的6脚电压,,为0V停转值。说明故障在风扇电机驱动电路,断电拆下Q402测试,E一C极间漏电,直接接通风扇电机回路,引起通电风扇就转。更换Q402后,故障排除。

4 苏泊尔C20电磁炉

苏泊尔电磁炉电路图,电磁炉各单元电路分析(电磁炉故障维修笔记)

故障现象1:通电显示正常,不放锅开机正常报警无锅,但放锅开机瞬间击穿IGBT管。

故障原因:LM339坏,0.24uF/1200V电容变质。

分析与检修:不放锅开机,IGBT管G极输入检锅脉冲,因检锅脉冲很窄且呈间歇性,在每个检锅脉冲周期里,IGBT管导通时间很短,接通加热线盘回路的时间很短,加热线盘存储的能量很少,在IGBT管截止期间,加热线盘存储的能量对0.24uF/1200Ⅴ充电至较低值时就释放完毕,其结果是主回路谐振脉冲幅度小,IGBT管的反峰电压(等于300V+高频谐振电容两端充电电压)较小,远远低于IGBT管的耐压值1200V。

放锅开机,IGBT管G极输入加热脉冲,其特点是脉冲呈现连续性且宽度宽,激励IGBT管导通时间长,激励线盘与高频谐振电容的谐振频率在15KHz~40kHz高频状态,谐脉冲幅度达到数百伏以上,IGBT管的反峰电压高,非常接近IGBT管的耐压值。

该故障可能发生的原因有:

(1)0.24uF/1200Ⅴ容量小。

(2)4uF/400V容量变小或漏电,使300V电源低且纹波大。

(3)R30变大、Q8损坏,引发IGBT管过压保护电路失控。

(4)R1、R2、R4阻值变大,使LM339的8、9、14脚同步控制电路失控。

开壳,观察加热线盘接线柱附近的4uF/400V电容、0.24uF/1200V两个电容无异常。用万用表检查驱动管Q2和Q3、加热线盘两侧的大电阻R1~R4、R30、Q8阻值没有损坏。通电测5V、12V、300V均正常,再测LM339的多个引脚电压偏高,怀疑是LM339损坏,更换LM339后再测各脚电压基本正常,IGBT管G极电压随检锅声在0.7V~0Ⅴ跳变。放锅开机后,开始加热,但噪声大,又将IGBT管击穿。拆下0.24uF/1200V测其容量变小。更换此电容后,故障排除。

故障现象2:不通电,用户自述,开机加热杂音大,几秒后突然自动断电。

故障原因:0.24uF/1200V电容变质。

分析与检修:电磁炉内发岀杂音的部位为电感性器件和工作在高电压状态的电解电容。具体包括:

(1)风扇电机轴承、扇叶损坏。

(2)开关变压器性能不良。

(3)加热线盘流经的电流过大。

(4)高频谐振电容0.24uF/1200V、300Ⅴ滤波电容4uF/1200Ⅴ、3.3uF/400V变质。

根据经验,风扇电机用于IGBT管的散热,如有问题,电磁炉加热几分钟后,IGBT管温度才逐渐上升到允许值的上限值110摄氏度,不会造成在开机几秒内击穿IGBT管;开关变压器性能不良,主要表现是磁芯位置不对,不影响开关电源输出电压值,不会造成IGBT管击穿;加热线盘流经的电流过大,原因是IGBT管漏电或G极热脉冲过宽,后者涉及众多器件。本着先易后难的原则,检查IGBT管和项目(4)中的3个电解电容,发现0.24uF/1200Ⅴ底部有轻微鼓包,这是损坏的外在表现。更换后,故障排除。

故障现象3:不通电。

故障原因:R25(1兆欧)开路。

分析与检修:220V电源经桥式整流滤波变换约300V,一路通过开关变压器送开关管Q6的C极,另一路通过R25对Q6的基极提供0.6V的导通电压,使Q6导通并与开关变压器、C13和R27正反馈器件配合,形成高频振荡脉冲,高频脉冲除反作用于Q6基极,使其电压表现为0.2Ⅴ或负压,还经开关变压器降压后由次级输出,由二极管、电容滤波变换为12Ⅴ,再由7805稳压为5V,由插头2脚启动主控板进入待机状态。

该故障可能发生的原因有:

(1)主控板问题。

(2)保险管熔断。

(3)开关管Q6、开关变压器及相关的开关电源器件损坏。

(4)5V稳压器异常。

打开电磁炉,直观检查没有发现明显异常器件。测保险管正常。通电测试插头的2脚5V、78L05的1脚12V不对,拔掉插头再测仍旧如此,说明故障在主板上的开关电源。测Q6的C极电压为315V正常,基极为0V,属于不具备振荡条件的值。又根据经验,开关电源不振荡,电磁炉中如300V电源不工作,其它电路均不工作,这样3.3uF/400V电容两端存储的300Ⅴ无处释放,在电磁炉断电后几分钟甚至更长时间保持。此种情况下,如果拆卸器件和万用表电阻测试器件,属于带电工作,是不允许的。为此,拔掉电源插头后,测试该电容两端电压并进行放电,当放电完毕后,检查R25、Q6,发现R25开路。更换后,电磁炉恢复正常工作。

5 苏泊尔C19S01一A电磁炉

苏泊尔电磁炉电路图,电磁炉各单元电路分析(电磁炉故障维修笔记)

故障现象:屡击穿IGBT管。

故障原因:0.27uF/1200V电容损坏。

分析与检修:此机原故障是不通电,经查为保险管熔断、IGBT管击穿,更换后,加热正常,长则使用1天,短则几分钟就会将IGBT管击穿。根据故障现象分析,此机属于IGBT管无规则击穿,可能是接触不良,也可能是主回路及300V供电滤波电容变质,引发IGBT管C极反峰脉冲不稳定。

打开电磁炉,直观检查主板上体积最大的电容,发现0.27uF/1200V电容鼓包,这是损坏的表现。更换该电容、IGBT管后故障排除。

本文关键词:苏泊尔和九阳电磁炉哪个好,电磁炉电路图,苏泊尔电磁炉价格表,苏泊尔电磁炉电路图,苏泊尔电磁炉哪款好。这就是关于《苏泊尔电磁炉电路图,电磁炉各单元电路分析(电磁炉故障维修笔记)》的所有内容,希望对您能有所帮助!

本文链接:https://bk.89qw.com/a-272391

最近发表
网站分类