手机版

百科生活 投稿

洗碗机价格表,洗碗机价格表大全(洗碗机电路的识图方法)

百科 2025-12-28 08:34:28 投稿 阅读:7679次

关于【洗碗机价格表】:洗碗机价格表 家用洗碗机好用吗,今天小编给您分享一下,如果对您有所帮助别忘了关注本站哦。

  • 内容导航:
  • 1、洗碗机价格表 家用洗碗机好用吗
  • 2、洗碗机电路的识图方法,一看就懂

1、洗碗机价格表 家用洗碗机好用吗

如今的生涯倡导的是一种便捷,迅速的节奏,不过对于每天洗碗的问题,好像是现在每个家庭存在的一个严重问题,那么该如何解决呢?其实较好的解决办法就是购置一台洗碗机,市面上的洗碗机,不管是种类还是品牌,都非常的多样,而且还成为现在的潮流家电,那么关于价钱方面,洗碗机价钱如何?

洗碗机价钱如何?洗碗机是每个家庭当中常见的一种家庭电器,洗碗机是用来主动清洗碗、筷、盘、碟、刀、叉等餐具的装备,免去了手工清洗的懊恼,只是价钱方面的问题,会依据品牌的不同,价钱也会有所转变,那么下面小编就率领大家去懂得一下。

  家用洗碗机好用吗

  无论是家用洗碗机还是商用洗碗机,都必需具备洗涤和消毒两个功效,大部分的家用洗碗机还具备烘干的功效,可见洗碗机的功效缺失很适用,可是家用洗碗机好用吗?这个问题答案是:好用。

  从应用成本方面来说:在将餐具放进洗碗机清洗之前,为了防止食物残渣堵塞洗碗机内的出口小孔,要用水冲掉餐具上的食物残渣,然后才放进洗碗机清洗,清洗进程须要应用专用的洗涤粉,而且碗所占领的空间较大,一次只能清洗少量的碗;若是将洗涤、消毒、烘干三个进程全体完成,须要消费大约两个小时时光,水和电的消费量都很大,若是人少的家庭应用很不划算,成本太高。

  从操作方面来说,家用洗碗机好用吗?家用洗碗机的操作非常简略,几乎一眼就能看出该如何操作,而且可以主动分层,还能预约洗涤的等功用,因此还是非常人性化的。

  洗碗机价钱表

  海尔洗碗机WQP6-V8,特设预约洗功效,自主控时,程序主动添加洗涤剂,主动分层洗,洗碗加消毒,干净又健康,价钱:2999元。

  海尔洗碗机WQP12-PFE2SS,分层洗涤功效,餐具较少时,可以将餐具全体放入上搁架洗涤,省水省电,价钱:6070元。

  美的家用洗碗机WQP6-3203A-CN,价钱:1550元。

  澳柯玛家用洗碗机WQP9-1双层喷射式全主动洗碗机,意大利原装进口,价钱:1180元。

  海尔独立式嵌入式家用洗碗机WQP6-V9消毒设计更合适中国,价钱:4600元。

  康绿宝贝尔莱德小型家用洗碗机,主动洗菜臭氧杀菌消毒防流感,价钱:378元。

  西门子洗碗机SF25M851TI,价钱:4458元。

  洗碗机好用还是不好用,重要是看个人。从网上的调查数据来看,大部分的人以为洗碗机是好用的。因为它不仅可以用来洗餐具,还可以清洗烹饪厨具。;另外,也节俭人力,清洗更加清洁,还能够烘干和消毒,减少细菌的滋长。

2、洗碗机电路的识图方法,一看就懂

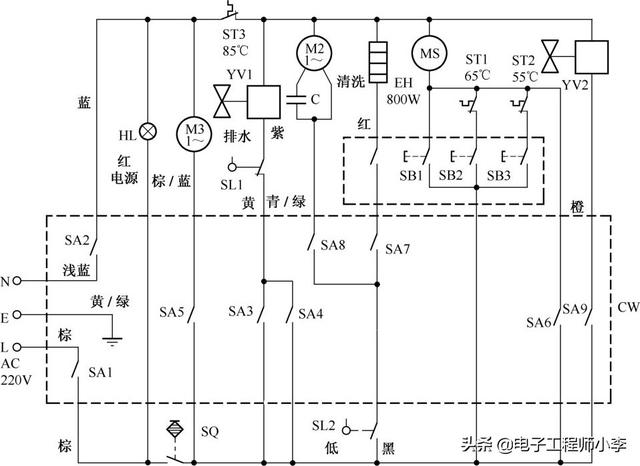
万宝WQP-900型全自动洗碗机电路

万宝 WQP-900 型全自动洗碗机电路由电动式程序控制器(简称程控器)、电源开关、水位开关、进水阀、排水泵、洗涤剂添加装置、指示灯等构成,如图4-39所示。

1.进水电路

进水控制电路的核心元器件是程控器、水位开关(传感器)、进水电磁阀、门开关、操作开关,辅助元器件是过热保护器ST3。

洗碗机价格表,洗碗机价格表大全(洗碗机电路的识图方法)

图4-39 万宝WQP-900型全自动洗碗机电路

插好电源和水源后,旋转程控器CW的旋钮使它置于“开”的位置,它的触点SA1、SA2接通,市电电压能够加到指示灯HL两端使它发光,表明该机已输入市电电压。

按规定加入适量的洗涤剂并关好机门,门开关 SQ 的触点受压闭合,接通供电线路。此时,市电电压通过SA6为同步电动机MS供电,MS开始运转,程控器内的机械部件开始运行,洗碗机按设定程序进入自动控制程序。随后,程控器的触点SA3、SA4接通,由于桶内无水,被高水位开关SL1、低水位开关SL2检测后,SL2的触点断开,而SL1的触点接通。SL1的触点接通后,为进水电磁阀YV1的线圈供电,使YV1的进水阀门打开,自来水通过YV1流入桶内,使桶内的水位逐渐升高。当水位到达需要值后,SL2的触点闭合,而SL1的触点断开,切断YV1的供电回路,使YV1关闭进水阀门,注水结束。

2.洗涤控制电路

洗涤控制电路的核心元器件是程控器、加热器、洗涤剂添加装置、清洗电动机、操作按钮SB1~SB3、电磁阀YV2。

注水结束后,SL2 的触点闭合,随着程控器的运行,它的触点 SA6 断开,同步电动机MS停转,进入待机状态。当按下普通洗SB2按钮后,MS的供电回路接通,使MS再次运转,致使触点SA7、SA9闭合。SA9闭合后,洗涤剂电磁阀YV2的线圈有供电,YV2打开阀门,向水内注入适量的洗涤剂,随后SA9断开,加注结束。触点SA7闭合后,加热器EH的供电回路接通,加热器开始加热桶内的水。当水温达到 55℃后,温控器 ST2 断开,切断MS的供电回路,程控器暂停,使触点SA7断开,切断加热器EH的供电回路,EH停止加热,同时接通触点SA8、SA5。SA8接通后,为清洗电动机M2供电,M2开始运转,使混有洗涤剂的热水沿空心轴进入喷臂,通过喷嘴开始喷水。喷臂在喷水的反作用力作用下开始旋转,水流从不同方位喷到餐具上,将它们表面上的污物冲落到水中;触点SA5接通后,为排水泵的电动机供电,打开排水泵的阀门,将污水排出。

随着排水的不断进行,水位逐渐下降,水位开关SL2的触点断开,切断加热器EH和清洗电动机M2的供电回路,使它们停止工作,同时ST2的触点再次接通,同步电动机MS再次运转,控制SA5断开,而使SA3、SA4再次接通,同时SL1的触点因水位下降到设置值而闭合,使进水电磁阀再次注水,使水位逐渐升高,最终使SL1断开,SL2的触点接通。SL2的触点接通后,M2会再次运转,对餐具进行再次冲洗,同时接通SA5进行排水。这样,经多次的冲洗后利用EH将餐具烘干,程控器控制相关触点断开,洗涤工作彻底结束,洗碗机再次进入待机状态。

3.过热保护电路

过热保护电路的核心元器件是过热保护器ST3。当程控器的触点短路导致加热器加热温度过高,如温度达到85℃后,ST3的触点断开,切断市电输入回路,加热器停止工作,实现过热保护。

澳柯玛WQP4-3型全自动洗碗机电路

澳柯玛WQP4-3型全自动洗碗机电路由程序控制器、电源开关、水位开关、进水阀、排水泵、洗涤剂添加装置、指示灯等构成,如图4-40所示。

洗碗机价格表,洗碗机价格表大全(洗碗机电路的识图方法)

图4-40 澳柯玛WQP4-3型全自动洗碗机电路

1.进水电路

进水控制电路由程序控制器(简称程控器)、低水位开关SL1、高水位开关SL2、进水阀(进水电磁阀)YV、门开关SQ、安全开关MK、温控器ST3等构成。水位开关也叫水位传感器。

接好电源和水源后,旋转程控器的旋钮使它置于“开”的位置,它的触点11c-a1、11c-a2接通,市电电压通过该触点为指示灯HL供电使其发光,表明该机已输入市电电压。

按规定加入适量的洗涤剂并关好机门,门开关 SQ、安全开关 MK 的触点闭合,接通供电线路。此时,市电电压通过3c-a为同步电动机M1供电,M1开始运转,程控器开始运行,自动进入控制程序。随后,程控器的触点5c-a接通,若桶内无水,被高水位开关SL2、低水位开关 SL1 检测后,SL2 的触点断开,而 SL1 的触点接通。SL1 的触点接通后,为进水阀YV的线圈供电,它产生的磁场控制YV的阀芯动作,打开阀门(进水口),自来水通过管路、YV的阀门注入桶内,使桶内的水位逐渐升高。当水位到达设置值后,SL1的触点断开、SL2的触点闭合,切断YV的供电回路,使YV的阀芯动作,关闭阀门,注水结束。

2.洗涤电路

洗涤控制电路由程序控制器、加热器EH、洗涤剂添加装置、清洗电动机M2、操作开关SB1~SB3、电磁阀YV2。

注水结束后,SL2 的触点闭合,随着程控器的运行,它的触点 3c-a 断开,同步电动机M1停转,进入待机状态。当按下普通洗SB2键后,接通M1的供电回路,使M1再次运转,致使触点1c-a、9c-b闭合,接通加热器EH和清洗电动机M2的供电回路。加热器EH获得供电后开始加热,使桶内的水温逐渐升高。当水温达到55℃后,温控器ST2的触点断开,切断M1的供电回路,程控器暂时停止运转,使触点1c-a断开,切断EH的供电回路,EH停止加热,同时清洗电动机M2开始运转,使混有洗涤剂的热水沿空心轴进入喷臂,通过喷嘴开始喷水。喷臂在喷水的反作用力作用下开始旋转,水流通过不同方位的喷到餐具上,将它们表面上的污物冲落到水中;触点7c-b接通后,为排水泵的电动机供电,打开排水泵的阀门,将污水排出。

随着排水的不断进行,水位开关SL2的触点断开,切断加热器EH和清洗电动机M2的供电回路,使它们停止工作,同时ST2的触点再次接通,同步电动机M1再次运转,控制7c-b断开,而使5c-a再次接通,同时SL1的触点因水位的下降而闭合,使进水电磁阀再次注水,使水位逐渐升高,最终使SL1断开,SL2接通。SL2接通后,M2会再次运转,对餐具进行再次冲洗,同时接通7c-b进行排水。这样,经多次的冲洗,再利用EH加热将餐具烘干后,程控器控制相关触点断开,洗涤工作彻底结束,洗碗机进入待机状态。

3.过热保护电路

过热保护电路由过热保护器(温控器)ST3构成。当程控器的触点短路导致加热器加热温度过高后,当温度达到85℃后,ST3的触点断开,切断市电输入回路,加热器停止工作,实现过热保护。

本文关键词:洗碗机均价,西门子家用洗碗机价格表,洗碗机价格表TXT,家庭用洗碗机多少钱一台,方太水槽洗碗机价格表。这就是关于《洗碗机价格表,洗碗机价格表大全(洗碗机电路的识图方法)》的所有内容,希望对您能有所帮助!

本文链接:https://bk.89qw.com/a-276147

最近发表
网站分类