手机版

百科生活 投稿

空气的介电常数,各种材料介电常数(空调自控系统中常用器件)

百科 2026-02-12 12:05:30 投稿 阅读:9007次

关于【空气的介电常数】:空气的介电常数(各种材料介电常数),今天小编给您分享一下,如果对您有所帮助别忘了关注本站哦。

  • 内容导航:
  • 1、空调自控系统中常用器件
  • 2、空气的介电常数(各种材料介电常数)

1、空调自控系统中常用器件

传感器的定义:传感器是将被测非电量(物理量)信号转换为一个与之有对应关系的输出信号的器件或装置。

传感器的作用:传感器主要应用在自动测试与自动控制领域中。它将诸入压力、温度、流量、位移等参数转换为电量,然后,通过电的方法进行测量和控制。

空气的介电常数,各种材料介电常数(空调自控系统中常用器件)

热电阻传感器:

热电阻传感器的定义:

物资的电阻率随温度变化而变化的物理现象称为热电阻效应。利用电阻随温度变化而变化的特性(即热电阻效应)制成的传感器称为热电阻传感器。

热电阻传感器的作用:热电阻传感器主要用于检测温度和与温度有关的参量。

热电阻传感器的分类:

①金属热电阻;通常称为热电阻;

②半导体热电阻;通常称为热敏电阻;

空气的介电常数,各种材料介电常数(空调自控系统中常用器件)

空调系统中常用的温度传感器:

1、温度传感器的种类:

⑴金属材料制成的热电阻温度传感器;

⑵金属氧化物半导体材料制成的热敏电阻式温度传感器;

⑶由半导体PN结制成的半导体热敏电阻温度传感器;

2、几种温度传感器的特性:

①热电阻温度传感器是根据金属导体的电阻值随温度变化而变化的原理测温的;温度升高电阻值增大,称为正温度系数( PTC )热电阻。

②金属氧化物半导体材料制成的热敏电阻其温度特性为:温度升高,电阻值减小,通常被称为负温度系数(NTC)热敏电阻。

③半导体PN结制成的半导体热敏电阻是根据PN结正向压降随温度变化的原理工作的。也是负温度系数(NTC)热敏电阻。

3、空调系统中常用传感器的外形与结构:

⑴热电阻传感器;

⑵金属氧化物半导体热敏电阻传感器;

⑶半导体PN结热敏电阻传感器;

空气的介电常数,各种材料介电常数(空调自控系统中常用器件)

4、金属热电阻温度传感器的测温原理:

热电阻是热电阻温度计的测温元件,它是利用金属导体电阻值随温度变化而变化的特性来实现温度测量的。

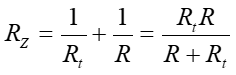
⑴金属导体电阻值与温度的关系为:

空气的介电常数,各种材料介电常数(空调自控系统中常用器件)

式中:Rt-温度为t℃时电阻值;

R0-温度为t0(通常为0℃)时电阻值;

a-温度系数,即温度每升高1℃时的电阻相对变化量;

Δt-温度变化量;

ΔRt-温度改变Δt时的电阻变化量。

⑵热电阻温度传感器的特点:

①结构简单、工作可靠、电阻温度特性好、测温灵敏度高、精度高、测温范围较广(-200℃~+650℃)。

②阻值-温度(R-t)特性:温度每升高1℃,热电阻的阻值升高约0.4%~0.6%。即电阻温度系数较小。

③正温度系数热敏电阻;

④阻值与温度不是线性变化,但在一定的范围内可进似为常数。

⑶热电阻的主要技术数据

①分度号:热电阻的分度号是以热电阻在0℃时的电阻值来标记的,以便与相应的调节器配套使用。

空气的介电常数,各种材料介电常数(空调自控系统中常用器件)

②阻值-温度(Rt-t)特性

例:铂电阻在-200℃~0℃范围内:

空气的介电常数,各种材料介电常数(空调自控系统中常用器件)

温度在0℃~850℃范围内时:

空气的介电常数,各种材料介电常数(空调自控系统中常用器件)

③热电阻的时间常数τ:

时间常数一般在10S~4min之内;

a)大热惯性:τ在1.5min~4min之内;

b)一般热惯性:τ在10S~1.5min之内;

c)小热惯性:τ在10S之内。

⑷热电阻式温度传感器的特性参数:

空气的介电常数,各种材料介电常数(空调自控系统中常用器件)

5、热电阻传感器的应用

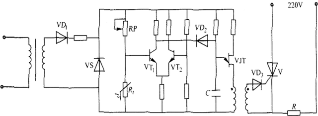
⑴加热温度控制电路

空气的介电常数,各种材料介电常数(空调自控系统中常用器件)

6、金属氧化物半导体热敏电阻

⑴金属氧化物半导体热敏电阻是利用半导体材料的电阻率随温度变化而变化的性质制成的温度敏感元件。

⑵金属氧化物半导体热敏电阻通常用铁、镍、钛、镁、铜等金属 氧化物按一定的比例混合经高温烧结而成。通过改变其中氧化物的成分和比例,可以得到不同测温范围、阻值和温度系数的NTC热敏电阻。

⑶金属氧化物半导体热敏电阻的特性

①电阻值与温度的关系(Rt-t)如下:

式中:RT、RT0- 温度为T、T0(K)时的温度值;

B-温度系数,大约为1500~5000K;

②B 参数:通常是指温度在25℃(T1)和50℃(T2)的B值:

空气的介电常数,各种材料介电常数(空调自控系统中常用器件)

式中:B-常数;

R1-在温度为T1(K)时的电阻值;

R2-在温度为T2(K)时的电阻值;

T1、T2-温度。

⑷金属氧化物半导体热敏电阻的特点:

①结构简单、灵敏度高、热响应时间短(小于1S)、稳定性好、寿命长、体积小。

②阻值-温度(R-t)特性:温度每升高1℃,热电阻的阻值升高较大。即电阻温度系数较大,是铂电阻的4~9倍。

③是负温度系数(NTC)热敏电阻;

④阻值与温度为非线性变化关系,互换性较差;通常在使用是都进行线性化处理。

⑸热敏电阻的线性化处理:

①采用并联电阻的方式,进行简易的线性化处理。

空气的介电常数,各种材料介电常数(空调自控系统中常用器件)

①以t1为中心确定并联电阻的阻值;

②灵敏度降低。

空气的介电常数,各种材料介电常数(空调自控系统中常用器件)

⑹金属氧化物半导体热敏电阻的种类与外形:

①种类:金属封装;玻璃封装;塑料封装;环氧树脂封装;

②外形图:

空气的介电常数,各种材料介电常数(空调自控系统中常用器件)

③温度-电阻特性曲线;

空气的介电常数,各种材料介电常数(空调自控系统中常用器件)

例:采用金属氧化物半导体热敏电阻的温控电路

空气的介电常数,各种材料介电常数(空调自控系统中常用器件)

7、半导体PN结温度传感器

⑴定义:半导体PN结温度传感器是利用半导体PN结两端电压随温度变化而变化的原理工作的。

⑵种类:

①二极管温度传感器;

②晶体管温度传感器;

③集成温度传感器。

空气的介电常数,各种材料介电常数(空调自控系统中常用器件)

⑶二极管PN结热敏电阻工作原理

①根据固体物理中有关PN的研究,可得出下面的公式:

空气的介电常数,各种材料介电常数(空调自控系统中常用器件)

式中:q-是电子的电荷量;

T-是绝对温度,单位为K;

k-是一个常数;

Is-是一个与外加电压无关的系数,称为反向饱和电流。

当PN结制成后,它基本上是一个只与温度有关的系数。

8、晶体三极管温度传感器

⑴NPN晶体管电压UBE与温度的理论依据

NPN晶体管在集电极电流IC恒定时,基极和发射

极间的电压UBE随环境温度变化而变化。

空气的介电常数,各种材料介电常数(空调自控系统中常用器件)

⑶硅晶体管UBE与温度关系曲线

空气的介电常数,各种材料介电常数(空调自控系统中常用器件)

温度系数为-2.4mV∕℃;

测温范围-50℃~200℃。

⑶晶体管温度传感器的特点

①结构简单、灵敏度高、热响应时间短(小于1S)、精度高、寿命长、体积小。

②阻值-温度(R-t)特性好。

③是负温度系数(NTC)热敏电阻;

④阻值与温度为线性变化关系,稳定性和互换性好。

9、集成温度传感器

集成温度传感器是将温度传感器与放大电路,偏置电源及线性化集成电路等采用集成化技术制作在同一芯片上,从而极大地提高了传感器的各项性能。

①测温精度高;②复现性好;③线性好,体积小;

④热容量小;⑤稳定性好;⑥输出电信号大。

空气的介电常数,各种材料介电常数(空调自控系统中常用器件)

温度变送器的特性及其传递函数:

变送器的定义:将传感器输出的信号变换为标准电压或电流的器件称为变送器。

空气的介电常数,各种材料介电常数(空调自控系统中常用器件)

变送器的特性:

⑴变送器作用及特点

①把传感器输入的非电量:(电量)信号转换为标准的电量信号(电压:0~10V DC、电流:4~20mA DC等);

②对输入信号进行线性化放大与处理;

③变送器通常由电子线路组成,因此电子线路本身的时间常数、滞后都比较小;与传感器相比较通常可以忽约。

⑵变送器的数学表达式:

空气的介电常数,各种材料介电常数(空调自控系统中常用器件)

式中:BZ-变送器输出的标准信号;

θz-传感器测量信号(传感器输出信号);

KB-变送器的放大系数(静态特性)。

⑶变送器的传递函数:

空气的介电常数,各种材料介电常数(空调自控系统中常用器件)

温度变送器:

温度变送器的定义:将温度变送器输出信号变换为标准电压或电流的器件称为温度变送器;

⑵温度变送器工作原理及方框图:

空气的介电常数,各种材料介电常数(空调自控系统中常用器件)

湿度传感器与变送器:

湿空气的状态参数:

在空气调节技术中,常用的状态参数是压力、温度、

含湿量、相对湿度、比焓及密度;

1、压力:湿空气是由干空气和水蒸气组成的混合气体,其总压力P应等于干空气的分压力Pg与水蒸气的分压力Pq之和即: P=Pg+Pq

蒸气分压力的大小,反映了湿空气中水蒸气含量的多少。湿空气的温度越高,空气中饱和水蒸气分压力也就越大,说明空气能容纳的水气数量越多。

水蒸气分压力是衡量湿空气干燥与潮湿的基本指标,是一个重要的参数。

2、温度:是表示湿空气冷热程度的指标;

3、含湿量(d):是指1kg干空气所带有的水蒸气质

量,其单位是g∕kg(干空气)。它是表示湿空气湿度大小的重要参数之一。

在空气调节中,常用含湿量来表示空气被加湿或减

湿的程度。

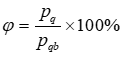
4、相对湿度(φ):是指空气中水蒸气分压力Pq与同温度下饱和水蒸气分压力Pqb之比;它表示空气接近饱和的程度:

空气的介电常数,各种材料介电常数(空调自控系统中常用器件)

绝对湿度给出的是空间内水分的具体含量;

而相对湿度则指出了大气的潮湿程度。

对湿度传感器的技术要求:

⑴使用寿命长,长期工作的稳定性好;

⑵测量范围宽,湿度和温度系数小;

⑶灵敏度高、感湿特性线性度好;

⑷湿滞回差小;

⑸响应速度快,时间短;

⑹一致性和互换性好,制造工艺简单,易于批量生产,转换电路简单,成本低廉;

⑺能在恶劣环境下工作;

湿度传感器的主要参数:

⑴感湿特性曲线:感湿特性曲线是指湿度传感器的输出量与被测环境湿度间的关系曲线;

⑵测湿量程:测湿量程是指湿敏传感器能以规定的精度测量的最大范围;

⑶灵敏度:常用感湿特性曲线的斜率来定义灵敏度,即灵敏度是输出量增量与输入量增量之比;

空气的介电常数,各种材料介电常数(空调自控系统中常用器件)

⑷湿度温度系数:湿度传感器的特性往往随环境温度的变化而变化,即在不同的环境温度下有不同的感湿特性曲线。

⑸响应时间:当环境湿度改变时,湿度传感器完成吸湿或脱湿以及动态平衡过程所需要的时间,称为响应时间;

⑹湿滞回线和湿滞回差:

空气的介电常数,各种材料介电常数(空调自控系统中常用器件)

空调系统中常用湿度传感器的种类:

①毛发湿度传感器(变送器);

②氯化锂湿度传感器;

③半导体陶瓷湿度传感器;

⑤电容式湿度传感器;

空气的介电常数,各种材料介电常数(空调自控系统中常用器件)

常用湿度传感器的结构与外形图:

空气的介电常数,各种材料介电常数(空调自控系统中常用器件)

氯化锂湿度传感器的工作原理:

氯化锂(LiCl)是一种在大气中不分解、不挥发,也不变质而具有稳定的离子型无机盐类。它具有吸湿、放湿的特性,其吸湿量与空气相对湿度成一定的函数关系。随着空气相对湿度的变化,氯化锂吸湿量也随着变化。只有当它的蒸气压等于周围空气的水蒸气分压力时,才处于平衡状态。因此,随着空气相对湿度的增加,氯化锂的吸湿量也随着增加,从而使氯化锂中导电离子数增加,最后导致它的电阻减少。当氯化锂的蒸气压高于空气中水蒸气分压力时,氯化锂放出水分,导致电阻增大。

氯化锂湿度传感器的性能参数与特点:

①测量范围较宽15%~95%RH;

②测量精度±2%~5%RH;

③温度对测量精度影响较大;

④最高使用温度≤55℃;

⑤传感器必须使用交变电压;

⑥使用环境应保持清洁、无粉尘,纤维;

⑦稳定性不太高,会出现测量漂移;

氯化锂湿度传感器的应用:

①电路原理方框图:

空气的介电常数,各种材料介电常数(空调自控系统中常用器件)

半导体陶瓷湿敏电阻(烧结型):

⑴半导体陶瓷湿敏电阻的特点:

①使用寿命长,可在恶劣环境下工作;

②可检测到1%RH低湿状态;

③响应快、测量精度高;

④使用范围宽,以及湿滞回差小;

⑥使用过程中需经常进行电加热清洗;

⑵半导体陶瓷湿敏电阻的结构:

空气的介电常数,各种材料介电常数(空调自控系统中常用器件)

1-二氧化钛与氧化铬镁复合型感湿陶瓷;2-陶瓷基片;3-镀镁丝引线;4-金短路环;5-镍烙丝加热清洗线圈;6-金电极;

电容湿度传感器与变送器:

空气的介电常数,各种材料介电常数(空调自控系统中常用器件)

电容湿度传感器工作原理:

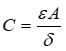
根据电容器电容量的关系:

空气的介电常数,各种材料介电常数(空调自控系统中常用器件)

式中:C-电容量;

ε-极板间介质的介电时间常数(F∕m);

A-两平行极板间的相互覆盖的有效面积(m2);

δ-两平行极板间的距离(m);

电容量C直接受到ε、 A、δ的影响。

电容湿度传感器是利用当湿度变化时,改变极间介质的介电常数,通过电容量的测量来测量相对湿度的。极间介质选择具有吸湿,放湿特性的极薄的聚合物薄膜,电极采用金箔制成,要求薄到能允许水蒸气通过。由于聚合物薄膜的吸、放湿特性,使其含水量随着空气相对湿度变化而变化。水的介电常数与空气的介电常数相差很大,所以,当水分子被聚合物吸收后,将使平板电容器电容量产生很大的变化,这就是电容湿度传感器的工作原理。

⑶电容湿度传感器的性能与特点

①温度稳定性好;

②需要的动作能量低;

③动态响应快;

④可获得较大的相对变化量;

⑤结构简单,可在恶劣环境下工作;

⑷电容湿敏传感器特性曲线

主要技术参数:

①输出电压0~10V;

②测量湿度范围0%~95%RH;

③环境温度范围:0~55℃;

④测量精度:±3%~±5%;

空气的介电常数,各种材料介电常数(空调自控系统中常用器件)

空调自控系统中常用的调节器:

基本概念:

1、调节器 (又称控制器)的作用:

调节器的作用是将传感器(或变送器)送来的被控参数的检测值与工艺给定值相比较后产生的偏差,按照选用的控制规律(P、I、D及其组合)进行运算,发出统一标准的控制信号,从而对执行器(或电动阀)进行有序地控制,以实现生产过程中温度、湿度、压差、流量及其它工艺参数的自动控制。

2、控制器的控制规律:所谓控制器的控制规律是指控制器输出信号与输入信号之间随时间变化的规律。

3、控制器的基本控制规律有:比例(P)控制、积分(I)控制、微分(D)控制;由这些控制规律可组成P、PI、PID等几种常用的控制器;

例:采用数字直接控制的空气处理系统示意图

空气的介电常数,各种材料介电常数(空调自控系统中常用器件)

电动(电子)调节器:

1、调节器的基本功能:

①给定值、比较值的设定;

②参数的指示与显示;

③对输入的偏差信号进行判别与运算及操作;

2、几种电子调节器的外形:

空气的介电常数,各种材料介电常数(空调自控系统中常用器件)

常用调节器的类型:

1、XTMA-1000系列智能数显调节仪简介

⑴内部控制方框图

空气的介电常数,各种材料介电常数(空调自控系统中常用器件)

⑵主要控制功能

可进行温度或湿度控制;

即可进行单机独立控制,也可组成网络控制;

控制器可对输出信号是非线性传感器的进行线性化处理;

调节器具有较理想的控制特性,它采用不完全的的微分PID离散控制算法;

具有抗积分饱和功能及正、反作用选择;

PID自整定、程序、三位输入、报警等;

数据的断电保存;

抗干扰能力强;

⑶主要技术指标:

㈠输入形式:

1、热电偶:S、B、K、E、T(表示温度范围);

2、热电阻:Pt100、Cu50;

3、线性输入:0~5V DC、1~5V DC、0~10mA、4~20mA;

㈡精度:

1、测量精度:±0.3%FS±1dig(位);

2、分辨率:14bit;

3、采样周期:0.5S;

4、输入阻抗:热电偶,mV输入1 M Ω;直流电流输入:250 Ω;

㈢输出形式:(仅提供选择一种方式)

1、连续电流:0~10mA DC、4~20mA DC;

2、二位PID:控制周期1~200S,继电器触点输出;

3、三位PID:死区:( 0~10.0 )%可调;

继电器动作范围:( 0.1~10 )%可调;

继电器动作周期1~200S;

阀位反馈信号:0~10mA DC 或 4~20mA DC;

㈣PID参数范围:

1、比例带PB%:(0.1~400.0)%

PB% =0 时为开-关控制);

2、积分时间Ti:1~9999S;

3、积分时间TD:0~9999S(TD =0时微分作用切除);

三位PID “死区”的含义:

空气的介电常数,各种材料介电常数(空调自控系统中常用器件)

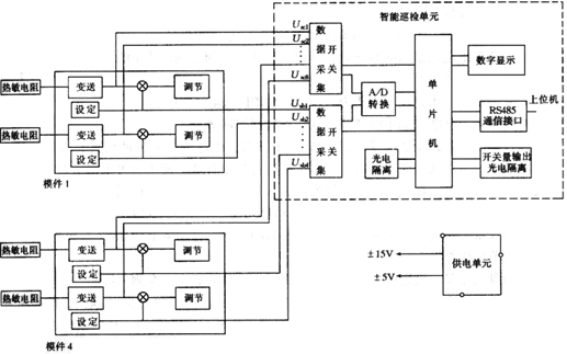
模(件)块式温、湿度调节仪:

⑴调节仪的主要特点:

①巡测和调节功能:

可实现8路温度、湿度参数和8路设定值的巡测功能,8路参数的自动控制以及上、下限报警功能。

②通讯功能:通过网络控制器,RS485接口和控制主机(系统机),可实现空调自控系统的图形显示,温、湿度数据记录等功能。

③计算功能:根据被测点的温、湿度参数可计算其焓值含湿量,还可计算并显示出露点温度和湿球温度。

④特殊功能控制:智能显示单元有4个开关量输入和输出,可实现报警,远方启动、停止或根据新回风焓差,调节新回风比例,实现节能控制。

⑵调节仪的组成方框图及工作原理

空气的介电常数,各种材料介电常数(空调自控系统中常用器件)

⑶功能模块实现的功能

①温、湿度变送功能:

②调节功能:

a) 两路单继电器输出的断续调节;

b) 双继电器输出(调节方式为三位或三位PI的温度调节);

③特殊调节功能:如串级调节、双分程选择控制;

分程控制的基本概念:

由一台控制器(调节器)的输出信号去控制两个或两个以上的调节阀工作,而且每一个调节阀上的控制信号只是控制器整个输出信号的某一段,通常将这种控制方式称为分程控制。

分程控制的工作原理:用分程器将0~10VDC输入信号分为两个行程:输入0~5V信号电压转换为0~10V的反相输出信号,去控制加热(加湿)器。

分程控制的工作原理曲线:

空气的介电常数,各种材料介电常数(空调自控系统中常用器件)

分程差选的优点:

在全年多季节环境中空调系统都能可靠的运行;

可以有效避免冷热抵消,即节约了能源又能获得较高的控制精度; 能自动的完成不同季节的工况转换;能够较好的处理与协调加热、冷却、加湿三者的工作方式;

空气的介电常数,各种材料介电常数(空调自控系统中常用器件)

空调房间精密恒温恒湿自动控制系统原理图:

空气的介电常数,各种材料介电常数(空调自控系统中常用器件)

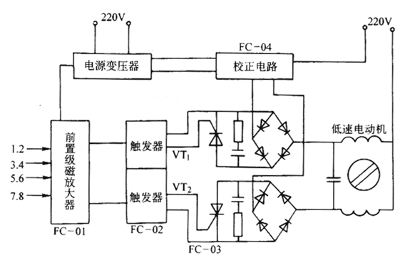
变频调速器:

空气的介电常数,各种材料介电常数(空调自控系统中常用器件)

电动机的变频调速原理:

⑴鼠笼式交流异步电动机调速方法与特点:

①调压调速-采用可控硅进行调压调速;

②变级调速-采取改变电动机的级数改变电机转速;

③采用调压器调速(也属于调压调速);

④变频调速-改变电动机输入电压的频率来改变电动机的转速;

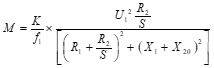
⑵交流电动机电磁转矩公式:

空气的介电常数,各种材料介电常数(空调自控系统中常用器件)

⑶异步交流电动机机械特性曲线:

空气的介电常数,各种材料介电常数(空调自控系统中常用器件)

电动阀门定位器:

1、电动阀门定位器的定义:

电动阀定位器又称电子转换器,它将调节器输出的连续控制信号,对执行电动机的输出轴位置进行控制,使阀门位置与控制信号成比例关系,使阀位按输入的信号实现正确的定位。

2、电动阀门定位器工作原理图

空气的介电常数,各种材料介电常数(空调自控系统中常用器件)

阀门定位器的用途:

电动阀门定位器是电动调节阀的附件,它与相对应的执行器配套组成闭环系统。可以改善阀的特性,利用阀杆位移反馈来提高阀门定位的精度和灵敏度,它能输出较大功率的信号压力,克服阀杆的摩擦力和消除调节阀不平衡力的影响,从而保证阀门位置按控制器输出的操纵信号实现正确的定位。

阀门定位器的应用场合:

⑴用于执行器高精度定位及工作可靠、要求高的控制场合;

⑵用于阀门前后压差较大的场合;

⑶用于大口径阀门或执行器与控制器相距较远的场合;

⑷用于高压介质的调节,克服较大不平衡力与阀杆摩擦力;

⑸用于高压或低温介质控制阀的场合;

⑹用于流体介质中含有固体颗粒、悬浮物或粘性较大场合;

⑺用于改善阀门流量特性;

⑻用于分程控制用一个控制器控制两个以上的执行器的场合;

空调自控系统中常用的执行器:

1、执行器的作用:

执行器在自动控制系统中的作用就是接受控制器送

来的控制信号,改变被调介质的流量(蒸气量、冷水

量、风量、电压量),从而使生产过程的被调参数维

持在生产工艺与生产要求的范围内。

2、空调系统中常用执行器的类型:

⑴气动执行器;⑵电动执行器;⑶液动执行器;

⑷电动碟阀;⑸电磁阀;⑹电加热器;⑺风门;

3、部分执行器的外形图

⑴气动执行器;⑵电动执行器;⑶液动执行器;⑷电动碟阀。

空气的介电常数,各种材料介电常数(空调自控系统中常用器件)

4、常用执行器(电动阀)结构图

空气的介电常数,各种材料介电常数(空调自控系统中常用器件)

调节阀特性应用与选择:

调节阀的固有流量特性有线性、等百分比、快开及抛物线等几种。

①快开特性的调节阀基本上作为两位式控制用;

②抛物线特性的控制阀用于作为三通阀。

③调节阀的固有流量特性的选择主要是选用线性特性还是选用等百分比特性。

一般情况下,由于等百分比特性的调节阀能适应负荷变化范围较大的场合,因此在工程上常常优先考虑选用。

调节阀的使用温度范围及压力等级一般在铭牌和产品技术性能指标中有明确标注。

气动执行器:

⑴气动执行器是以压缩空气为能源的执行器(气动执行器);

⑵特点:结构简单、动作可靠、性能稳定、故障率低、价格便宜、维修方便、防爆、容易做成大功率。

⑶结构示意图与动作原理

①气动执行器由两部分组成:

a) 执行结构; b) 调节结构;

②动作原理:压力P低时,阀门开大;压力P高时,阀门关小;压力变化使阀杆上下移动。

⑸气动执行调节阀的动态特性分析:

空气的介电常数,各种材料介电常数(空调自控系统中常用器件)

空调自控系统中常用的电动调节阀:

电动调节阀(电动执行器)

1、电动调节阀的作用:

电动调节阀在接受电动、电子式调节器输出的调节信号,开、关或调节输送管道内流动介质的流量,以达到自动调节被控参数的目的。

2、电动调节阀由电动执行机构和调节机构两部分组成;

空气的介电常数,各种材料介电常数(空调自控系统中常用器件)

3、电动调节阀的调节结构:

⑴可逆电动机;

⑵减速装置;

⑶推力机构;

⑷机械限位组件;

⑸弹性联轴器;

⑹位置反馈等部件;

4、电动调节阀执行机构:

调节阀的执行机构形式:

①、二通直通阀;②、三通调节阀;

空气的介电常数,各种材料介电常数(空调自控系统中常用器件)

①直通双座调节阀的特点:

流体作用在上、下阀杆的推力大小相等、反向相反,因此阀芯所受的不平衡力很小,因此允许应用在阀前、阀后压差较大的场合。但由于上下阀芯不易同时关闭,故泄漏量较大,阀体流路复杂,不适用于高粘度和含纤维介质的场合。

空气的介电常数,各种材料介电常数(空调自控系统中常用器件)

②直通单座调节阀的特点:

它具有泄漏量小,易于关断、不平衡力大的特点;

适用于泄漏量要求高、压差较小的场合。

空气的介电常数,各种材料介电常数(空调自控系统中常用器件)

③三通调节阀的特点:

当阀芯移动时,通过改变阀芯与阀座之间所形成的窗口流通面积而使流量变化,不论是合流型还是风流型,若一路流量增加,另一路流量必然减小。

一般要求两股流体的温差小于150℃。

空气的介电常数,各种材料介电常数(空调自控系统中常用器件)

⑶二通电磁阀与三通电磁阀外形

空气的介电常数,各种材料介电常数(空调自控系统中常用器件)

二通电动阀与三通电动阀外形图:

空气的介电常数,各种材料介电常数(空调自控系统中常用器件)

①电动执行机构的调节形式:

角行程调节方式:角行程的电动执行机构在空气调节系统中广泛应用;

直行程调节方式:在电动调节阀中,通常使用直行程的电动调节机构;

空气的介电常数,各种材料介电常数(空调自控系统中常用器件)

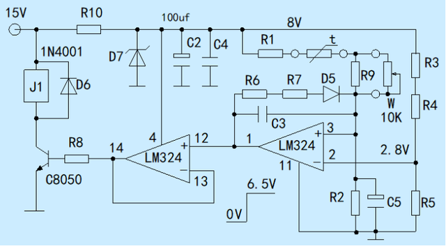
电动执行器控制电路原理图:

空气的介电常数,各种材料介电常数(空调自控系统中常用器件)

本文来源于互联网,暖通南社整理编辑。

2、空气的介电常数(各种材料介电常数)

空气体的介电常数(各种材料的介电常数)

如今,微波炉已经成为大多数家庭必不可少的厨房用具。使用方便快捷。无论是想加热食物,还是暂时需要一杯温水,只要放入微波炉中“叮”一下,很快就能如愿以偿。更何况打扫起来也不需要太多麻烦,简直就是懒人的福音!

微波炉简单易用,你不用看说明书就知道怎么操作。但是如果我想问你,“微波炉是怎么加热食物的?它能做什么,不能做什么?为什么有些东西不能用微波炉加热?”很多人说不出原因。

今天,我们来谈谈微波炉中的科学。

微波炉里的猫与薛定谔无关。

微波炉是怎么发明的?

爱迪生的团队希望制造一种可以用电照明的灯,让人们摆脱对油灯的依赖。经过多次挫折和反复试错,他们终于发明了一种可靠的电灯。在许多产品被创造出来之前,发明者就有明确的目标,并朝着目标反复探索和实验。但是微波炉不是这样的。它是在制造雷达的过程中无意中发现的,然后发明的。

没想到,雷达竟然是微波炉的鼻祖!

著名的雷神公司在二战中生产雷达。这种大型无线电天线可以向外发射电波,同时接收反射的电波束。通过计算反射波的时间间隔和角度,可以判断敌机的距离和方位。雷达是当时的先进武器,其关键部件“磁控管”就是用来产生电磁波的。一天,雷神公司的工程师珀西·斯宾塞在测试一个新的磁控管时,意外地发现他口袋里的糖果棒融化了。他怀疑是磁控管发出的电磁波引起的,于是拿了一个生鸡蛋做实验。当斯潘塞将磁控管射向鸡蛋时,鸡蛋很快因内部热量而爆炸。然后斯潘塞用磁控管加热玉米粒,他很快得到了一堆爆米花。

这是雷神发射雷达波的磁控管,微波炉的原理和它差不多。

得知斯潘塞的发现后,雷神很快注册了“雷达技术烹饪”的发明专利,并很快制造出台带磁控管的烹饪机。他们把这台新机器命名为“雷达范围”,意思是“小范围雷达”(这是纯科学部门诞生的名字)。后来营销专家认为“微波”这个词更时髦(就像今天各种“量子”“纳米”满天飞一样)。他们将新机器命名为“微波炉”,后来又改成了“微波”,这就是微波炉的起源。

最早的微波炉广告,一个漂亮的家庭主妇是必不可少的。

为什么微波可以加热?

微波通常是指波长为0.1毫米~ 1米的电磁波,其频率范围为300兆赫~ 3000千兆赫,在这个频率范围内光量子的能量约为1.99× 10 J ~ 1.99× 10 J,微波光子的能量不够高,不会引起电离反应,但可以像红外线一样加热物体。

微波光谱

微波的物理特性通常表现在三个方面:穿透、反射和吸收(部分吸收):对于玻璃、陶瓷等一些非极性物体,微波会直接通过,很少与其中的原子发生相互作用;对于有大量自由电子的金属物体,微波像可见光一样容易被反射;而且水很容易吸收微波并产生热量。

一个物体是否容易被微波加热,与它自身的介电常数有关。介电常数越大,越容易被加热。相反,如果介电常数小于2.8,则称为非极性物质,不易受微波影响。空气体的介电常数为1.000585,几乎不受微波影响。玻璃的相对介电常数约为5 ~ 10;而水则达到81.5,因为水分子表现出很强的极性。

由于其极性,水分子形成氢键。

水的强极性是由水分子结构决定的。我们知道水分子是由一个氧原子和两个氢原子组成的。这两个氢原子和氧原子不在同一轴上,两个氢氧原子键之间有104° 28′的夹角。氢带正电荷,氧带负电荷,所以水分子对外界是极性的。

水分子的极性

当微波通过水时,极性较强的水分子会随着微波高频电磁场的快速变化而不断改变方向,从而将微波场的场能量转化为水分子的热能,导致水的温度迅速升高。食物中的水分含量越高,越容易被微波加热。

微波炉不能加热金属,但会在金属锋利的表面形成驻波,产生强烈的放电,可能引起火灾。所以你不要在微波炉里放金属物品,不管是盘子还是刀叉。

微波可以在金属叉尖形成驻波。

微波炉为什么杀不了蚂蚁?

一些好人做过实验。他们抓了几只蚂蚁放在微波炉里折磨它们。然而,蚂蚁爬进去,根本不把致命的微波当回事。同样的情况也发生在蟑螂身上。这到底是为什么?蚂蚁对微波“免疫”吗?

这需要从微波炉的结构入手。

我们知道微波炉里有一个磁控管,可以产生微波束。磁控管产生的微波通过金属管传输到微波炉外壳的上部,在那里有一个扇形部件。这个“风扇”用来反射微波。它利用微波接触金属时会被反射的特性,将微波束射向盒子内部的四壁,使其在炉内不断来回反射,直到碰到食物时被吸收。

微波在金属盒中多次反射,最后聚集在食物上。

因为微波的强方向性,微波炉里总有照射不到的地方,蚂蚁也在不停地寻找微波炉里的空缝隙。当然,蚂蚁的身体很小,相比之下,它的身体表面积很大,可以更快地散热。此外,它含有较少的水,这也是它容易生存的原因之一。如果你拿胶带把它固定在微波炉中间,它会死的。

蚂蚁可以在微波炉里闪来闪去救命,说明微波炉有死胡同。

微波炉可以杀菌,但不能杀菌。

如果用微波炉加热湿毛巾消毒,是可以做到的,因为大多数常见的细菌都经不起高温,而微波可以破坏细菌中的蛋白质和氨基酸。

然而,研究结果表明,微波对细菌产生的毒素没有影响,微波不能用于消毒。

约旦大学的科研团队将黄曲霉毒素污染的鸡饲料放入微波炉,以2450MHz和1.45kW的高频输出,100%功率加热2、4、8、10分钟。检测结果表明,微波只去除了22%~32%的黄曲霉酶,效果非常不理想。原因是,一方面,杀灭病毒需要200℃以上的温度,而且不留死角,这是微波炉做不到的。

微波炉去除黄曲霉毒素的效果不理想。不适合消毒。

微波会致癌?

一般来说,微波炉非常安全。

我们前面介绍过,微波是一种非电离辐射的电磁波,它的能量比较低,所以只能加热物质,而不能电离原子外层的电子。微波主要用于通信,因为它具有信息丰富和方向性。目前世界上很多国家也发展了一些非致命性的微波武器,主要是利用微波加热的原理来驱赶敌人。

新的高功率微波武器可以用来驱赶人群和“击落”无人机。

微波炉里的微波理论上不会漏出来。这是因为微波炉的电磁波频率被限制在2450MHz的标准。从波长λ=c/f,我们可以计算出微波炉中微波的波长为122 mm,微波炉箱体周围的金属板上的孔也只有2 mm左右,微波很难漏出,人站在附近是安全的。

微波加热的食物会产生致癌物吗?

我们前面介绍过,微波主要是通过振动食物中的水分子来加热食物,所以不会破坏食物中的有益成分。

如果肉类过热,可能会产生过量的杂环芳香胺(HCAs)和多环芳烃(PAHs),它们被认为具有更大的致癌风险。如果你在烧烤的时候把肉烧焦了,我建议你不要再吃了,因为烧焦的肉中含有较多的六六六和多环芳烃。但是微波炉加热的食物很难达到这么高的温度,所以一般用微波炉加热食物是安全的。你不用担心。

微波食物没有烧烤好吃,但不容易致癌。

本文关键词:玻璃的介电常数和 空气的介电常数,云母介质和空气的介电常数,云母的介电常数和空气的介电常数,空气的介电常数是多少,空气的介电常数和磁导率。这就是关于《空气的介电常数,各种材料介电常数(空调自控系统中常用器件)》的所有内容,希望对您能有所帮助!

本文链接:https://bk.89qw.com/a-302391

最近发表
网站分类