手机版

百科生活 投稿

【电热毯原理】电热毯的工作原理,电热毯什么工作原理(热卖产品工作原理)

百科 2026-02-12 19:49:20 投稿 阅读:6094次

关于【【电热毯原理】电热毯的工作原理】:【电热毯原理】电热毯的工作原理,今天小编给您分享一下,如果对您有所帮助别忘了关注本站哦。

  • 内容导航:
  • 1、热卖产品工作原理:电热毯控温电路图
  • 2、【电热毯原理】电热毯的工作原理

1、热卖产品工作原理:电热毯控温电路图

图文来源|部分转自电子发烧友

根据天猫国际官方数据显示,在刚刚过去的2020年尾巴的寒潮影响下,带有除螨、智能控温功能的进口可水洗电热毯销量迅猛增加。我们今天为大家分享一款电热毯温控电路图。

目前,很多电热毯的温度控制都采用手动开关,它是由一个快热档和一个慢热档进行控温的,这样电热毯内部温度较难控制在某一恒定的温度下工作,给使用者带来不少的麻烦。

在此向大家介绍一种电热毯自动控制电路,它能在预定的温度下工作,还能起到停电自锁、过电压保护的作用。

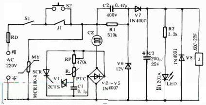
电路原理介绍

电路工作原理见图所示:它主要由停电自锁电路、过电压保护电路、自动恒温控制电路组成。

【电热毯原理】电热毯的工作原理,电热毯什么工作原理(热卖产品工作原理)

当按钮开关S2按下,220V交流电经电容C2降压、V6和V7稳压整流、C3滤波后供继电器J使用,这时J通电吸合,常开触点J1接通,使得电路自锁。

这时,即使按钮开关S2松开,也能维持向电热毯及继电器J供电。

当电热毯在使用过程中遇到电网停电,则继电器J断电释放,常开触电J1断开,故电热毯不工作。

电网恢复供电时不能使继电器和电热毯自动接通电源,只能再次按动s2,继电器J吸合,电热毯才会重新通电工作。

Rt是一种正温度系数热敏电阻,其内部阻值大小随所感受的温度高低而变化,即温度高时内部阻值增大,反之亦然。

由整流二极管V2~V5、单向可控硅SCR、双向触发二极管V1、正温度系数热敏电阻Rt、电容C1、电位器RP组成电热毯恒温控制电路。

其控制过程是:交流电经V2~V5桥式整流后变为直流电,经RP、Rt向C1充电,当C1两端上的电压达到一定值,使双向触发二极管击穿导通而处于放电状态。

此时,单向可控硅被触发导通,使电热毯通电工作。在电热毯内部温度上升到一定值时,其热敏电阻Rt内部阻值很大,而降落在C1上的电压较小,不能使V1击穿,则SCR关断,相应电热毯断电不工作,此时电热毯处于降温状态。

当电热毯温度降到某一值时,又重复以上的控制过程,这样不断周而复始,使电热毯温度保持在某一恒定值。

倘若电网出现过电压时,压敏电阻MY内部被短路(即处于导通状态),并快速熔断保险丝RD,从而起到过电压自动保护作用。

元器件选择

SCR选用小型塑封单向可控硅MCR100-8型。

Rt为正温度系数热敏电阻PTC,其阻值大小可在实验中确定。

V6选用稳压值12V,额定功率1W的稳压二极管。

C2的容量可在0.47~1uF(耐压630V)范围内选用。MY选用压敏电压470V~480V的压敏电阻。

J选用额定工作电压12V、绕组电阻400Ω、额定电流30mA的JZC-22F超小型电磁继电器。

其它元件参数按图1选取。

2、【电热毯原理】电热毯的工作原理

您对电热毯原理感兴趣吗?如果您对这个内容感兴趣的话,就让我们一起来研究一下好了。相信今天的内容应该不会让您感到失望的,希望您喜欢今天的介绍。

[电热毯原理]

电热毯的工作原理是通过C1降低220伏交流电压。R1,被D1纠正。D2,经C2滤波,DW稳定后,集成电路获得约9V电压。当电源在室温下打开时,由于V2调节电热丝通电加热,温度逐渐升高。随着温度的升高,穿透电流Iceo和V2。热传感器BG1的V6增加。当v2 >:当Vz,V6≥Vf,IC翻转,③引脚变为低电位,邮局热线后BCR停止加热,温度开始逐渐降低,BG1和V2的Ieo也是如此。

[购买电热毯的提示]

1.看logo,这是购买电热毯的前提,也是使用电热毯的安全保障。电热毯必须是经有关部门或单位检验合格的产品,必须有合格证和“三C认证”。

2.看动力按需使用,既节能又有益健康。电热毯的威力不是越大越好。根据人数来决定。单人不要超过60W,双人不要超过120W。

3、用手,知道质量。质量好的电热毯手感顺滑柔软,面料无漏针。内部电热丝应排列整齐、整齐,不得交叉重叠和打结。

4.看外观。电源控制器应完整、光滑、无缺陷、使用灵活、开关标记清晰,所用电源线应为双层皮线。

5.选择智能节能模式。选择一个可以自动控制的,省电省事,安全可靠。

6.选举前测试。床垫通电时不应有沙沙声;几分钟后,手触摸电热毯感受热量。

[使用电热毯的注意事项]

1.电热毯不应与人体直接接触。在上面放一条毯子或床单。不能折叠使用,否则容易烧坏电热丝的绝缘表面,造成火灾事故。

2.电热毯不能用于金属物体或有尖锐突起的坚硬物体。

3.电热毯不用的时候一定要切断电源,以防意外。

4.避免在同一位置重复折叠,防止电热丝因折叠而断裂,引起火灾。如果由于长期使用而出现“不热”的情况,应送厂家维修。

5.通电时间不应过长。一般睡前要加热,入睡时关掉。无论如何,都不要隔夜使用。

6.经常使用电热毯的人要适当增加饮水量。

[什么牌子的电热毯好]

梦洁电热毯:石家庄梦洁实业有限公司是一家专业生产电热毯的企业。随着企业的不断发展,已成为河北省电热毯行业的龙头企业。

彩虹电热毯:主要产品有彩虹电热毯、烘鞋机、取暖器、彩虹电蚊香片、液体蚊香、杀虫剂、蚊香、涤纶短纤维、针刺无纺布等。公司主导产品“彩虹”牌电热毯年生产能力1000万床,“彩虹”牌电动蚊香片已达2000万盒。是中国电热毯行业和卫生杀虫产品行业的龙头骨干企业。

分析完以上知识,希望你能从今天的知识中找到对自己有价值的东西。然后,希望你对今天介绍的关于电热毯原理的内容满意。

本文关键词:电热毯什么工作原理,电热毯基本原理,电热毯的制热原理,电热毯的工作原理图,电热毯原理是什么。这就是关于《【电热毯原理】电热毯的工作原理,电热毯什么工作原理(热卖产品工作原理)》的所有内容,希望对您能有所帮助!

本文链接:https://bk.89qw.com/a-334502

最近发表
网站分类