手机版

百科生活 投稿

热水器开着费电吗,热水器长期开着费电吗(电热水器24小时开着)

百科 2026-02-16 19:01:54 投稿 阅读:7829次

关于【热水器开着费电吗】:热水器长期开着费电吗,今天涌涌小编给您分享一下,如果对您有所帮助别忘了关注本站哦。

  • 内容导航:
  • 1、热水器开着费电吗:热水器长期开着费电吗
  • 2、电热水器24小时开着,耗电量大吗?

1、热水器开着费电吗:热水器长期开着费电吗

  1、因为热水器耗电很厉害,运行时每小时的功率一般在896到3000瓦之间,需要耗费的电量在0.896到3度之间。

  2、假如一直让它运行,机器为了确保水温,它就会来回的加热,耗电量就更多了。

  3、即使是处于保温状态,功率也需要保持在1000瓦左右,则每小时就需要耗费一度电。

2、电热水器24小时开着,耗电量大吗?

估计很多朋友都是和我一样,家里的热水器24小时都是通电的使用吧,因为平时反复断电的话确实会不太方便,每次通电之后还要等待很长时间才有热水,慢慢的也就习惯了,热水器24小时都通电使用。其实我们也都知道,热水器如果24小时都开着的话会很费电,但对比之后才发现每年真的在电费上都花了好几百元。要想知道电热水器不用时开着耗不耗电,我们需要先了解电热水器加热水的工作过程。下面我根据自己维修过的几款热水器,来聊聊电热水器的工作过程。

热水器开着费电吗,热水器长期开着费电吗(电热水器24小时开着)

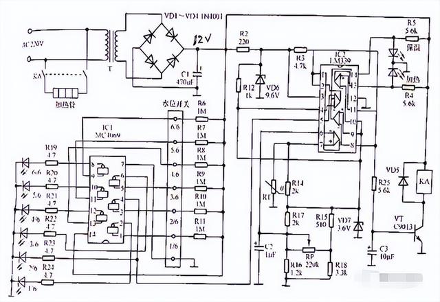
热水器已经发展了三代了,下面我来说一下热水器的加热过程,我们从热水器加热原理图可以看出,热水器的电加热管是由继电器常开触点控制的,当上电后加热冷水时,由于刚开始水温较低,那么负温度系数的热敏电阻RT阻值很大,它会承担较大的电压,然后通过电压比较器LM339,会使控制三极管导通和截止的第八脚输出高电平,这时控制继电器KA的三极管VT就导通了,这时继电器线圈得电后会使继电器KA的常开触点吸合,这样就接通了加热管的供电回路,电加热管就开始加热储水罐内的凉水了,其原理图如下图所示。

热水器开着费电吗,热水器长期开着费电吗(电热水器24小时开着)

当热水器内的储水罐里的水随着加热管的不断加热,水温会逐渐升高。当水温达到我们设定的温度后,温度传感器热敏电阻RT的阻值就会减小,此时它分担的电压就会降低,就会使电压比较器LM339的第一脚输出了低电平,这时会使驱动继电器KA的三极管截止,线圈失电后,继电器的常开触点就分断复位了,这样加热管就停止了加热。随着保温时间的延长,水的温度会逐渐下降,当温度降到一定值后,温度传感器热敏电阻RT的阻值就会增大,又会使加热电路再次进入加热状态。这样不断地重复以上过程就可以得到热水了。

热水器开着费电吗,热水器长期开着费电吗(电热水器24小时开着)

因此对于具有60升容量的热水器来说,它2100W的功率要维持热水的一定温度,必须会使电热管维持在一定频率加热状态上才行,这就需要消耗一定的电量。因此电热水器一天24小时开着的话还是比较耗电的,对于电脑式控制的热水器也是这种过程。因此我建议不用时可以把插头拔掉,想用时提前插上就可以了,再或者安装一个具有开关功能的插座也是可以的。降低热水器耗电量的方法:在使用前30分钟通电加热。从上面的对比当中我们也可以看出,只在用前30分钟通电加热的话,能够节省很多耗电量,而且这样算下来一年就能够省下好几百元的电费了,可以说是一种最节省的使用方法了。

热水器开着费电吗,热水器长期开着费电吗(电热水器24小时开着)

定期清理热水器。热水器所使用的都是家里的自来水,而很多朋友家里并不会安装净水器,所以自来水加热水器内部反复加热的时候就会产生大量的水垢,而时间长了这些水垢也会影响到热水器的耗电量。

本文关键词:热水器长期开着费电吗?海尔热水器洗澡时需要关电源吗?,热水器一直开着费电么,热水器一直开着会费电吗,热水器长期开着费电吗?,热水器长年开着是否费电。这就是关于《热水器开着费电吗,热水器长期开着费电吗(电热水器24小时开着)》的所有内容,希望对您能有所帮助!

本文链接:https://bk.89qw.com/a-416557

最近发表
网站分类