手机版

百科生活 投稿

485通讯线用什么线,485传输用什么线(吃透这几个485布线注意点)

百科 2026-04-11 12:06:09 投稿 阅读:5665次

关于【485通讯线用什么线】:485通讯线用什么线,今天小编给您分享一下,如果对您有所帮助别忘了关注本站哦。

  • 内容导航:
  • 1、485通讯线用什么线
  • 2、RS485布线经验总结!吃透这几个485布线注意点,接485就简单多了

1、485通讯线用什么线

  可以采用国际上通行的屏蔽双绞线。建议用屏蔽双绞线的型号为RVSP2*0.5(二芯屏蔽双绞线,每芯由16股的0.2mm的导线组成)。采用屏蔽双绞线有助于减少和消除两根485通信线之间产生的分布电容以及来自于通讯线周围产生的共模干扰。

2、RS485布线经验总结!吃透这几个485布线注意点,接485就简单多了

RS485总线由于其成本低廉,设计简单而得到了广泛的应用,大量用于安防监控,智能交通,智能楼宇,机房监控,工业自动化等各个领域。RS485总线敷设线路比较简单,但是有一些相应的事项必须注意,否则会容易导致通信失败,后期维护工作非常浩大。以下小编整理出来的485布线规范所需要注意的地方:

485通讯线用什么线,485传输用什么线(吃透这几个485布线注意点)

RS485布线注意:

1、线材问题

485总线布线使用的线材必须要使用屏蔽双绞线,线径最好在0.75或者1.0线径的,很多人在施工的时候为了图方便,直接使用网线作为485线使用,网线具有八根线,而485线只需要使用两根线或者四根线,其他线浪费了,而且现在的网线的线径相对都比较细,并不能完全满足485总线通信需求,建议不要使用网线。

485通讯线用什么线,485传输用什么线(吃透这几个485布线注意点)

还有不能使用平行线,同轴电缆或者不带屏蔽层的双绞线,由于485是差分平衡传输,使用双绞线可以有效地抵消外部干扰对其的影响,485线路一定不能使用平行线,同样的道理,由于屏蔽层具有屏蔽外部干扰的作用,最好要使用带屏蔽层的双绞线。

2、布线问题

485总线的走线要尽量远离干扰源,在施工过程中,有很多人为了省事,将485线路与电源线路一起走线,这样是不合理的,电源线会产生干扰,导致485通信不稳定,还有就是485布线必须远离类似于变压器,变频器等强电压干扰源。

485通讯线用什么线,485传输用什么线(吃透这几个485布线注意点)

3、总线拓扑问题

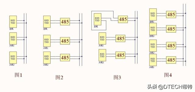
由于现场环境复杂,485设备分布一般都比较散乱,施工人员为图方便,没有按照485规范将线路布设成手牵手菊花链总线式拓扑结构,而是随意布设成星型,树型甚至多种拓扑结构混合型的,留出太多太长的分支。

在实际应用中,单纯的星型,树型拓扑结构甚至混合拓扑结构有的时候也是可以使用的,但是通信肯定会不稳定,如果一定要布设星型,树型拓扑结构的话,建议使用485集线器和485中继器,相关的应用可以参考485总线拓扑结构问题页面。

485通讯线用什么线,485传输用什么线(吃透这几个485布线注意点)

4、接地问题

在485总线布线规范里面,强调需要单点可靠接地,但是在实际施工中,485总线接地有时反而会起到反作用。由于485布线需要手牵手菊花链方式连接,使用的屏蔽双绞线肯定都会被剪断连接在485设备上,而一般大多都会利用外面的屏蔽层作为地线,如果没有将屏蔽层做良好的连接的话,接地反而可能会导致485信号不稳定,所以485线路接地必须是单点可靠接地。

485通讯线用什么线,485传输用什么线(吃透这几个485布线注意点)

严格几个RS485布线规范:

485+和485-条数据线一定要互为双绞。

布线一定要布多股屏蔽双绞线,多股是为了备用,屏蔽是为了出现特殊情况时调试,双绞是因为485通讯采用差模通讯原理,双绞的抗干扰性最好。不采用双绞线,是极端错误的。

485总线一定要是手牵手式的总线结构,坚决杜绝星型连接和分叉连接。

设备供电的交流电及机箱一定要真实接地,而且接地良好。

485通讯线用什么线,485传输用什么线(吃透这几个485布线注意点)

有很多地方表面上有三角插座,其实根本没有接地,要小心。接地良好时,可以确保设备被雷击浪涌冲击静电累计时可以配合设备的防雷设计较好地释放能量。保护485总线设备和相关芯片不受伤害。

避免和强电走在一起,以免强电对其干扰。

推荐几个RS485总线调试方法:

首先要确保设备接线正确,且严格合乎规范。

共地法:用1条线或者屏蔽线将所有485设备的GND地连接起来,这样可以避免所有设备之间存在影响通讯的电势差。

终端电阻法:在最后一台485设备的485+和485-上并接120欧姆的终端电阻来改善通讯质量。

中间分段断开

法:通过从中间断开来检查是否是设备负载过多通讯距离过长某台设备损害对整个通讯线路的影响等原因。

485通讯线用什么线,485传输用什么线(吃透这几个485布线注意点)

单独拉线法:单独简易暂时拉一条线到设备,这样可以用来排除是否是布线引起了通讯故障。

更换转换器法:随身携带几个转换器,这样可以排除是否是转换器质量问题影响了通讯质量。

笔记本调试法:先保证自己随身携带的电脑笔记本是通讯正常的设备,替换客户电脑,来进行通讯,如果可以,则表明客户的电脑的串口有可能被损害或者受伤。

(来源:网络)

本文关键词:485通讯线用什么线头,485通讯线是什么线,485通讯线用什么线好,485传输用什么线,485通讯线用什么线代替。这就是关于《485通讯线用什么线,485传输用什么线(吃透这几个485布线注意点)》的所有内容,希望对您能有所帮助!

本文链接:https://bk.89qw.com/a-422497

最近发表
网站分类