手机版

百科生活 投稿

开关带插座的线怎么接,带开关插座怎么接线(带插座开关接线图实物图)

百科 2026-02-08 06:18:38 投稿 阅读:1593次

关于【开关带插座的线怎么接】:带开关插座怎么接线,今天小编给您分享一下,如果对您有所帮助别忘了关注本站哦。

  • 内容导航:
  • 1、开关带插座的线怎么接:带开关插座怎么接线
  • 2、电工必备|开关 单控开关 带插座开关接线图实物图 非常值得收藏

1、开关带插座的线怎么接:带开关插座怎么接线

  带开关插座的接线方法:左零右火上接地,面对插座面板的正面,三孔或者是五孔插座的左面那个插孔接的是零线即淡蓝色电线,右边的插孔接的是火线,即黄色,绿色,红色中的一种颜色的电线,三孔插座的上面那个孔接的是地线即黄绿双色的电线。

  开关插座是安装在墙壁上使用的电器开关与插座,是用来接通和断开电路使用的家用电器,有时可以为了美观而使其还有装饰的功能。

2、电工必备|开关 单控开关 带插座开关接线图实物图 非常值得收藏

一开5孔插座接线图

开关带插座的线怎么接,带开关插座怎么接线(带插座开关接线图实物图)

一开5孔插座接线分为两种

开关带插座的线怎么接,带开关插座怎么接线(带插座开关接线图实物图)

1、开关不控制插座,而是接照明——

开关带插座的线怎么接,带开关插座怎么接线(带插座开关接线图实物图)

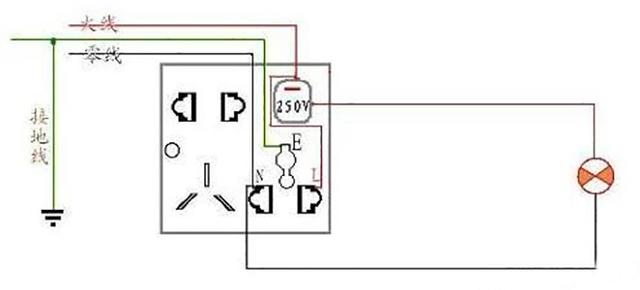
2、开关不接照明,而是控制插座——

开关带插座的线怎么接,带开关插座怎么接线(带插座开关接线图实物图)

电源火线接开关进线和插座火(L)线(也就是说开关进线和插座火线进线并联接电源火线),开关出线接照明,再接插座零线(N),电源零、地线接插座零(N)、地(E)线。L代表相线“火线”,N代表零线!插座上那样接就行了!至于你的开关上,因该是L,L1,L2 那样的3个表示,那是双联开关,主要用于2个开关同时控制一个灯用的!接开关的时候你把相线“火线”接到L点上,用电器线“开关到用电器的线”或许你用开关控制插座呢,呵呵 哪个线随便你接L1,L2任何一个位置都行,只不过接在不一样的2个点上(L1,L2),那样开关的方向就刚好相反!

三联开关接线图

开关带插座的线怎么接,带开关插座怎么接线(带插座开关接线图实物图)

两个开关一个两相插座一个三相插座,应该怎么接线?

开关带插座的线怎么接,带开关插座怎么接线(带插座开关接线图实物图)

双联开关接线图

开关带插座的线怎么接,带开关插座怎么接线(带插座开关接线图实物图)

开关带插座的线怎么接,带开关插座怎么接线(带插座开关接线图实物图)

开关带插座的线怎么接,带开关插座怎么接线(带插座开关接线图实物图)

开关带插座的线怎么接,带开关插座怎么接线(带插座开关接线图实物图)

开关接线图

开关带插座的线怎么接,带开关插座怎么接线(带插座开关接线图实物图)

浴霸开关接线图

开关带插座的线怎么接,带开关插座怎么接线(带插座开关接线图实物图)

开关带插座的线怎么接,带开关插座怎么接线(带插座开关接线图实物图)

开关带插座的线怎么接,带开关插座怎么接线(带插座开关接线图实物图)

三相插座的3个脚有一个是接地的,就接L N 上面有标志的,剩下的一个是接地脚.

\进线接0(火线),出线接1(火线),\这线应是红色的。零线是蓝色的。地线(黄绿线)。插座左边孔零线,右边火线。两个开关的0用线连接好。插座一样用线左对左,右对右连接好。然后左边蓝线,右边红线。就OK了!

本文关键词:带开关插座怎么接线图解,带开关插座怎么接线,明线插座带开关怎样接,四孔带开关插座怎么接线,三孔带开关插座怎么接线。这就是关于《开关带插座的线怎么接,带开关插座怎么接线(带插座开关接线图实物图)》的所有内容,希望对您能有所帮助!

本文链接:https://bk.89qw.com/a-465475

最近发表
网站分类