百科生活 投稿
关于【三极管中的死区电压是指哪个结】:三极管中的死区电压是指哪个结,今天小编给您分享一下,如果对您有所帮助别忘了关注本站哦。
- 内容导航:
- 1、三极管中的死区电压是指哪个结
- 2、三极管的工作原理(当年模电老师为啥不这样教?)
1、三极管中的死区电压是指哪个结
三极管中的死区电压一般是指放大器输入信号大三极管,二极管上电0.7V就是导通电压实际上三极管,二极管因为PN结漏电流的存在截止区也不可能一点电压没有,只能说不同结构和面积的PN结是不一样的有的射频功率管导通就1V多,等于0.7V也不一定截止,放大器的输出还没有开始变化的输入电压最大幅度,其实,这是一个交流参数,并不是一般所说的直流参数。
2、三极管的工作原理(当年模电老师为啥不这样教?)
三极管是最重要的电子元器件之一,成功制作世界上第一只半导体三极管的美国物理学家约翰·巴丁(John Bardeen)和他的同事布拉顿(Brattain)并获得了诺贝尔物理学奖。三极管的看家本领,是可以以小电流控制大电流,颇似武侠中的四两拨千斤。
下图是2种类型的三极管NPN和PNP的结构和电路图符号示意。

positive 正极 [ˈpɒzətɪv]
negative 负极 [ˈnegətɪv]
很多初学者都会认为三极管是两个 PN 结的简单凑合。这种想法是错误的,两个二极管的组合不能形成一个三极管。我们以 NPN 型三极管为例(见图 2 ),两个 PN 结共用了一个 P 区 —— 基区,基区做得极薄,只有几微米到几十微米,正是靠着它把两个 PN 结有机地结合成一个不可分割的整体,它们之间存在着相互联系和相互影响,使三极管完全不同于两个单独的 PN 结的特性。三极管在外加电压的作用下,形成基极电流、集电极电流和发射极电流,成为电流放大器件。
三极管的电流放大作用与其物理结构有关,三极管内部进行的物理过程是十分复杂的,初学者暂时不必去深入探讨。从应用的角度来讲,可以把三极管看作是一个电流分配器。一个三极管制成后,它的三个电流之间的比例关系就大体上确定了(见图 3 ),用式子来表示就是

β 和 α 称为三极管的电流分配系数,其中 β 值大家比较熟悉,都管它叫电流放大系数。三个电流中,有一个电流发生变化,另外两个电流也会随着按比例地变化。例如,基极电流的变化量 ΔI b = 10 μA , β = 50 ,根据 ΔI c = βΔI b 的关系式,集电极电流的变化量 ΔI c = 50×10 = 500μA ,实现了电流放大。
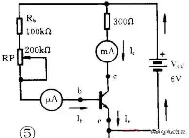
三极管自身并不能把小电流变成大电流,它仅仅起着一种控制作用,控制着电路里的电源,按确定的比例向三极管提供 I b 、 I c 和 I e 这三个电流。为了容易理解,我们还是用水流比喻电流(见图 4 )。这是粗、细两根水管,粗的管子内装有闸门,这个闸门是由细的管子中的水量控制着它的开启程度。如果细管子中没有水流,粗管子中的闸门就会关闭。注入细管子中的水量越大,闸门就开得越大,相应地流过粗管子的水就越多,这就体现出“以小控制大,以弱控制强”的道理。由图可见,细管子的水与粗管子的水在下端汇合在一根管子中。三极管的基极 b 、集电极 c 和发射极 e 就对应着图 4 中的细管、粗管和粗细交汇的管子。电路见图 5 ,若给三极管外加一定的电压,就会产生电流 I b 、 I c 和 I e 。调节电位器 RP 改变基极电流 I b , I c 也随之变化。由于 I c = βI b ,所以很小的 I b 控制着比它大 β 倍的 I c 。I c 不是由三极管产生的,是由电源 VCC 在 I b 的控制下提供的,所以说三极管起着能量转换作用。


如图,假设三极管的β=100,RP=200K,此时的Ib=6v/(200k+100k)=0.02mA,Ic=βI b=2mA
当RP=0时,Ib=6v/100k=0.06mA,Ic=βI b=2mA。以上两种状态都符合Ic=βI b,我们说,三极管处于"放大区"。假设RP=0,Rb=1k,此时,Ib=6v/1k=6mA按Ic=βI b计算,Ic应等于600mA,而实际上,由于图中300欧姆限流电阻(Rc)的存在,实际上Ic=(6v/300)≈20mA,此时,Ic≠βI b,而且,Ic不再受Ib控制,即处于"饱和区",当RP和Rb大到一定程度,使Ube<死区电压(硅管约0.5V,锗管约0.3)此时be结处于不导通状态,Ib=0,则Ic=0,处于"截止区"。

单纯从“放大”的角度来看,我们希望 β 值越大越好。可是,三极管接成共发射极放大电路(图 6 )时,从管子的集电极 c 到发射极 e 总会产生一有害的漏电流,称为穿透电流 I ceo,它的大小与 β 值近似成正比, β 值越大, I ceo 就越大。I ceo 这种寄生电流不受 I b 控制,却成为集电极电流 I c 的一部分, I c = βI b + I ceo 。值得注意的是, I ceo 跟温度有密切的关系,温度升高, I ceo 急剧变大,破坏了放大电路工作的稳定性。所以,选择三极管时,并不是 β 越大越好,一般建议取硅管 β 为 40 ~150 ,锗管取 40 ~ 80 。

在常温下,锗管的穿透电流比较大,一般由几十微安到几百微安,硅管的穿透电流就比较小,一般只有零点几微安到几微安。I ceo 虽然不大,却与温度有着密切的关系,它们遵循着所谓的“加倍规则”,这就是温度每升高 10℃ , I ceo 约增大一倍。例如,某锗管在常温 20℃ 时, I ceo 为 20μA ,在使用中管芯温度上升到 50℃ , I ceo 就增大到 160μA 左右。测量 I ceo 的电路很简单(图 7 ),三极管的基极开路,在集电极与发射极之间接入电源 V CC ( 6V ),串联在电路中的电流表(可用万用表中的 0.1mA 挡)所指示的电流值就是 I ceo 。

严格地说,三极管的 β 值不是一个不变的常数。在实际使用中,调整三极管的集电极电流 I , β 值会随着发生变化(图 8 )。一般说来,在 I c 很小(例如几十微安)或很大(即接近集电极最大允电流 I CM )时, β 值都比较小,在 1mA 以上相当宽的范围内,小功率管的 β 值都比较大,所以,同学们在调试放大电路时,要确定合适的工作电流 I c ,以获得最佳放大状态。另外, β 值也和三极管的其它参数一样,跟温度有密切的关系。温度升高, β 值相应变大。一般温度每升高 1℃ , β 值增加 0.5 %~ 1 %。


器件为BC847
温度为-20℃时,Ic等于3.745mA, 温度为50℃时,Ic等于5.897mA。
从-20℃变到50℃
ß变化=(5.897mA-3.745mA)/3.745mA=57.46%。
ß呈线性变化
变化率=57.46%/70℃=0.821%/℃。
换用40239时,ß变化为67.24%。

温度为-20℃时,IB等于9.27uA,温度为50℃时
IB等于10.4uA。
从-20℃变到50℃
IB变化=(10.4uA-9.27uA)/9.27uA=12.19%。
IB呈线性变化
IB变化率=12.19%/70℃=0.174%/℃。
三极管有一个极限参数叫集电极最大允许电流,用 I CM 表示。I CM 常称为三极管的额定电流,所以人们常常误认为超过了 I CM 值,由于过热会把管子烧坏。实际上,规定 I CM 值是为避免集电极电流太大时引起 β 值下降过多。一般把 β 值降低到它的最大值一半左右时的集电极电流定为集电极最大允许电流
I CM 。

三极管的电流放大系数 β 值还与电路的工作频率有关。在一定的频率范围内,可以认为 β 值是不随频率变化的(图 9 ),可是当频率升高到超过某一数值后, β 值就会明显下降。为了保证三极管在高频时仍然具有足够的放大能力,人们规定:当频率升高到使 β 值下降到低频( 1000Hz )值 β 0 的 0.707 倍时,所对应的频率称为 β 截止频率,用 f β 表示。f β 就是三极管接成共发射极电路时所允许的最高工作频率。
三极管 β 截止频率 f β 是在三极管接成共发射极放大电路时测定的。如果三极管接成共基极电路,随着频率的升高,其电流放大系数 α ( α = I c / I e )值下降到低频( 1000Hz )值 α o 的 0.707 倍时,所对应的频率称为 α 截止频率,用 f α 表示(图 10 )。f α 反映了三极管共基极运用时的频率限制。在三极管产品系列中,常根据 f α 的大小划分低频管和高频管。国家规定, f α < 3MHz 的为低频管, f α > 3MHz 的为高频管。

当频率高于 f β 值后,继续升高频率, β 值将随之下降,直到 β = 1 ,三极管就失去了放大能力。为此,人们规定:在高频条件下, β = 1 时所对应的频率,称为特征频率,用 f T 表示。f T 常作为标志三极管频率特性好坏的重要参数。在选择三极管时,应使管子的特征频率 f T 比实际工作频率高出 3 ~ 5 倍。
f α 与 f β 的物理意义是相同的,仅仅是放大电路连接方式不同。理论分析和实验都可以证明,同一只三极管的 f β 值远比 f α 值要小,它们之间的关系为f β =( 1 - α ) f α
这就说明了共发射极电路的极限工作频率比共基极电路低得多。所以,高频放大和振荡电路大多采用共基极连接。
先讲二极管
要想很自然地说明问题,就要选择恰当地切入点。讲三极管的原理我们从二极管的原理入手讲起。二极管的结构与原理都很简单,内部一个PN结具有单向导电性,如示意图B。很明显图示二极管处于反偏状态,PN结截止。我们要特别注意这里的截止状态,实际上PN结截止时,总是会有很小的漏电流存在,也就是说PN结总是存在着反向关不断的现象,PN结的单向导电性并不是百分之百。

为什么会出现这种现象呢?这主要是因为P区除了因“掺杂”而产生的多数载流子“空穴”之外,还总是会有极少数的本征载流子“电子”出现。N区也是一样,除了多数载流子电子之外,也会有极少数的载流子空穴存在。PN结反偏时,能够正向导电的多数载流子被拉向电源,使PN结变厚,多数载流子不能再通过PN结承担起载流导电的功能。所以,此时漏电流的形成主要靠的是少数载流子,是少数载流子在起导电作用。反偏时,少数载流子在电源的作用下能够很容易地反向穿过PN结形成漏电流。漏电流只所以很小,是因为少数载流子的数量太少。很明显,此时漏电流的大小主要取决于少数载流子的数量。如果要想人为地增加漏电流,只要想办法增加反偏时少数载流子的数量即可。所以,如图B,如果能够在P区或N区人为地增加少数载流子的数量,很自然的漏电流就会人为地增加。其实,光敏二极管的原理就是如此。光敏二极管与普通光敏二极管一样,它的PN结具有单向导电性。因此,光敏二极管工作时应加上反向电压,如图所示。当无光照时,电路中也有很小的反向饱和漏电流,一般为1×10-8 —1×10 -9A(称为暗电流),此时相当于光敏二极管截止;当有光照射时,PN结附近受光子的轰击,半导体内被束缚的价电子吸收光子能量而被击发产生电子—空穴对,这些载流子的数目,对于多数载流子影响不大,但对P区和N区的少数载流子来说,则会使少数载流子的浓度大大提高,在反向电压作用下,反向饱和漏电流大大增加,形成光电流,该光电流随入射光强度的变化而相应变化。光电流通过负载RL时,在电阻两端将得到随人射光变化的电压信号。光敏二极管就是这样完成电功能转换的。

光敏二极管工作在反偏状态,因为光照可以增加少数载流子的数量,因而光照就会导致反向漏电流的改变,人们就是利用这样的道理制作出了光敏二极管。既然此时漏电流的增加是人为的,那么漏电流的增加部分也就很容易能够实现人为地控制。
强调一个结论:
讲到这里,一定要重点地说明PN结正、反偏时,多数载流子和少数载流子所充当的角色及其性质。正偏时是多数载流子载流导电,反偏时是少数载流子载流导电。所以,正偏电流大,反偏电流小,PN结显示出单向电性。特别是要重点说明,反偏时少数载流子反向通过PN结是很容易的,甚至比正偏时多数载流子正向通过PN结还要容易。为什么呢?大家知道PN结内部存在有一个因多数载流子相互扩散而产生的内电场,而内电场的作用方向总是阻碍多数载流子的正向通过,所以,多数载流子正向通过PN结时就需要克服内电场的作用,需要约0.7伏的外加电压,这是PN结正向导通的门电压。而反偏时,内电场在电源作用下会被加强也就是PN结加厚,少数载流子反向通过PN结时,内电场作用方向和少数载流子通过PN结的方向一致,也就是说此时的内电场对于少数载流子的反向通过不仅不会有阻碍作用,甚至还会有帮助作用。这就导致了以上我们所说的结论:反偏时少数载流子反向通过PN结是很容易的,甚至比正偏时多数载流子正向通过PN结还要容易。这个结论可以很好解释前面提到的“问题2”,也就是教材后续内容要讲到的三极管的饱和状态。三极管在饱和状态下,集电极电位很低甚至会接近或稍低于基极电位,集电结处于零偏置,但仍然会有较大的集电结的反向电流Ic产生。
自然过渡:
继续讨论图B,PN结的反偏状态。利用光照控制少数载流子的产生数量就可以实现人为地控制漏电流的大小。既然如此,人们自然也会想到能否把控制的方法改变一下,不用光照而是用电注入的方法来增加N区或者是P区少数载流子的数量,从而实现对PN结的漏电流的控制。也就是不用“光”的方法,而是用“电”的方法来实现对电流的控制(注2)。接下来重点讨论P区,P区的少数载流子是电子,要想用电注入的方法向P区注入电子,最好的方法就是如图C所示,在P区下面再用特殊工艺加一块N型半导体(注3)。

图C所示其实就是NPN型晶体三极管的雏形,其相应各部分的名称以及功能与三极管完全相同。为方便讨论,以下我们对图C中所示的各个部分的名称直接采用与三极管相应的名称(如“发射结”,“集电极”等)。再看示意图C,图中最下面的发射区N型半导体内电子作为多数载流子大量存在,而且,如图C中所示,要将发射区的电子注入或者说是发射到P区(基区)是很容易的,只要使发射结正偏即可。具体说就是在基极与发射极之间加上一个足够的正向的门电压(约为0.7伏)就可以了。在外加门电压作用下,发射区的电子就会很容易地被发射注入到基区,这样就实现对基区少数载流子“电子”在数量上的改变。
集电极电流Ic的形成:
如图C,发射结加上正偏电压导通后,在外加电压的作用下,发射区的多数载流子——电子就会很容易地被大量发射进入基区。这些载流子一旦进入基区,它们在基区(P区)的性质仍然属于少数载流子的性质。如前所述,少数载流子很容易反向穿过处于反偏状态的PN结,所以,这些载流子——电子就会很容易向上穿过处于反偏状态的集电结到达集电区形成集电极电流Ic。由此可见,集电极电流的形成并不是一定要靠集电极的高电位。集电极电流的大小更主要的要取决于发射区载流子对基区的发射与注入,取决于这种发射与注入的程度。这种载流子的发射注入程度及乎与集电极电位的高低没有什么关系。这正好能自然地说明,为什么三极管在放大状态下,集电极电流Ic与集电极电位Vc的大小无关的原因。放大状态下Ic并不受控于Vc,Vc的作用主要是维持集电结的反偏状态,以此来满足三极管放大态下所需要外部电路条件。
对于Ic还可以做如下结论:Ic的本质是“少子”电流,是通过电子注入而实现的人为可控的集电结“漏”电流,因此它就可以很容易地反向通过集电结。
Ic与Ib的关系:
很明显,对于三极管的内部电路来说,图C与图D是完全等效的。图D就是教科书上常用的三极管电流放大原理示意图。
看图D,接着上面的讨论,集电极电流Ic与集电极电位Vc的大小无关,主要取决于发射区载流子对基区的发射注入程度。

通过上面的讨论,现在已经明白,三极管在电流放大状态下,内部的主要电流就是由载流子电子由发射区经基区再到集电区贯穿三极管所形成。也就是贯穿三极管的电流Ic主要是电子流。这种贯穿的电子流与历史上的电子三极管非常类似。如图E,图E就是电子三极管的原理示意图。电子三极管的电流放大原理因为其结构的直观形象,可以很自然得到解释。

如图E所示,很容易理解,电子三极管Ib与Ic之间的固定比例关系,主要取决于电子管栅极(基极)的构造。当外部电路条件满足时,电子三极管工作在放大状态。在放大状态下,穿过管子的电流主要是由发射极经栅极再到集电极的电子流。电子流在穿越栅极时,很显然栅极会对其进行截流,截流时就存在着一个截流比问题。截流比的大小,则主要与栅极的疏密度有关,如果栅极做的密,它的等效截流面积就大,截流比例自然就大,拦截下来的电子流就多。反之截流比小,拦截下来的电子流就少。栅极拦截下来的电子流其实就是电流Ib,其余的穿过栅极到达集电极的电子流就是Ic。从图中可以看出,只要栅极的结构尺寸确定,那么截流比例就确定,也就是Ic与Ib的比值确定。所以,只要管子的内部结构确定,的值就确定,这个比值就固定不变。由此可知,电流放大倍数的β值主要与栅极的疏密度有关。栅极越密则截流比例越大,相应的β值越低,栅极越疏则截流比例越小,相应的β值越高。
其实晶体三极管的电流放大关系与电子三极管类似。晶体三极管的基极就相当于电子三极管的栅极,基区就相当于栅网,只不过晶体管的这个栅网是动态的是不可见的。放大状态下,贯穿整个管子的电子流在通过基区时,基区与电子管的栅网作用相类似,会对电子流进行截流。如果基区做得薄,掺杂度低,基区的空穴数就会少,那么空穴对电子的截流量就小,这就相当于电子管的栅网比较疏一样。反之截流量就会大。很明显只要晶体管三极管的内部结构确定,这个截流比也就确定。所以,为了获大较大的电流放大倍数,使β值足够高,在制作三极管时往往要把基区做得很薄,而且其掺杂度也要控制得很低。
与电子管不同的是,晶体管的截流主要是靠分布在基区的带正电的“空穴”对贯穿的电子流中带负电的“电子”中和来实现。所以,截流的效果主要取决于基区空穴的数量。而且,这个过程是个动态过程,“空穴”不断地与“电子”中和,同时“空穴”又不断地会在外部电源作用下得到补充。在这个动态过程中,空穴的等效总数量是不变的。基区空穴的总数量主要取决于掺“杂”度以及基区的厚薄,只要晶体管结构确定,基区空穴的总定额就确定,其相应的动态总量就确定。这样,截流比就确定,晶体管的电流放大倍数的值就是定值。这就是为什么放大状态下,三极管的电流Ic与Ib之间会有一个固定的比例关系的原因。
对于截止状态的解释:
比例关系说明,放大状态下电流Ic按一个固定的比例受控于电流Ib,这个固定的控制比例主要取决于晶体管的内部结构。
对于Ib等于0的截止状态,问题更为简单。当Ib等于0时,说明外部电压Ube太小,没有达到发射结的门电压值,发射区没有载流子“电子”向基区的发射注入,所以,此时既不会有电流Ib,也更不可能有电流Ic。另外,从纯数学的电流放大公式更容易推出结论,Ic=βIb,Ib为0,很显然Ic也为0。
三极管封装与引脚
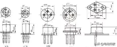
三极管的封装形式是指三极管的外形参数,也就是安装半导体三极管用的外壳。材料方面,三极管的封装形式主要有金属、陶瓷和塑料形式;结构方面,三极管的封装为TO×××,×××表示三极管的外形;装配方式有通孔插装(通孔式)、表面安装(贴片式)和直接安装;引脚形状有长引线直插、短引线或无引线贴装等。常用三极管的封装形式有TO-92、TO-126、TO-3、TO-220TO等。
国产晶体管按原部标规定有近30种外形和几十种规格,其外形结构和规格分别用字母和数字表示,如TO-162、TO-92等。晶体管的外形及尺寸如图1所示。



图1 晶体管的外形及尺寸
封装
1.金属封装
(1)B型:B型分为B-1、B-2、…、B-6共6种规格,主要用于1W及1W以下的高频小功率晶体管,其中B-1、B-3型最为常用。引脚排列:管底面对自己,由管键起,按顺时针方向依次为E、B、C、D(接地极)。其封装外形如图2(a)所示。(2)C型:引脚排列与B型相同,主要用于小功率。其封装外形如图2(b)所示。
(3)D型:外形结构与B型相同。引脚排列:管底面对自己,等腰三角形的底面朝下,按顺时针方向依次为E、B、C。其封装外形如图2(c)所示。
(4)E型:引脚排列与D型相同,封装外形如图3(d)所示。
(5)F型:该型分为F-0、F-1~F-4共5种规格,各规格外形相同而尺寸不同,主要用于低频大功率管封装,使用最多的是F-2型封装。引脚排列:管底面对自己,小等腰三角形的庵面朝下,左为E,右为B,两固定孔为C。其封装外形如图2(e)所示。¨
(6)G型:分为G-1~G-6共6种规格,主要用于低频大功率晶体管封装,使用最多的是G-3、G-4型。其中G-1、G-2为圆形引出线,G-3~G-6为扁形引出线。引脚排列:管底面对自己,等腰三角形的底面朝下,按顺时针方向依次为E、B、C。其封装外形如图2(f)所示。
2.塑料封装
(1)S-1型、S-2型、S-4型:用于封装小功率三极管,其中以S-1型应用最为普遍。S-1、S-2、S-3型管的封装外形如图2(g)、(h)、(i)所示。引脚排列:平面朝外,半圆形朝内,引脚朝上时从左到右为E、B、C。
(2)S-5型:主要用于大功率三极管。引脚排列:平面朝外,半圆形朝内,引脚朝上时从左到右为E、B、C。S-5型的封装外形如图2(j)所示。
(3)S-6lA、S-6B、S-7、S-8型:主要用于大功率三极管,其中以S-7型最为常用。S-6A引脚排列:切角面面对自己,引脚朝下,从左到右依次为B、C、E。它们的引脚排列与外形分别如图5.12(k)、(l)、(m)、(n)所示。
(4)常见进口管的外形封装结构:TO-92与部标S-1相似,TO-92L与部标S-4相似,TO126与S-5相似,TO-202与部标S-7相似。



图2 晶体管的外形及尺寸(续)
常见三极管的封装对照图如图3所示。



图3 常见三极管封装对照图
常见三极管封装实物图如图4所示。


图4 常见三极管封装实物图
2 引脚
三极管引脚的排列方式具有一定的规律。对于国产小功率金属封装三极管,底视图位置放置,使三个引脚构成等腰三角形的顶点上,从左向右依次为E、B、C;有管键的管子,从管键处按顺时针方向依次为E、B、C,其引脚识别图如图5(a)所示。对于国产中小功率塑封三极管,使其平面朝外,半圆形朝内,三个引脚朝上放置,则从左到右依次为E、B、C,其引脚识别图如图5(b)所示。
目前,市场上有各种类型的晶体三极管,引脚的排列不尽相同。在使用中不确定引脚排、列的三极管,必须进行测量,或查找晶体管使用手册,明确三极管的特J跬及相应的技术参数和资料。
现今比较流行的三极管901 I~9018系列为高频小功率管,除9012和9015为PNP型管外,其余均为NPN型管。
常用9011~9018、C1815系列三极管引脚排列如图6所示。平面对着自己,引脚朝下,从左至右依次是E、C、B。

图5 国产小功率三极管引脚识别图

图6 常用C1815等引脚排列图
贴片式三极管有三个电极的,也有四个电极的。一般三个电极的贴片式三极管从顶端往下看有两边,上边只有一脚的为集电极,下边的两脚分别是基极和发射极。在四个电极的贴片式三极管中,比较大的一个引脚是三极管的集电极,另有两个引脚相通是发射极,余下的一个是基极。常见贴片式三极管引脚外形图如图7所示。

图7 常见贴片式三极管引脚外形图
本文关键词:二极管的死区电压是指什么?,二极管的死区电压体现在哪里,二极管的伏安特性上有一个死区电压,什么是死区电压,常用的两种二极管的死区电压分别是多少,二极管的死区电压。这就是关于《三极管中的死区电压是指哪个结,二极管的死区电压是指什么(<当年模电老师为啥不这样教)》的所有内容,希望对您能有所帮助!
- 最近发表