手机版

百科生活 投稿

广州华硕笔记本维修,华硕笔记本广州番禺维修点(“喝了咖啡”的华硕笔记本不触发曲折维修)

百科 2026-02-11 03:00:18 投稿 阅读:4662次

关于【广州华硕笔记本维修】:华硕笔记本广州番禺维修点,今天小编给您分享一下,如果对您有所帮助别忘了关注本站哦。

  • 内容导航:
  • 1、广州华硕笔记本维修:华硕笔记本广州番禺维修点
  • 2、“喝了咖啡”的华硕笔记本不触发曲折维修,竟然被小电阻骗了……

1、广州华硕笔记本维修:华硕笔记本广州番禺维修点

  华硕笔记本广州番禺的维修点如下:

  1、广州市海珠区艺苑南路25号;

  2、广州市白云区机场路1268号;

  3、广州市增城区开园中路87号;

  4、天河区天河路560号怡东电脑城3楼;

  5、广州市越秀区水荫路2号恒鑫大厦东座1910室;

  6、广州市海珠区江泰路73号;

  7、广州市番禺区石基镇罗家村水口大街23号;

  8、广州市番禺区民安路68号。

2、“喝了咖啡”的华硕笔记本不触发曲折维修,竟然被小电阻骗了……

【机型型号】:华硕ASUS Q501L

【主板板号】:Q501LA

广州华硕笔记本维修,华硕笔记本广州番禺维修点(“喝了咖啡”的华硕笔记本不触发曲折维修)

主板板号

【故障现象】:进液不触发

【维修过程】:

接一卖场小伙送修机器,说是进咖啡了 。拆除后盖,电池,主板进液还不少!!

广州华硕笔记本维修,华硕笔记本广州番禺维修点(“喝了咖啡”的华硕笔记本不触发曲折维修)

主板

看了下主板进水的地方在内存供电跟内存颗粒的位置。

广州华硕笔记本维修,华硕笔记本广州番禺维修点(“喝了咖啡”的华硕笔记本不触发曲折维修)

广州华硕笔记本维修,华硕笔记本广州番禺维修点(“喝了咖啡”的华硕笔记本不触发曲折维修)

大致打了下阻值没啥明显短路的地方报价开修。

这种带糖成分的液体用洗板水清洗效果不是很好,(清洗不干净风枪一吹就黑不拉几的东西在上面)我是用威猛先生喷在进液的地方然后再用牙刷刷洗,效果好得很。

处理完内存供电后插电电流0.01跳到0.03停住。

广州华硕笔记本维修,华硕笔记本广州番禺维修点(“喝了咖啡”的华硕笔记本不触发曲折维修)

意料之中没这么简单,肯定内存供电玩完。

表笔捅了一下内存供电出来了,看来还不是你的问题。冤枉你了0.0

广州华硕笔记本维修,华硕笔记本广州番禺维修点(“喝了咖啡”的华硕笔记本不触发曲折维修)

1.05Vcpu桥模块的供电也正常

广州华硕笔记本维修,华硕笔记本广州番禺维修点(“喝了咖啡”的华硕笔记本不触发曲折维修)

CPU供电没有

广州华硕笔记本维修,华硕笔记本广州番禺维修点(“喝了咖啡”的华硕笔记本不触发曲折维修)

再捅了一下几个切换电压都正常。

既然没有CPU供电就先修CPU供电 ,打开点位,只有老版本的TSICT点位图(个人感觉没新款的好用)

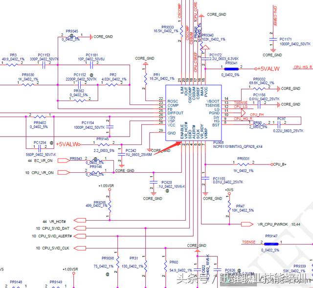
看了下CPU供电芯片NCP81101找来PDF。

广州华硕笔记本维修,华硕笔记本广州番禺维修点(“喝了咖啡”的华硕笔记本不触发曲折维修)

广州华硕笔记本维修,华硕笔记本广州番禺维修点(“喝了咖啡”的华硕笔记本不触发曲折维修)

供电啥都正常,1脚开启信号不正常。

追查其来源连到R0618。

广州华硕笔记本维修,华硕笔记本广州番禺维修点(“喝了咖啡”的华硕笔记本不触发曲折维修)

R0620

广州华硕笔记本维修,华硕笔记本广州番禺维修点(“喝了咖啡”的华硕笔记本不触发曲折维修)

搜索H_VR_ENABLE_MCP来到CPU。

广州华硕笔记本维修,华硕笔记本广州番禺维修点(“喝了咖啡”的华硕笔记本不触发曲折维修)

CPU供电开启信号一般都是EC收到各路PG后从EC发出来的(老款),这个板子直接CPU发出来!!!(新款)

CPU挂了?条件不满足???

CPU附近并没有进水抱有一丝希望相信是第2种情况再看看吧价都报出去了。。。

打开点位在板子上一阵测量,量到D5802时终于发现了新大陆。。内存电压PG没有!!!

广州华硕笔记本维修,华硕笔记本广州番禺维修点(“喝了咖啡”的华硕笔记本不触发曲折维修)

再次量了下内存电压是正常的,看来还是进水引起的。

想着电压正常直接短接PG上拉电阻R5815,电流到0.4几掉电,掉电后3.3V直接变成2V左右。然并卵,看来偷不得懒还是老老实换芯片吧。

料板上拆了个前2个代码一样的芯片过来上电涛声依旧,没这么点背吧。

想着一般内存供电进水的要么短路烧一大片要么只是坏个TON上面的一个800K左右的电阻。

说干就干直接把TON上面的电阻换掉。

广州华硕笔记本维修,华硕笔记本广州番禺维修点(“喝了咖啡”的华硕笔记本不触发曲折维修)

上电PG已经正常产生

广州华硕笔记本维修,华硕笔记本广州番禺维修点(“喝了咖啡”的华硕笔记本不触发曲折维修)

CPU电压也出来了!!!

广州华硕笔记本维修,华硕笔记本广州番禺维修点(“喝了咖啡”的华硕笔记本不触发曲折维修)

断电接屏上电看到了熟悉的LOGO(BIOS界面)

广州华硕笔记本维修,华硕笔记本广州番禺维修点(“喝了咖啡”的华硕笔记本不触发曲折维修)

至此,维修结束!

此案例由迅维网会员(张川zc)提供。

本文关键词:广州华硕笔记本维修网点,番禺华硕售后服务,华硕笔记本广州番禺维修点地址,广州华硕笔记本维修地点,广州华硕电脑官方维修点地址查询。这就是关于《广州华硕笔记本维修,华硕笔记本广州番禺维修点(“喝了咖啡”的华硕笔记本不触发曲折维修)》的所有内容,希望对您能有所帮助!

本文链接:https://bk.89qw.com/a-498793

最近发表
网站分类