手机版

百科生活 投稿

美的电风扇拆卸图解,美的电风扇怎么拆(学修电风扇~常见电风扇的电路工作原理图)

百科 2025-10-20 00:36:13 投稿 阅读:358次

关于【美的电风扇拆卸图解】,美的电风扇怎么拆,今天小编给您分享一下,如果对您有所帮助别忘了关注本站哦。

  • 内容导航:
  • 1、美的电风扇拆卸图解:美的电风扇怎么拆
  • 2、学修电风扇~常见电风扇的电路工作原理图

1、美的电风扇拆卸图解:美的电风扇怎么拆

拆美的电风扇的方法步骤:1、先把保护罩外圈螺丝松开,去掉前罩;

2、把风扇叶中间的倒螺丝拧开,把风扇叶拆掉,即可看到电风扇前轴,也是加机油的地方;

3、去掉风扇叶后可以看见一个直径4至5公分塑料螺母,拧开;

4、去掉保护罩后罩,再把四个螺丝卸掉,慢慢把电机后盖去掉,就看见电机后轴,电风扇拆开完成。

2、学修电风扇~常见电风扇的电路工作原理图

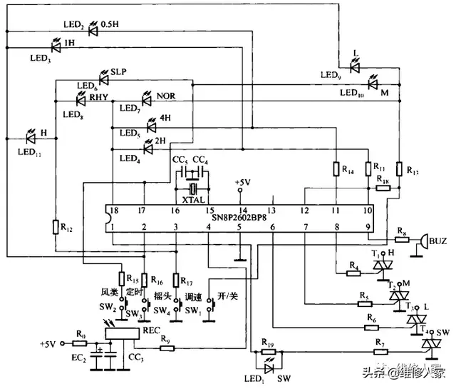
1、微电脑控制落地式电风扇电路工作原理图

微电脑控制落地式电风扇的电路主要由直流工作电源电路、微电脑控制电路、驱动输出 电路和遥控信号接收电路组成。为了读图方便,我们以美的FS40 -6DR型落地式电风扇电 路图为例,来展开对微电脑控制落地式电风扇的工作原理作一个系统的分析。

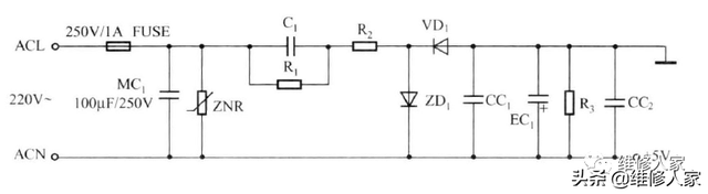
1)直流工作电源电路

直流工作电源电路如图所示,它产生一个+5V的直流电 压,给微处理器提供工作电压。

美的电风扇拆卸图解,美的电风扇怎么拆(学修电风扇~常见电风扇的电路工作原理图)

 美的电风扇拆卸图解,美的电风扇怎么拆(学修电风扇~常见电风扇的电路工作原理图)

其工作原理是220V交流电先经电阻R1、R2和电容C1降压,再通过二极管ZD1和VD1整流,再经过电容EC1、CC1、CC2滤波后,输出+5V的直流工作 电压。熔断器串联在交流回路中,起过电流保护作用;电容MC1为抗干扰电容,滤除电网中的杂波信号;压敏电阻ZNR的作用是,当出现电网电压过高或遭雷击时,压敏电阻可击穿 短路后烧断熔断器,从而保护了后级电路不被损坏。

2)微电脑控制电路

美的电风扇拆卸图解,美的电风扇怎么拆(学修电风扇~常见电风扇的电路工作原理图)

微电脑控制电路主要以SN8P2602BP8微处理器为核心,接收并处理按键或遥控信号,根据用户的操作指令输出功 能驱动信号,经双向晶闸管驱动转叶电动机和摇头电动机,实现风速的调节、定时和摇头等。SW1为开/关机、调速按钮;SW2为扇风类型的选择按钮;SW3为定时设置按钮;SW4为摇头按钮。

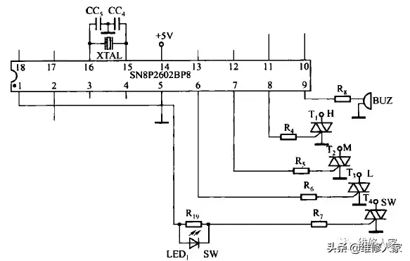
3) 驱动输出电路

美的电风扇拆卸图解,美的电风扇怎么拆(学修电风扇~常见电风扇的电路工作原理图)

主要由4个型号为ZD607的双向晶 闸管T】~T4和电阻R4 -R7组成。从原理图上可以看出,晶闸管T, ^T4的控制极都是由 SN8P2602BP8微处理器的第①、⑥、⑦、⑧脚控制的,当其中任何一个引脚输出高电平触 发时,对应的双向晶闸管就会导通,电动机得电运转。

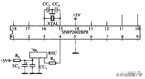
4) 遥控信号接收电路

美的电风扇拆卸图解,美的电风扇怎么拆(学修电风扇~常见电风扇的电路工作原理图)

主要有遥控信号接收头 REC和电阻R9、R。和电容EC?、CC3组成。其作用是接收风扇遥控器发射处来的红外线遥控 信号,并将它转换成电信号送给SN8P2602BP8微处理器的第④脚,再由微处理器内部处理 后,输出相应的功能信号。

2、台式电风扇的电路原理图

美的电风扇拆卸图解,美的电风扇怎么拆(学修电风扇~常见电风扇的电路工作原理图)

台式电风扇的工作原理图如图所示。主要由调速开关、机械定时器和风扇电动机组成。当用户旋动定时开关闭合,按下调速开关时,电动机因得电而运转。

3、鸿运扇的电路工作原理图

美的电风扇拆卸图解,美的电风扇怎么拆(学修电风扇~常见电风扇的电路工作原理图)

上图所示的是美的KYT2-25鸿运扇的电路工作原理图。主要由调速开关、导风开 关、跌倒开关、同步电动机、转叶电动机和定时器组成。电风扇直立时跌倒开关接通,这时打开定时开关,把调速开关调到一个挡位,这时电风扇电动机得电而运转,开始扇风。当按下导风开关时,同步电动机两端通入交流电流而旋转,带动导风窗而导风。

本文关键词:美的无叶电风扇,美的电风扇怎么拆卸清洗,美的电风扇,美的小型电风扇,美的遥控电风扇。这就是关于《美的电风扇拆卸图解,美的电风扇怎么拆(学修电风扇~常见电风扇的电路工作原理图)》的所有内容,希望对您能有所帮助!

本文链接:https://bk.89qw.com/a-507191/

最近发表
网站分类