手机版

百科生活 投稿

脚手架卸荷有哪几种方式,脚手架钢丝绳卸荷(脚手架工程卸荷设置方法与参数示例)

百科 2026-02-14 20:14:05 投稿 阅读:7806次

关于【脚手架卸荷有哪几种方式】,脚手架钢丝绳卸荷,今天涌涌小编给您分享一下,如果对您有所帮助别忘了关注本站哦。

  • 内容导航:
  • 1、脚手架卸荷有哪几种方式
  • 2、脚手架工程卸荷设置方法与参数示例

1、脚手架卸荷有哪几种方式

1、整体升降式脚手架整体升降式外脚手架以电动倒链为提升机,使整个外脚手架沿建筑物外墙或柱整体向上爬升。搭设高度依建筑物施工层的层高而定,一般取建筑物标准层4个层高加1步安全栏的高度为架体的总高度。脚手架的横杆和立杆间距都不宜超过1、8m,可将1个标准层高分为2步架,以此步距为基数确定架体横、立杆的间距。

2、里脚手架里脚手架搭设于建筑物内部,每砌完一层墙后,即将其转移到上一层楼面,进行新的一层墙体砌筑。里脚手架也用于室内装饰施工。里脚手架装拆较频繁,要求轻便灵活,装拆方便。通常将其做成工具式的,结构形式有折叠式、支柱式和门架式。

2、脚手架工程卸荷设置方法与参数示例

说明

当脚手架高度超过40米时,应该设置卸荷措施,常用为钢丝绳卸荷。

设置方法

1、在脚手架的“基本参数”面板界面中,勾选“钢丝绳卸荷”选项。

脚手架卸荷有哪几种方式,脚手架钢丝绳卸荷(脚手架工程卸荷设置方法与参数示例)

卸荷选项

2、勾选该选项后,会出现一个“钢丝绳卸荷”面板标签。

脚手架卸荷有哪几种方式,脚手架钢丝绳卸荷(脚手架工程卸荷设置方法与参数示例)

卸荷标签

3、根据方案的卸荷参数在这里录入即可,下图为示例参数

脚手架卸荷有哪几种方式,脚手架钢丝绳卸荷(脚手架工程卸荷设置方法与参数示例)

卸荷参数

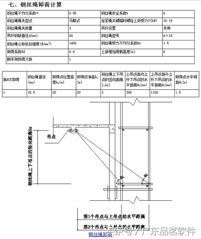
计算示例

脚手架卸荷有哪几种方式,脚手架钢丝绳卸荷(脚手架工程卸荷设置方法与参数示例)

计算1

脚手架卸荷有哪几种方式,脚手架钢丝绳卸荷(脚手架工程卸荷设置方法与参数示例)

计算图例

脚手架卸荷有哪几种方式,脚手架钢丝绳卸荷(脚手架工程卸荷设置方法与参数示例)

计算3


品茗安全计算软件2018版包含的模块内容,多到数不清!

梁模板支架尺寸正确的参数输入姿态,姿态错了计算就错了!

本文关键词:脚手架如何卸荷,脚手架卸荷规范要求,脚手架钢丝绳卸荷,脚手架卸荷什么意思,落地式脚手架卸荷措施。这就是关于《脚手架卸荷有哪几种方式,脚手架钢丝绳卸荷(脚手架工程卸荷设置方法与参数示例)》的所有内容,希望对您能有所帮助!

本文链接:https://bk.89qw.com/a-509766

最近发表
网站分类