百科生活 投稿
关于【常见的心轴类车床夹具有哪些类型】:常见的心轴类车床夹具有哪些类型,今天小编给您分享一下,如果对您有所帮助别忘了关注本站哦。
- 内容导航:
- 1、常见的心轴类车床夹具有哪些类型
- 2、机床夹具 第二章 第三节 夹具定位元件 (带练习题和答案)
1、常见的心轴类车床夹具有哪些类型
1、夹具按工件定位方式不同分为:定心式(心轴式)、夹头式、卡盘式、角铁式和花盘式等。
2、定心式车床夹具:在定心式车床夹具上,工件常以孔或外圆定位,夹具采用定心夹紧机构。
3、角铁式车床夹具:在车床上加工壳体、支座、杠杆、接头等零件的回转端面时,由于零件形状较复杂,难以装夹在通用卡盘上,因而须设计专用夹具。这种夹具的夹具体呈角铁状,故称其为角铁式车床夹具。
4、花盘式车床夹具:这类夹具的夹具体称花盘,上面开有若干个T形槽,安装定位元件、夹紧元件和分度元件等辅助元件,可加工形状复杂工件的外圆和内孔。这类夹具不对称,要注意平衡。
2、机床夹具 第二章 第三节 夹具定位元件 (带练习题和答案)
一、对定位元件的要求
1. 高精度
2. 高耐磨性
3. 足够的刚度和强度
4. 良好的工艺性
二、常用定位元件的选择
1 .平面定位基准面
( 1 )基本支承
基本支承是用作消除工件定位不定度、具有独立定位作用的支承。其中包括支承 钉、支承板、自位支承、可调支承。
工件上幅面较大、跨度较大的大型精加工平面,多选用支承板 来体现夹具上定位 元件的定位表面。
自位轴承 是指能够根据工件实际表面情况,自动调整支承方向和接触部位的浮动 支承。
可调支承 是指支承高度可以调节的定位支承。可调支承的常用结构及其应用见下 表
( 2 )辅助支承
辅助支承—— 为提高工件的安装刚性及稳定性,防止工件的切削振动及变形,或 者为工件的预定位而设置的非正式定位支承。
辅助支承
2 .圆孔定位基准面
( 1 )定位销
( 2 )定位心轴
( 3 )锥销类
( 4 )自动定心夹紧心轴
3 .外圆柱面定位基准面
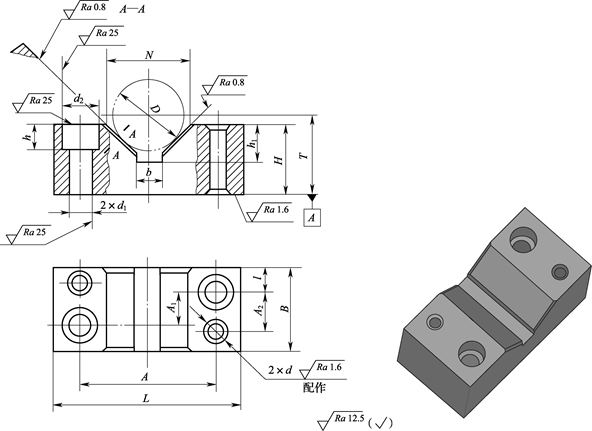
( 1 ) V 形块
当工件以局部曲面参与定位时,V形块往往成为首选定位元件。另外,V形块也可以做成活动结构。这样,它除可以提供一个定位点,还兼做夹紧元件,具有定心夹紧功能。
常用 V 形块两工作斜面间的夹角一般分为60°、90°、120°三种,其中90°角的 V 形块应用最多,其结构及规格尺寸均已标准化。
( 2 )圆柱孔
用圆柱孔作定位元件时,通常采用定位套形式进行精基准定位
对于大型轴类工件,还可以考虑采用半圆孔形衬套作为定位元件。需要注意的是,下半圆孔的最小直径应取工件定位基准外圆的最大直径。

练习题:
本文关键词:车床夹具大致分为哪三类,车床夹具与机床主轴的连接形式一般有哪几种,车床夹具结构特点是什么?,心轴类车床夹具特点,车床夹具的基本类型。这就是关于《常见的心轴类车床夹具有哪些类型,心轴类车床夹具特点(<带练习题和答案>)》的所有内容,希望对您能有所帮助!
- 最近发表