手机版

百科生活 投稿

什么是中断系统,什么是中断系统,中断系统的功能是什么(单片机初学者轻松入门之<十>)

百科 2026-02-09 15:22:59 投稿 阅读:9551次

关于【什么是中断系统】,什么是中断系统,中断系统的功能是什么,今天小编给您分享一下,如果对您有所帮助别忘了关注本站哦。

  • 内容导航:
  • 1、单片机初学者轻松入门之(十):中断系统
  • 2、什么是中断系统

1、单片机初学者轻松入门之(十):中断系统

在单片机控制系统中,对于有可能发生,但又不能确定其是否发生、何时发生的事件处理,通常采用中断方式处理。

一、中断的概念

CPU在处理某一事件A时,发生了另一事件B请求CPU迅速去处理(中断发生);

CPU暂时中断当前的工作,转去处理事件B(中断响应和中断服务);

待CPU将事件B处理完毕后,再回到原来事件A被中断的地方继续处理事件A(中断返回),这一过程称为中断 。

什么是中断系统,什么是中断系统,中断系统的功能是什么(单片机初学者轻松入门之<十>)

中断系统是单片机的重要组成部分,它使单片机具有实时中断处理能力,进行实时控制,故障自动处理等。下面介绍中断系统的几个基本概念。

1、中断源

引起CPU中断的根源,称为中断源。

2、中断的开放与关闭

所谓中断开放(也称开中断),就是允许CPU接受中断源提出的中断请求。所谓中断的关闭(也称关中断),就是不允许CPU接受中断源提出的中断请求。

3、中断优先级控制

对于有多个中断源的单片机系统,对中断源进行响应的先后次序必须事先设定,即中断优先级控制。

4、中断处理过程

中断处理过程可归纳为中断请求、中断响应、中断处理及中断返回四部分。

二、MCS-51单片机的中断系统

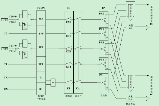
MCS-51单片机中断系统的结构框图如下图所示,由5个中断源,4个用于中断控制的专用寄存器TCON、SCON、IE和IP及优先级硬件查询电路构成。

中断系统

什么是中断系统,什么是中断系统,中断系统的功能是什么(单片机初学者轻松入门之<十>)

1、中断源和中断请求标志

MCS-51单片机的5个中断源及中断请求标志见表,其中两个是外部中断源,另外3个属于内部中断源。

什么是中断系统,什么是中断系统,中断系统的功能是什么(单片机初学者轻松入门之<十>)

MCS-51的5个中断源的中断请求标志位位于定时器控制寄存器TCON和串行口控制寄存顺SCON中,TCON及SCON中各位的名称如表所示。

什么是中断系统,什么是中断系统,中断系统的功能是什么(单片机初学者轻松入门之<十>)

什么是中断系统,什么是中断系统,中断系统的功能是什么(单片机初学者轻松入门之<十>)

TF1(TF0):定时/计数器T1(T0)的溢出中断请求标志位,当T1/T0计数产生溢出时,由硬件将TF1(TF0)置1,向CPU请求中断。当CPU响应其中断后,由硬件将TF1(TF0)自动清0。

IE1(IE0):外部中断1(外部中断0)的中断请求标志位。IE1(IE0)=1,表示外部中断1(外部中断0)请求中断,当CPU响应其中断后,由硬件将IE1(IE0)自动清0;IE1(IE0)=0,表示外部中断没有请求中断。

IT1(IT0):外部中断1(0)的中断触发方式控制位。若将IT1(IT0)置0,则外部中断1(0)为电平触发方式。若将IT1(IT0)置1,则外部中断1(0)为边沿触发方式。

TI:串行口发送中断请求标志位。当串行口发送完一帧数据后,由硬件将TI置1,向CPU请求中断。CPU响应中断后,必须用软件将TI清0。

RI:串行口接收中断请求标志位。当串行口接收完一帖数据后,由硬件将RI置1,向CPU请求中断。CPU响应中断后,必须用软件将RI清0。

2、中断的开放和关闭

MCS-51单片机中断的开放与关闭是由中断允许寄存器IE的相应位来进行控制的。IE中各位的名称如表所示。

什么是中断系统,什么是中断系统,中断系统的功能是什么(单片机初学者轻松入门之<十>)

IE中各位的定义如下:

EA:中断允许总控制位。EA=1时,开放所有的中断请求,但是否允许各中断源的中断请求,还要取决于各中断源的中断允许控制位的状态。

ES:串行口中断允许位。

ET1(ET0):定时器T1(T0)中断允许位。

EX1(EX0):外部中断1(0)中断允许位。

中断允许位为0时关闭相应中断,为1时开放相应中断。单片机系统复位后,IE中各中断允许位均被清0,即关闭所有中断。如需要开放相应中断源,则应使用软件进行置位。例如开放外部中断0和定时器1,可使用如下指令:

EA=1; //开放总允许

EX0=1; //开放外部中断0中断

ET1=1; //开放定时器1中断

或者

IE=0x85; //将相应位置1,开放相应中断

3、中断源的优先级控制

51单片机的中断源可设置为两个中断优先级:高优先级中断和低优先级中断,从而可实现两级中断嵌套。

中断优先级控制寄存器IP中各位的名称如表所示。

什么是中断系统,什么是中断系统,中断系统的功能是什么(单片机初学者轻松入门之<十>)

IP中各位的定义如下:

PT0(PT1):定时器0(1)的中断优先级控制位。

PX1(PX0):外部中断1(0)的中断优先级控制位。

PS:串行口的中断优先级控制位。

中断控制位为1时,相应中断为高优先级,为0时相应中断为低优先级。可以通过指令将相应位置1或清0。单片机复位后,IP全部清0。

4、响应中断的条件

单片机响应中断时,必须满足以下几个条件:

(1)有中断源发出中断请求。

(2)中断允许总控制位及申请中断的中断源的中断允许位均为1。

(3)没有同级别或更高级别的中断正在响应。

(4)必须在当前的指令执行完后,才能响应中断。若正在执行RETI或访问IE、IP的指令,则必须再另外执行一条指令后才可以响应中断。

5、中断响应遵循的规则

中断响应遵循如下规则:

先高后低,停低转高,高不理低、自然顺序。

自然优先级按从低到高的顺序是:串行口→定时器T1→外部中断1→定时器T0→外部中断0

6、中断响应过程

CPU响应中断时,由硬件自动执行如下操作:

(1)保护断点,即把程序计数器PC的内容压入堆栈保存。

(2)清内部硬件可清除的中断请求标志位(IE0、IE1、TF0、TF1)。

(3)将被响应的中断源的中断服务程序入口地址送入PC,从而转移到相应的中断服务程序执行。

MCS-51单片机各中断源中断入口地址

什么是中断系统,什么是中断系统,中断系统的功能是什么(单片机初学者轻松入门之<十>)

7、中断系统应用注意事项

在应用中断系统时应在设计硬件和软件时考虑解决如下问题:

(1)明确任务,确定采用哪些中断源及中断触发方式。

(2)中断优先级分配。

(3)中断服务程序要完成的任务。

(4)程序初始化设置即开放相关中断源。

2、什么是中断系统

[拼音]:zhongduan xitong

[外文]:interrupt system

处理机完成中断功能的机构。在程序运行时,系统外部、系统内部或者现行程序本身若出现紧急事件,处理机必须立即强行中止现行程序的运行,改变机器的工作状态并启动相应的程序来处理这些事件,然后再恢复原来的程序运行。这一过程即为中断。中断系统由专门的硬件和有关软件构成。中断系统的硬件称中断部件。中断软件主要包括中断控制程序和中断服务程序等,它们是操作系统的重要组成部分。

在通用计算机中,为了提高系统的效率,采用中央处理器与外围设备并行工作的方式,中断为外围设备和中央处理器之间连系的手段。随着计算机系列化产品和操作系统的出现,中断系统的地位更加重要。大多数操作系统是由中断系统驱动的。这是因为各种输入-输出设备、操作人员和计时器访问操作系统、用户程序访问操作系统甚至操作系统内部之间的联系,都必须先发中断请求,再通过中断进入操作系统。

功能

现代计算机中采用中断系统的主要目的是:

(1)维持系统的正常工作,提高系统效率。一个计算机系统有一台或多台处理机、大量的输入-输出设备和辅助存储器。它们都是并行、独立工作的。当外围设备需要处理机干预时,则向处理机发出中断请求。处理机之间也要通过中断来协调工作和交换信息。现代计算机中,程序员不能直接干预和操纵机器,而是通过中断向操作系统发出请求,由操作系统来完成。主存储器中往往有多个程序,为了避免它们之间相互破坏信息,需要采取硬件保护措施,凡发现可能破坏信息的事件时,立即通过中断进行相应的处理。

(2)满足实时处理要求。在实时系统中,各种测量设备和控制设备以中断形式向处理机发出请求,处理机立即做出响应并处理这些要求。

(3)为故障处理作准备。处理机中采用各种检测故障和错误的手段,一旦发现故障和错误立即通过中断系统进行故障现场记录和隔离,为进一步处理提供必要的依据。

中断源分类

中断源是指能够引起中断的原因。一台处理机可能有很多中断源,但按其性质和处理方法,大致可分为如下五类。

(1)机器故障中断。

(2)程序性中断。现行程序本身的异常事件引起的,可分为以下三种:一是程序性错误,例如指令或操作数的地址边界错,非法操作码和除数为零等;二是产生特殊的运算结果,例如定点溢出;三是程序出现某些预先确定要跟踪的事件,跟踪操作主要用于程序调试。有些机器把程序性中断称为“异常”,不称为中断。

(3)输入-输出设备中断。

(4)外中断。来自控制台中断开关、计时器、时钟或其他设备,这类中断的处理较简单,实时性强。

(5)调用管理程序。用户程序利用专用指令“调用管理程序”发中断请求,是用户程序和操作系统之间的联系桥梁。

中断优先权

几个中断请求可能同时出现,但中断系统只能按一定的次序来响应和处理。可最先被响应的中断具有最高优先权,按优先级别顺序进行处理。优先权高低是由中断部件的中断排队线路确定的。

中断级

当机器设置很多中断源时,为了简化设计,对中断源分组管理。具有相同中断优先权的中断源构成一个中断级。同一级中断使用同一个中断控制程序起点。

中断屏蔽

对应于各中断级设置相应的屏蔽位。只有屏蔽位为1时,该中断级才能参加中断优先权排队。中断屏蔽位可由专用指令建立,因而可以灵活地调整中断优先权。有些机器针对某些中断源也设置屏蔽位,只有屏蔽位为1时,相应的中断源才起作用。

中断响应和处理

大多数中断系统都具有如下几方面的操作,这些操作是按照中断的执行先后次序排列的。

(1)接收中断请求。

(2)查看本级中断屏蔽位,若该位为1则本级中断源参加优先权排队。

(3)中断优先权选择。

(4)处理机执行完一条指令后或者这条指令已无法执行完,则立即中止现行程序。接着,中断部件根据中断级去指定相应的主存单元,并把被中断的指令地址和处理机当前的主要状态信息存放在此单元中。

(5)中断部件根据中断级又指定另外的主存单元,从这些单元中取出处理机新的状态信息和该级中断控制程序的起始地址。

(6)执行中断控制程序和相应的中断服务程序。

(7)执行完中断服务程序后,利用专用指令使处理机返回被中断的程序或转向其他程序。

程序状态字和向量中断

这是两个与中断响应和处理有密切关系的概念。

(1)程序状态字:每个程序均有自己的程序状态字。现行程序的程序状态字放在处理机的程序状态字寄存器中。程序状态字中最主要的内容有指令地址、条件码、地址保护键,中断屏蔽和中断响应时的中断源记录等。中断响应和处理操作的第④步和第⑤步就是交换程序状态字操作。

(2)向量中断:对应每一级中断都有一个向量,这些向量顺序存放在主存的指定单元中。向量的内容是:相应的中断服务程序起始地址和处理机状态字(主要是指令地址)。在中断响应时,由中断部件提供中断向量的地址,就可取出该向量。中断响应和处理操作的第⑤步就是取中断向量操作。在采用向量中断的机器中一般不再使用程序状态字。

本文关键词:什么是中断系统初始化,什么是中断系统设计,什么是中断系统?,什么是中断系统,中断系统的优先级,什么是中断和中断系统?。这就是关于《什么是中断系统,什么是中断系统,中断系统的功能是什么(单片机初学者轻松入门之<十>)》的所有内容,希望对您能有所帮助!

本文链接:https://bk.89qw.com/a-545034

最近发表
网站分类