手机版

百科生活 投稿

平面镜成像成的是什么像 原理是什么,平面镜成像成的是什么像(几何光学之平面镜成像全解)

百科 2025-10-22 04:09:35 投稿 阅读:9720次

关于【平面镜成像成的是什么像 原理是什么】,平面镜成像成的是什么像,今天小编给您分享一下,如果对您有所帮助别忘了关注本站哦。

  • 内容导航:
  • 1、几何光学之平面镜成像全解
  • 2、平面镜成像成的是什么像 原理是什么

1、几何光学之平面镜成像全解

像、实像、虚像:

像:物体发出的光线经过光学器件后的交点称为像。

实像:实际光线会聚点所称的像。

虚像:反射光线反向延长线的汇聚点所成的像。

注:像是所有离开光学器件的光线的交点,物是所有入射光线的交点。好好理解这句话,这是研究成像问题最基础的知识。

平面镜成像:

平面镜成像成的是什么像 原理是什么,平面镜成像成的是什么像(几何光学之平面镜成像全解)

物体发出的光线,照射在平面镜上发生镜面反射,反射光线的反向延长线的交点,形成物体的虚像。

平面镜成像特点:

1、平面镜成等大、正立的虚像。

2、物、像的连线被平面镜垂直平分。

注:平面镜成像作图时可以利用平面镜成像特点完成,如下图所示

平面镜成像成的是什么像 原理是什么,平面镜成像成的是什么像(几何光学之平面镜成像全解)

平面镜的应用:

1、形成等大清晰的像。如平时我们用的穿衣镜。

2、改变光的传播方向。如用潜望镜可以在水下观察水面上的船只。

平面镜成像成的是什么像 原理是什么,平面镜成像成的是什么像(几何光学之平面镜成像全解)

例题:

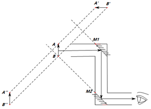
下图是用两个平面镜做成的潜望镜,在潜望镜的正前方有一物体AB,眼睛看到的像在什么位置,请做出光路图。

平面镜成像成的是什么像 原理是什么,平面镜成像成的是什么像(几何光学之平面镜成像全解)

思路分析:

眼睛看到的是平面镜M2所成的像,本题的重点M2所成的像对应的物在什么地方。

在这里我们要知道一个概念:虚物。

平面镜M2所接收到的光线都是经过M1反射过来的光线,所以M1所成的像就相当于M2的物,即虚像为物。

虚物成像也一样遵守平面镜成像的规律。

解题过程:

平面镜成像成的是什么像 原理是什么,平面镜成像成的是什么像(几何光学之平面镜成像全解)

1、首先做出AB在M1中的像A’B’。

2、做出A’B’在M2中的像A’’B’’。

眼睛看到的像在A’’B’’处,光路如上图所示。

例题二:

人脸部宽度为L,两只眼睛相距为d,平面镜与脸平行,人在平面镜前要看到自己脸的全部宽度,平面镜至少要多宽?

思路分析:

平面镜成像成的是什么像 原理是什么,平面镜成像成的是什么像(几何光学之平面镜成像全解)

如上图,AB表示人脸的宽度,L表示左眼,R表示右眼,做出光路图。

A点要被左眼和右眼看到,需要在平面镜的C点和D点反射光线,B点要被左眼和右眼看到,需要在平面镜的E点和F点反射光线。

由此可知平面镜的宽度只要有DE的宽度即可满足。

像是所有离开光学器件的光线的交点,物是所有入射光线的交点,看看是不是可以更清楚的理解这句话了,理解了这个很多光学的题目将会迎刃而解。

解题过程:

平面镜成像成的是什么像 原理是什么,平面镜成像成的是什么像(几何光学之平面镜成像全解)

例题三:

如图所示,水平地面上有一障碍物ABCD,有一平面镜在某一高度上水平放置,试用作图法求出位于E点的眼睛通过平面镜可以看到障碍物后方地面的范围。

平面镜成像成的是什么像 原理是什么,平面镜成像成的是什么像(几何光学之平面镜成像全解)

思路分析:

眼睛能看到的部分,相当于障碍物后方地面发出的光线经平面镜反射进入眼睛。

依据光路可逆原理,相当于在E处放一光源,光线经平面镜反射后在地面上可以照射到的范围。

解题过程:

平面镜成像成的是什么像 原理是什么,平面镜成像成的是什么像(几何光学之平面镜成像全解)

1、做出E在平面镜中的像E’

2、连接EA,并延长与平面镜交于点O2,连接E’O2并延长与地面交于G。

3、连接E’B,并延长与地面交于点F。

做出如上图所示的光路图,FG即为可看到的范围。

平面镜成像成的是什么像 原理是什么,平面镜成像成的是什么像(几何光学之平面镜成像全解)

以上几个例题都能理解并熟练的应用后,平面镜成像将没有题目可以难住你了。

2、平面镜成像成的是什么像 原理是什么

平面镜成像成的是什么像 原理是什么

很多同学都想了解一些平面镜成像的信息,大家一起来看看吧。

平面镜成像

在初中物理知识中就学过平面镜成像,很多人不知道平面镜成的像是什么像,其实解决这个问题也不难,平面镜成的像是虚像,换个说法就是不能被光屏所接收到的像,平面镜成像的原理是利用光的反射,进入平面镜后会由于光的反射形成虚像,虚像的大小与实物相同。平面镜成像是物理学中最基础的一个光学原理。平面镜成像所呈的虚像不但大小相同,并且到镜子的距离也相同,两者连线到镜子呈90度直角。平面镜成像和人类的视角有关,在日常生活中我们照镜子就利用了平面镜成像原理。

平面镜成像的知识点

1、垂直或竖立或竖直放置玻璃板的作用:使玻璃板后的蜡烛与像完全重合,便于确定像的位置和大小。

如果玻璃板没有竖直放置的后果:玻璃板后的蜡烛与像无法完全重合,不利于确定像的位置和大小。

2、玻璃板的作用:便于确定像的位置。

 平面镜成像成的是什么像 原理是什么,平面镜成像成的是什么像(几何光学之平面镜成像全解)

3、取两支完全相同的蜡烛的目的:便于比较像和物的大小关系。

4、使用薄玻璃板的原因:防止蜡烛通过玻璃板的前后两个面形成两个虚像,影响实验效果。

5、刻度尺的作用:便于比较物与像到平面镜距离的关系。

以上就是一些平面镜成像的相关信息,供大家参考。

本文关键词:平面镜成像成的是什么像?,平面镜成像的意思,平面镜成什么像?,平面镜成像的特点,平面镜成像所成的像是什么像。这就是关于《平面镜成像成的是什么像 原理是什么,平面镜成像成的是什么像(几何光学之平面镜成像全解)》的所有内容,希望对您能有所帮助!

本文链接:https://bk.89qw.com/a-545658

最近发表
网站分类