百科生活 投稿
关于【2021工程造价专业就业方向】,2021工程造价就业前景,今天小编给您分享一下,如果对您有所帮助别忘了关注本站哦。
- 内容导航:
- 1、年终展望:造价人,做建筑行业复合型人才
- 2、2021工程造价专业就业方向
1、年终展望:造价人,做建筑行业复合型人才
《易经》乾卦爻辞“潜龙勿用”:阳气初生,位卑力薄,要养精蓄锐,像卧龙一样潜伏水中,待势而动。我们正处在从工业时代进入知识时代的进程中。工业时代的领导工作主要是控制,而不是发掘人类潜力,人成为成本,并被当做物品一样被管理,当作机器一样被控制,但人不是机器,是有感情的,是有自己的想法、意愿和精神,而不仅仅是被控制和操纵的个体,人们在寻求一种意义、一种声音,以及对一个增加真正价值的创新社会的归属感。
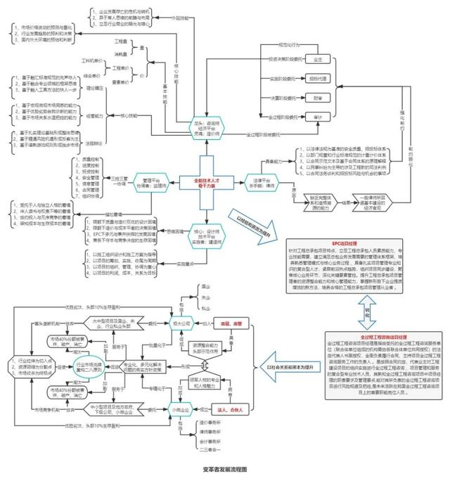
工程行业做专、做精是咨询领军人物和专业精英的普遍共识,企业能否做出改变,往往是由人决定的,而人是很难判断的。德蕾莎修女说过:“如果我向大多数人看齐,我将永远不会采取行动。如果我向某一个人看齐,我会采取行动的。”还是玛格丽特·米德说得最好:“绝不要怀疑一小撮努力的人可以改变世界;事实上,这才是唯一的真相。”工程行业需要多专业多领域的复合型人才,才能更好地引领行业的变革,这就需要搭建体系化平台,才能更好的看清变革者未来发展的脉络,仅以流程图所示。

点击图片放大查看
在每年的时装周秀上,我们可以看到很多使用过的流行元素。趋势,我们从这个词来看,可以看到趋势包含了流行的意义。它是重复的,但每当它滚动时,它将与当今时代的印记混合在一起。所谓的变革正是如此。
引导变革并不只包括那些重大的变革,还包括有助于创造和保持竞争优势的变革,我们需要理解三种最基本的变革:预期性变革是指主动期望的战略变革,而不是被动地等待着变革降临;反应性变革是指我们花费大量的人力和时间所进行的变革;危机性变革是指当我们没能放眼未来做出预期性变革,还忽视了表明需要反应性变革的信号时,具有极大破坏力的危机性变革就会不期而至了。
事实上,危机性变革是最容易处理的,毕竟,你随时都可能破产,而在预期性变革中,反映变革的那些信号遥不可及,难以预测,无法正确描述。从这个角度来看,预期性变革是真正最难处理的(如图1所示)。但是,当考虑到变革的成本时,危机性变革成本无疑是最大的,因为预期性变革是最难的,所以大多数人一直等待着,直到变革曲线上预期性变革下降到反应性变革,最终到达底部的危机性变革才开始行动。而在这一过程中,变革的成本以几何级数的速度增加(如图2所示)。

如果把图1和图2合起来看,你会发现这三种变革的难度和成本呈负相关关系。当变革的难度增加时,变革的成本就会下降;相反地,当成本上升时,难度就会下降。
值得庆幸的是世界已经变了,最成功的变革领导者不仅要认识到组织变革首先需要个人变革,还应认识到要改变其他人就首先要以身作则,改变自己。
遗憾的是,大多数人(包括我们自己)习惯于抵制变革,基于变革,始于变革,哪怕万里挑一!
参考文献:
1.《变革始于个人》.J·斯图尔特·布莱克、哈尔·B·格雷格森.中国人民大学出版社.2011;
2.《尹贻林先生对工程造价咨询行业未来的寄语》.尹贻林;
3.《左红军教授私房茶话会|工程人如何做好10年职业规划》.左红军;
4.《“考神”左红军22年造价工程师《案例分析》全年备考指导讲座一》.
左红军;
5.《思维力:高效的系统思维》.王世民.电子工业出版社.2017;
2、2021工程造价专业就业方向
毕业生主要适合于从事项目投资与融资和工程造价全过程管理工作。应基本具备进行项目评估、工程造价管理的能力,基本具备编制项目招标、投标文件和投标书综合评定的能力,基本具备编制和审核工程建设项目估算、概算、预算和决算的能力。
工程造价专业方向本专业学生毕业后可在工程(造价)咨询公司、建筑施工企业(乙方)、建筑装潢装饰工程公司、工程建设监理公司、房地产开发企业、设计院、会计审计事务所、政府部门企事业单位基建部门(甲方)等企事业单位,从事工程造价招标代理、建设项目投融资和投资控制、工程造价确定与控制、投标报价决策、合同管理、工程预(结)决算、工程成本分析、工程咨询、工程监理以及工程造价管理相关软件的开发应用和技术支持等工作。
工程造价专业好就业吗相对而言,工程造价还是比较好就业的,前提是你不能太挑肥拣瘦,因为刚毕业,首先你的学校得硬气,其次是你的专业也要硬气,工程类专业是主力的学校。
毕业的时候,我们班大部分男生去了施工单位,大部分女的从事了造价,所以就业还是不错的。但是如果你的学校一般,专业也一般,那么不要报太大的期望去大公司,大公司比较看重学历背景,可以去小公司历练历练,虽然小公司制度不是特别完善,但是很锻炼人,刚开始那几年最重要的还是个人能力的提升,很关键,如果你刚毕业那几年荒废了,那么以后很难再奋发赶上了,因为随着年龄的增大,压力越大,琐事越多,我现在就有这个感觉,原来是自己吃饱全家不饿,现在是各种琐事杂事都要操心,哈哈,生活不易。刚进入工程造价这个行业可能刚开始会很难,但是坚持过去就会好,有些事情现在还不好,说明还不到最后。
本文关键词:造价工程的就业方向,2021工程造价就业前景,2021年工程造价专业,工程造价专业就业方向与就业前景,2020年工程造价专业就业前景。这就是关于《2021工程造价专业就业方向,2021工程造价就业前景(做建筑行业复合型人才)》的所有内容,希望对您能有所帮助!
- 最近发表