手机版

百科生活 投稿

什么是理想高通滤波器,什么叫高通滤波器(简单的RC电路的识图方法)

百科 2026-02-07 09:07:51 投稿 阅读:804次

关于【什么是理想高通滤波器】:什么是理想高通滤波器,今天小编给您分享一下,如果对您有所帮助别忘了关注本站哦。

  • 内容导航:
  • 1、什么是理想高通滤波器
  • 2、简单的RC电路的识图方法

1、什么是理想高通滤波器

  理想高通滤波器被全国科学技术名词审定委员会定义为让某一频率以上的信号分量通过,而对该频率以下的信号分量大大抑制的电容、电感与电阻等器件的组合装置。

  原理:理想高通滤波器是一个使高频率比较容易通过而阻止低频率通过的系统。它去掉了信号中不必要的低频成分或者说去掉了低频干扰。其特性在时域及频域中可分别用冲激响应及频率响应描述。后者是用以频率为自变量的函数表示,一般情况下它是一个以复变量为自变量的的复变函数.

2、简单的RC电路的识图方法

RC电路是一种由电阻器和电容器按照一定的方式进行连接的电路。RC电路的主要功能是在电路中起到振荡和滤波的作用。在对RC电路进行识图时应先了解RC电路的结构及功能特点,最后,根据其结构特点,再进行识读,以帮助分析和理解整个家电产品的电路。

一、RC电路的基本结构

1、RC串联电路的基本结构

在纯电容电路中,电压和电流相互之间的相位差为90°。在纯电阻电路中,电压和电流的相位相同。在同时包含电阻和电容的电路中,外施电压和电流之间的相位差在0°和90°之间。

电阻器和电容器串联连接后的组合再与交流电源连接称为RC串联电路。下图是电阻器和电容器串联连接于交流电源的电路。电路中流动的电流引起了电容器和电阻器上的电压降,这些电压降与电路中电流及各自的电阻值或容抗值成比例。电阻器电压UR和电容器电压Uc用欧姆定律表示为(Xc为容抗):

什么是理想高通滤波器,什么叫高通滤波器(简单的RC电路的识图方法)

当RC串联电路连接于一个交流源时,外施电压和电流的相位差在0°- 90°之间。相位差的大小取决于电阻和电容的比例。相位差均用角度表示。

2、RC并联电路的基本结构

电阻器和电容器并联连接于交流电源的组合称为RC并联电路。下图中,电阻器和(理想)电容器并联连接于交流电压源。

什么是理想高通滤波器,什么叫高通滤波器(简单的RC电路的识图方法)

与所有并联电路相似,在RC并联电路中,外施电压u直接加在各个支路上。因此各支路的电压相等,都等于外施电压,并且三者之间的相位相同。因为整个电路的电压相同, 当知道任何一个电路电压时,将会知道所有电压值。

3、RC正弦波振荡电路的基本结构

RC正弦波振荡电路是利用电阻器和电容器的充放电特性构成的。RC的值选定后它们的充放电的时间(周期)就固定为一个常数,也就是说 它有个固定的谐振频率。一般用来产生频率在200kHz以下的低频正弦信号。常见的RC 正弦波振荡电路有桥式、移相式和双T式等几种,如下图所示。由于RC桥式正弦波振荡电路具有结构简单、易于调节等优点,应用广泛。

什么是理想高通滤波器,什么叫高通滤波器(简单的RC电路的识图方法)

二、 RC电路的识图分析

RC电路的主要功能是在电路中起到振荡和滤波的作用,分析电路时,根据其这一特点,结合实际电路结构和功能,再进行进一步的分析和解读即可。

1、RC组成的振荡集成电路

RC桥式正弦波振荡电路的结构和简化电路,如下图所示。在RC桥式正弦波振荡电路中,RC串、并联电路起反馈和选频作用:放大部分是一个两级放大电路。R5与R9分别是两放大晶体管的电流串联负反馈电阻,Rf是级间电压串联负反馈电阻;负反馈的作用是减小失真、稳定输出。

什么是理想高通滤波器,什么叫高通滤波器(简单的RC电路的识图方法)

电路中的RC串、并联网络的频率特性及频率响应如下所示。

什么是理想高通滤波器,什么叫高通滤波器(简单的RC电路的识图方法)

上图(a)所示是RC串、并联电路,ui为输入电压(对RC串、并联电路而言),uo为输出电压。图(b)、(c)所示为反映uo与ui幅度相对大小与输入信号频率f之间关系的曲线(称幅频特性),以及uo与ui相位差大小与信号频率之间的关系曲线(称相频特性)。

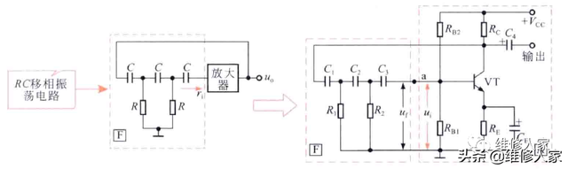
2、 RC移相振荡电路

RC移相振荡电路由一级基本放大电路和三节AC移相电路组成, 如图2-20所示。

什么是理想高通滤波器,什么叫高通滤波器(简单的RC电路的识图方法)

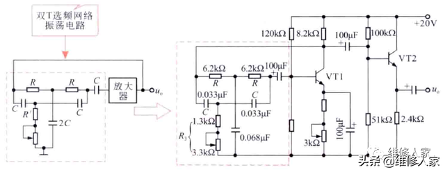
3、双T选频网络振荡电路

双T选频网络振荡电路如图2.21所示,

什么是理想高通滤波器,什么叫高通滤波器(简单的RC电路的识图方法)

4、RC构成的滤波电路

一些通信类的电子产品中,RC构成的滤波电路是这类电子产 品中不可缺少的部分。滤波器可以过滤掉特定频率的信号或允许特定频率的信号通过。滤 波电路可以将所需信号和不需要的信号分离开来,阻止干扰信号,提高所需要信号的质量。

RC构成滤波器主要分为低通和高通滤波器两种。电容器在电路中的位置决定了滤波器是低通还是高通。

a.低通滤波器

什么是理想高通滤波器,什么叫高通滤波器(简单的RC电路的识图方法)

低通滤波器的特性是从零到一个特定频率的所有信号可以自由地通过并传输到负载,高频信号被阻止或削弱。

b.高通滤波器

什么是理想高通滤波器,什么叫高通滤波器(简单的RC电路的识图方法)

高通滤波器阻止从零到一个特定频率的所有信号,但特定频率以上的 高频信号可自由通过。

本文关键词:理想高通滤波器是什么系统,高通滤波器有哪些,高通滤波器用途,高通滤波器的实际应用,什么是理想低通滤波器。这就是关于《什么是理想高通滤波器,什么叫高通滤波器(简单的RC电路的识图方法)》的所有内容,希望对您能有所帮助!

本文链接:https://bk.89qw.com/a-562791

最近发表
网站分类