手机版

百科生活 投稿

排烟系统包括哪些,新风系统和消防排风系统(消防排烟系统知多少)

百科 2026-02-05 10:46:19 投稿 阅读:3779次

关于【排烟系统包括哪些】:排烟系统包括哪些,今天小编给您分享一下,如果对您有所帮助别忘了关注本站哦。

  • 内容导航:
  • 1、排烟系统包括哪些
  • 2、消防排烟系统知多少?

1、排烟系统包括哪些

  排烟系统主要是由引风机、烟道、闸门和烟囱等组成。防烟系统主要就是能够在建筑内部发生烟火灾情时,可以有效地把灾难中的烟气控制防烟区域的范围中,阻止烟气蔓延到其它区域,这样可以有效的减少建筑内部大面积的受害,也可以极大的减少救人救灾的难度,减少人员的伤亡和财产损失,并且也可以有效的阻止救灾人员被灾难所困。为救人救火创造有利的条件。排烟设施一般设置在高层建筑,交通隧道,公共娱乐场所以及地下工程,火灾事故往往会造成人员重大伤亡,无论是普通居民,还是就在人员,都吸取了惨痛的教训,使人们更加清楚地认识到设计好并且装置好防排烟系统的重要性和必要性。排烟系统在火灾发生时能够有效地控制住烟气的扩散,并且在火灾发生时,及时迅速的排烟对救人和救灾工作起着关键的作用。

2、消防排烟系统知多少?

根据调查显示,火灾事故中,烟雾造成的人员伤亡占到70%左右。可见,烟气对人们的生命健康的危害非常严重,为此,消防法规要求在一些特定的场所或部位,应设置排烟设施。当发生火灾时,能够将着火区域的烟气排出室外,避免建筑内部人员出现窒息或中毒。今天,小编就结合在日常工作中发现的问题和大家进行一下分享。

排烟系统包括哪些,新风系统和消防排风系统(消防排烟系统知多少)

一、无排烟设施

在实际中,有些租户在租用一些建筑另作他用时,合同也签了,钱也付了,等设计图纸出来以才知道还需要增设排烟设施(特别是机械排烟)。自己还郁闷租的建筑本身就没有该设施,为何自己一用就需要,殊不知是因其改变了建筑的使用性质。

根据《建筑设计防火规范 GB50016-2014》

8.5.2 厂房或仓库的下列场所或部位应设置排烟设施:
1 人员或可燃物较多的丙类生产场所,丙类厂房内建筑面积大于300m²且经常有人停留或可燃物较多的地上房间;
2 建筑面积大于5000m²的丁类生产车间;
3 占地面积大于1000m²的丙类仓库;
4 高度大于32m的高层厂房(仓库)内长度大于20m的疏散走道,其他厂房(仓库)内长度大于40m的疏散走道。
8.5.3 民用建筑的下列场所或部位应设置排烟设施:
1 设置在一、二、三层且房间建筑面积大于100m²的歌舞娱乐放映游艺场所,设置在四层及以上楼层、地下或半地下的歌舞娱乐放映游艺场所;
2 中庭;
3 公共建筑内建筑面积大于100m²且经常有人停留的地上房间;
4 公共建筑内建筑面积大于300m²且可燃物较多的地上房间;
5 建筑内长度大于20m的疏散走道。
8.5.4 地下或半地下建筑(室)、地上建筑内的无窗房间,当总建筑面积大于200m²或一个房间建筑面积大于50m²,且经常有人停留或可燃物较多时,应设置排烟设施。

《建筑防烟排烟系统技术标准 GB51251-2017》

4.1.1 建筑排烟系统的设计应根据建筑的使用性质、平面布局等因素,优先采用自然排烟系统。

当其不满足自然排烟要求时,应采用机械排烟系统。

二、排烟口(窗)数量不够

现实中,部分建场所因后期改造或装修导致排烟口分布不均,从而影响正常的排烟量。

《建筑防烟排烟系统技术标准 GB51251-2017》

采用自然排烟系统时:

4.3.2 防烟分区内自然排烟窗(口)的面积、数量、位置应按本标准第4.6.3条规定经计算确定,且防烟分区内任一点与最近的自然排烟窗(口)之间的水平距离不应大于30m。当工业建筑采用自然排烟方式时,其水平距离尚不应大于建筑内空间净高的2.8倍;当公共建筑空间净高大于或等于6m,且具有自然对流条件时,其水平距离不应大于37.5m。

排烟系统包括哪些,新风系统和消防排风系统(消防排烟系统知多少)

排烟系统包括哪些,新风系统和消防排风系统(消防排烟系统知多少)

采用机械排烟系统时:

4.4.12 排烟口的设置应按本标准第 4.6.3条经计算确定,且防烟分区内任一点与最近的排烟口之间的水平距离不应大于30m。

排烟系统包括哪些,新风系统和消防排风系统(消防排烟系统知多少)

三、排烟口风速不够

前段时间,一朋友询问我排烟口风速不够是什么原因,待我去现场查看后发现,原来其排烟口都没设置排烟阀,只是安装了普通百叶口,所有排烟口处于处于敞开状态,当启动排烟风机后,自然而然风速都达不到规范要求。

《建筑防烟排烟系统技术标准 GB51251-2017》

5.2.4 当火灾确认后,担负两个及以上防烟分区的排烟系统,应仅打开着火防烟分区的排烟阀或排烟口,其他防烟分区的排烟阀或排烟口应呈关闭状态。

条文说明:

5.2.4 本标准明确规定发生火灾时只对着火的防烟分区进行排烟。本条规定了火灾确认后,排烟区与非排烟区排烟阀(口)所处的状态。为保证排烟效果,对担负两个及两个以上防烟分区的排烟系统宜采用漏风量小的高气密性的排烟阀,非排烟区的排烟阀(口)处于关闭状态,既有利于减少对排烟区的干扰和分流,防止烟气被引入非着火区,又可保证非排烟区的空间气体压力略高于排烟区的压力,更好地防止烟气的蔓延。

排烟系统包括哪些,新风系统和消防排风系统(消防排烟系统知多少)

排烟系统包括哪些,新风系统和消防排风系统(消防排烟系统知多少)

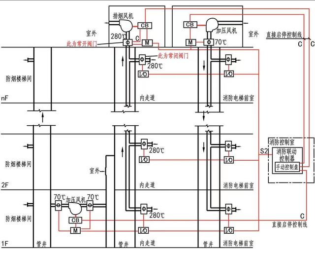
四、排烟风机未联动启动

近期,某一单位在被检查时,出现排烟风机未联动启动。后经询问消防控制室操作人员得知,其只是把消防联动控制器打在了自动状态,而排烟风机控制柜却处于手动状态,此问题暴露出一些单位消防控制室人员的专业素质问题。

对于排烟风机的控制,《建筑防烟排烟系统技术标准 GB51251-2017》

5.2.2排烟风机、补风机的控制方式应符合下列规定:
1 现场手动启动;
2 火灾自动报警系统自动启动;
3 消防控制室手动启动;
4 系统中任一排烟阀或排烟口开启时,排烟风机、补风机自动启动;
5 排烟防火阀在280℃时应自行关闭,并应连锁关闭排烟风机和补风机。

5.2.3机械排烟系统中的常闭排烟阀或排烟口应具有火灾自动报警系统自动开启、消防控制室手动开启和现场手动开启功能,其开启信号应与排烟风机联动。当火灾确认后,火灾自动报警系统应在15s内联动开启相应防烟分区的全部排烟阀、排烟口、排烟风机和补风设施,并应在30s内自动关闭与排烟无关的通风、空调系统。

排烟系统包括哪些,新风系统和消防排风系统(消防排烟系统知多少)

《火灾自动报警系统设计规范 GB50116-2013》

4.5.2 排烟系统的联动控制方式应符合下列规定:
1 应由同一防烟分区内的两只独立的火灾探测器的报警信号,作为排烟口、排烟窗或排烟阀开启的联动触发信号,并应由消防联动控制器联动控制排烟口、排烟窗或排烟阀的开启,同时停止该防烟分区的空气调节系统。
2 应由排烟口、排烟窗或排烟阀开启的动作信号,作为排烟风机启动的联动触发信号,并应由消防联动控制器联动控制排烟风机的启动。

本文关键词:排烟系统可分为,排烟系统包括哪些种类,排烟系统包括哪些东西,消防排烟系统包括哪些,排烟系统主要有哪些。这就是关于《排烟系统包括哪些,新风系统和消防排风系统(消防排烟系统知多少)》的所有内容,希望对您能有所帮助!

本文链接:https://bk.89qw.com/a-565995

最近发表
网站分类