手机版

百科生活 投稿

平键的用途和工作原理是什么,普通平键的工作原理(互换性与测量技术基础复习题及答案)

百科 2026-01-10 11:56:27 投稿 阅读:9531次

关于【平键的用途和工作原理是什么】:平键的用途和工作原理是什么,今天小编给您分享一下,如果对您有所帮助别忘了关注本站哦。

  • 内容导航:
  • 1、平键的用途和工作原理是什么
  • 2、互换性与测量技术基础复习题及答案

1、平键的用途和工作原理是什么

  平键的用途和工作原理如下:

  平键常用于轴与轴上的传动件之间的可拆卸联结,用以传递转矩和运动;当配合件之间要求作轴向移动时还可以起导向作用,平键联结是由键、轴键槽、轮毂键槽构成;在工作时通过键的侧面与轴槽和轮毂槽的侧面相互接触来传递转矩;滑键固定在轮毂上,轴上零件带着键作轴向移动,用于轴上零件沿轴移动量较大的场合。

2、互换性与测量技术基础复习题及答案

互换性与测量技术基础复习题及答案一、填空 1、允许零件几何参数的变动量称为(公差) 2、按互换的程度不同,零部件的互换性可分为(完全)互换和(不完全)互换。 3、配合的选用方法有(计算法)(实验法)(类比法). 4、公差类型有 (尺寸(角度))公差,(形状)公差,(位置)公差和(表面粗糙度)。 5、向心滚动轴承(除圆锥滚子轴承)共分为:(B)(C)(D)(E)(G)五等级,其中(B)级最高,(G)级最低。 6、配合是指(基本尺寸)相同的,相互结合的孔和轴的公差带的关系。 7、光滑极限量规简称为(量规),它是检验(孔、轴零件)的没有(刻度)的专用检验工具。 8、根据配合的性质不同,配合分为(间隙)配合,(过盈)配合,(过渡)配合。 9、用量规检验工件尺寸时,如果(通)规能通过,(止)规不能通过,则该工件尺寸合格。 10、按照构造上的特征,通用计量器具可分为(游标量具),(微动螺旋副量具),(机械量具),(光学量具),(气动量具),(电动量仪。) 11、 形状公差包括(直线度),(平面度),(圆度),(圆柱度),(线轮廓度),(面轮廓度)。 12、国际单位制中长度的基本单位为(米) 13、位置公差包括(平行度),(垂直度),(倾斜度),(同轴度),(对称度),(位置度),(圆跳动),(全跳动)。 14、在实际测量中,常用(相对)真值代替被测量的真值,例如,用量块检定千分尺,对千分尺的示值来说,量块的尺寸就可视为(相对)真值。 15、螺纹按其用途不同,可分为(紧固)螺纹,(传动)螺纹和(密封)螺纹。 16、表面粗糙度Ra、Rz、Ry三个高度参数中,(Ra)是主要参数 17、表面粗糙度的评定参数有(轮廓算术平均偏差Ra),(微观不平度十点高度Rz)(轮廓最大高度Ry),(轮廓微观不平度的平均距离Sw),(轮廓的单峰平均间距S),(支撑长度率Tp) 18、当通用量仪直接测量角度工件时,如果角度精度要求不高时,常用(万能量角器)测量;否则,用光学角分度头或(测角仪)测量。 19、表面粗糙度检测方法有:(用光切粗糙度样块比较——比较法)(用电动轮廓仪测量——针描法)(用光切显微镜测量——光切法)(用干涉显微镜测量——干涉法)。 20、键的种类有(平键)(楔键)(半圆键)。 21、平键配合是一种( 基轴)制的配合,配合种类只有三种,(较松)键连接,(一般)键联接和(较紧)键联接,其中(较松)键联接是间隙配合。(一般)键联接和(较紧)键联接是过渡配合。 22、角度和锥度的检测方法有(用定值基准量具比较)(用通用量仪直接测量)和( 用通用量具间接测量) 23、平键和半圆键都是靠键和键槽的(侧)面传递扭矩。 24、检验工件最大实体尺寸的量规称为(通规)。检验工件最小实体尺寸的量规称为(止规)。 名词解释 1.基本尺寸:(设计时给定的尺寸) 2.实际尺寸:(通过测量得到的尺寸) 3.尺寸公差:(允许尺寸的变动量) 4.极限尺寸:(允许尺寸变化的两个极端) 5.上偏差:(最大极限尺寸减其基本尺寸所得的代数差)

6.下偏差:(最小极限尺寸减其基本尺寸所得的代数差)

7.基孔制:(基本偏差为一定的孔的公差带与不同基本偏差的轴的公差带形成各种配合的一种制度)

8.基轴制:(基本偏差为一定的孔的公差带与不同的基本偏差的轴的公差带形成各种配合的一种制度)

9.分度值:计量器具标尺上每一刻度间隔所代表的被测量的数值)

10.综合测量:(同时测量零件上的几个有关参数,从而综合评定零件是否合格)

11.单项测量:(个别地彼此没有联系地测量零件的单项被测量)

12.接触测量:(仪器的测量头与测量零件的表面直接接触的测量)

13.非接触测量:(仪器的测量头与被测零件表面不接触的测量。)

14.形状误差:(单一被测实际要素对其理想要素的变动量。)

15.定位误差:(被测实际要素对具有确定位置的理想要素的变动量。)

16.表面粗糙度:(是指加工表面上具有的较小的间距的微小峰谷组成的微观几何形状特性)。

17.圆锥角:是指在通过圆锥轴线的截面内,两条素线间的夹角。

18.锥度C:是指两个垂直于圆锥轴线截面的圆锥直径之差与该两截面间的轴向距离之比。

19.孔的作用尺寸:(指在配合的全长上,与实际孔内接的最大理想轴的尺寸)。

轴的作用尺寸:(指在配合的全长上,与实际轴外接的最大理想轴的尺寸)

20.测量误差:(是指测得值与被测量的真值之间的差异)。

21.测量范围:(计量器具所能测出被测量的最大与最小值)

三、简答题

1、选定公差等级的基本原则是什么?

答 : 在首先满足使用要求的前提下,尽量降低精度要求,使综合经济效果为最好

2、 基准制的选用原则是什么?

答 : 主要考虑工艺的经济性和结构的合理性,一般情况下,优先采用基孔制 , 这样可以减少备用的定值孔用刀具、量具的种类,经济效益比较好

3、那些情况下,采用基轴制?

答 : 以下情况下,采用基轴制

1) 直接用冷拉钢材做轴,不再加工

2) 与标准件配合,如滚动轴承外环外径、标准圆柱销外径与孔的配合。

3) 仪器、仪表和钟表中的小尺寸段的公差与配合

4) 同一基本尺寸,一轴多孔且配合性质不同时

4、在机械加工过程中,被加工表面的粗糙度是什么原因引起的?

答:是由于刀痕、材料的塑性变形,工艺系统的高频震动,刀具与被加工表面的摩擦等原因引起的。

5、表面粗糙度对零件的使用性有什么影响?

答: 它对零件的配合性能、耐磨性、抗腐蚀性、接触刚性、抗疲劳强度、密封性及外观都有影响。

6、表面粗糙度高度参数允许值的选用原则是什么?

答: 总的原则是在满足使用功能要求的前提下,尽量选用较大的优先数值,具体地说

1)同一零件上工作表面的粗糙度允许值应小于非工作表面的表面粗糙度

2)受循环载荷的表面及易引起应力集中的表面(如圆角,沟槽)粗糙度允许值要小。

3)配合性质相同时,零件尺寸小的比尺寸大的表面粗糙度允许值要小,同一公差等级, 轴比孔的表面粗糙度允许值要小,同一公差等级,轴比孔的表面粗糙度要小

4)运动速度高,单位压力大的摩擦表面应比运动速度低单位压力小的摩擦表面粗糙度允许值要小

5)一般来讲,表面形状精度要求高的表面,表面粗糙度要小

6)在选定表面粗糙度时,要考虑加工方法和经济效果。

7、与光滑圆柱配合相比,光滑圆锥配合的优点是什么?

答: 1)具有较高精度的同轴度 2)能保证多次重复装配精度不变 3)配合的自锁性和密封性好 4)间隙量或过盈量可以调整

8、螺纹中径对螺纹配合有何意义?

答: 决定螺纹配合性质的主要几何参数是中径

1)为了保证螺纹的旋和性,对于普通内螺纹最小中径应大于外螺纹的最大中径。

2)为了保证连接强度和紧密性,内螺纹最小中径与外螺纹最大中径不能相差太大。

3)从经济性考虑,中径公差等级应尽量低一些。

4)为了保证传动精度,螺纹中径公差等级不能太低

9、与单键相比,花键联接的优缺点

答:1)同轴性、导向性好

2)键与轴一体,轴的刚性较大

3)键数多,负荷分布均匀,因此能传递较大的扭矩

4)连接的紧固性和可靠性好

5)制造精度要求高,工艺复杂,制造成本高。

平键的用途和工作原理是什么,普通平键的工作原理(互换性与测量技术基础复习题及答案)

编辑切换为居中

添加图片注释,不超过 140 字(可选)

平键的用途和工作原理是什么,普通平键的工作原理(互换性与测量技术基础复习题及答案)

编辑切换为居中

添加图片注释,不超过 140 字(可选)

1.什么是互换性?互换性按程度分哪几类?

答:机器在装配或更换零部件时,从大批生产出来的同一规格的零部件中,任意取出一件,不需要做任何选择、附加调整或修配,就能够组装成部件或整机,并且能够达到预定的设计性能和使用要求,这种技术特性叫做互换性。

互换性按其程度可分为完全互换性和不完全互换性。

2.配合分哪几类?各类配合中孔和轴公差带的相对位置有何特点?

答:配合分三类:间隙配合、过渡配合和过盈配合。

间隙配合中孔的公差带在轴的公差带上方;过盈配合中孔的公差带在轴的公差带下方;过渡配合中孔的公差带和轴的公差带相互重叠。

3.为什么要规定基准制?为什么优先采用基孔制?

答:标准公差带形成最多种的配合,国家标准规定了两种配合基准制:基孔制和基轴制。

一般情况下优先选用基孔制配合是考虑中、小尺寸孔常采用定尺寸刀具加工,这样可以减少定尺寸刀具、量具的品种、规格、数量,而大尺寸刀具则考虑习惯、方便,也采用基孔制。

4.简述测量的含义和测量过程的四要素。

答:测量是将被测几何量的量值和一个作为计量单位的标准量进行比较,求得其比值的过程。测量过程应包括被测对象、计量单位、测量方法和测量精度四要素。

5.“示值范围”和“测量范围”有何区别?

答:“示值范围”指计量器具所能显示或指示的最低值或最高值的范围;“测量范围”指在允许的误差限内,计量器具所能测出的被测量的范围。

6.测量误差按其性质可分为哪几类?各有何特征?实际测量中对各类误差的处理原则是什么?

答:测量误差按其性质可分为系统误差、随机误差和粗大误差三大类。系统误差在相同条件下,多次测量同一值时,误差的绝对值和符号均保持不变或按某一规律变化;随机误差在相同条件下,多次测量同一值时,误差的绝对值和符号以不可预定的方式变化;粗大误差是超出规定条件下预计的误差。实际测量中对系统误差用修正法消除;对随机误差可通过概率统计方法寻求和描述规律,评定其影响程度;对粗大误差按一定规则予以剔除。

7.表面结构中粗糙度轮廓的含义是什么?它对零件的使用性能有什么影响?

答:表面结构中粗糙度轮廓的含义是指零件表面由间距很小的微小峰、谷所形成的微观几何误差。它对零件的使用性能中的耐磨性、耐腐蚀性和耐疲劳性以及配合性质的稳定性均有影响。

8.为什么在表面粗糙度轮廓标准中,除了规定“取样长度”外,还规定“评定长度”?

答:由于零件表面的微小峰、谷的不均匀性,在表面轮廓的不同位置的取样长度上的表面粗糙度轮廓测量值不尽相同。为了更可靠地反映表面粗糙度轮廓的特性,应测量连续的几个取样长度上的表面粗糙度轮廓,即规定“评定长度”。

9.滚动轴承内圈与轴颈的配合和外圈与外壳孔的配合分别采用哪种基准制?为什么?滚动轴承内圈内径公差带相对于以公称直径为零线的分布有何特点?其基本偏差是怎样规定的?

答:滚动轴承内圈与轴颈的配合采用基孔制,外圈与外壳孔的配合采用基轴制。原因是滚动轴承是标准件。滚动轴承内圈内径公差带相对于以公称直径为零线的分布特点是在零线以下,基本偏差是上偏差,且为零。

10.与圆柱配合相比,圆锥配合有哪些优点?

答:(1)对中性好 内、外圆锥体的轴线具有较高精度的同轴度,且能快速装拆。

(2)配合的间隙或过盈可以调整。

(3)密封性好 内、外圆锥的表面经过配对研磨后,配合起来具有良好的自锁性和密封性。

11.简述对齿轮传动的四项使用要求?其中哪几项要求是精度要求?

答:齿轮传动的四项使用要求:

(1) 齿轮传递运动的准确性

(2) 齿轮传动的平稳性

(3) 载荷分布均匀性

(4) 合理的齿侧间隙

其中前三项要求属精度要求。

12.求解尺寸链的基本方法有哪些?各用于什么场合?

答:求解尺寸链的基本方法有完全互换法(极值法)和大数互换法。极值法用于尺寸链环数较少或环数较多但精度要求较低的场合;大数互换法用于精度要求高且环数较多的尺寸

13、选定公差等级的基本原则是什么?

答 : 在首先满足使用要求的前提下,尽量降低精度要求,使综合经济效果为最好

14、 基准制的选用原则是什么?

答 : 主要考虑工艺的经济性和结构的合理性,一般情况下,优先采用基孔制 , 这样可以减少备用的定值孔用刀具、量具的种类,经济效益比较好

15、那些情况下,采用基轴制?

答 : 以下情况下,采用基轴制

1) 直接用冷拉钢材做轴,不再加工

2) 与标准件配合,如滚动轴承外环外径、标准圆柱销外径与孔的配合。

3) 仪器、仪表和钟表中的小尺寸段的公差与配合

4) 同一基本尺寸,一轴多孔且配合性质不同时

16、在机械加工过程中,被加工表面的粗糙度是什么原因引起的?

答:是由于刀痕、材料的塑性变形,工艺系统的高频震动,刀具与被加工表面的摩擦等原因引起的。

17、表面粗糙度对零件的使用性有什么影响?

答: 它对零件的配合性能、耐磨性、抗腐蚀性、接触刚性、抗疲劳强度、密封性及外观都有影响。

18、表面粗糙度高度参数允许值的选用原则是什么?

答: 总的原则是在满足使用功能要求的前提下,尽量选用较大的优先数值,具体地说

1)同一零件上工作表面的粗糙度允许值应小于非工作表面的表面粗糙度

2)受循环载荷的表面及易引起应力集中的表面(如圆角,沟槽)粗糙度允许值要小。

3)配合性质相同时,零件尺寸小的比尺寸大的表面粗糙度允许值要小,同一公差等级, 轴比孔的表面粗糙度允许值要小,同一公差等级,轴比孔的表面粗糙度要小

4)运动速度高,单位压力大的摩擦表面应比运动速度低单位压力小的摩擦表面粗糙度允许值要小

5)一般来讲,表面形状精度要求高的表面,表面粗糙度要小

6)在选定表面粗糙度时,要考虑加工方法和经济效果。

19、与光滑圆柱配合相比,光滑圆锥配合的优点是什么?

答: 1)具有较高精度的同轴度 2)能保证多次重复装配精度不变 3)配合的自锁性和密封性好 4)间隙量或过盈量可以调整

20、螺纹中径对螺纹配合有何意义?

答: 决定螺纹配合性质的主要几何参数是中径

1)为了保证螺纹的旋和性,对于普通内螺纹最小中径应大于外螺纹的最大中径。

2)为了保证连接强度和紧密性,内螺纹最小中径与外螺纹最大中径不能相差太大。

3)从经济性考虑,中径公差等级应尽量低一些。

4)为了保证传动精度,螺纹中径公差等级不能太低

21、与单键相比,花键联接的优缺点

答:1)同轴性、导向性好

2)键与轴一体,轴的刚性较大

3)键数多,负荷分布均匀,因此能传递较大的扭矩

4)连接的紧固性和可靠性好

5)制造精度要求高,工艺复杂,制造成本高。

2008-2009学年第一学期考试试卷 A

互换性与技术测量

参考答案及评分标准

一、填空题(共19分,每空1分)

(1)φ30H7/m6表示 基本尺寸 为30mm的 基孔制 (基准制)的 过渡 配合。其中H、m是 基本偏差 代号,7、6表示 公差等级(或标准公差) 。

(2)尺寸公差标准规定有 间隙 、 过渡 、和 过盈 三大类配合,当孔轴无相对运动,要求有良好定心精度,且易于拆卸时,应选用 过渡 配合。

(3)位置公差又分为 3 种,它们分别是 定向 、 定位 和 跳动公差 。

(4)若某轴的尺寸标注为

平键的用途和工作原理是什么,普通平键的工作原理(互换性与测量技术基础复习题及答案)

添加图片注释,不超过 140 字(可选)

,则该零件采用的公差原则为 最大实体要求(最大实体原则) ,其最大实体尺寸为 φ20.05 ,此时的形位公差值为 φ0.02 ;其最小实体尺寸为 φ20 ,此时的形位公差值为 φ0.07;其最大实体实效尺寸为 φ20.07 。

二、简答题:(共18分)

(1)如图1所示的零件标注。请回答:

1) 该标注采用的公差原则是什么?遵守什么边界?其边界尺寸为多少?

2) 其最大实体尺寸为多少?此时的形位公差值为多少?

3) 其最小实体尺寸为多少?此时的形位公差值为多少?(7分)

平键的用途和工作原理是什么,普通平键的工作原理(互换性与测量技术基础复习题及答案)

编辑

添加图片注释,不超过 140 字(可选)

图1

答:1) 该标注采用的公差原则是最大实体原则,遵守最大实体实效边界,其边界尺寸为 φ19.95(3分)

2) 其最大实体尺寸为φ20,此时的形位公差值为φ0.05(2分)

3) 其最小实体尺寸为φ20.13,此时的形位公差值为φ0.18(2分)

(2)齿轮的各项公差分为哪几个公差组?对传动性能各有什么影响?(3分)

答:分为第Ⅰ、Ⅱ、Ⅲ公差组(2分),分别影响传递运动的准确性、传动的平稳性、载荷分布的均匀性(1分)。

(3)对以螺纹标记加以说明:

1)M10×1-7g6g-20, 2)M20-6H-40 。 (4分)

答:1)公称直径为10mm且螺距为1mm,外螺纹,公差带为7g6g。旋合长度20(2分)

2)公称直径为20mm,内螺纹,公差带为6H,旋合长度40(2分)

(4)对以下两个粗糙度符号加以说明:

1)

平键的用途和工作原理是什么,普通平键的工作原理(互换性与测量技术基础复习题及答案)

添加图片注释,不超过 140 字(可选)

,2)

平键的用途和工作原理是什么,普通平键的工作原理(互换性与测量技术基础复习题及答案)

添加图片注释,不超过 140 字(可选)

(4分)

答:(1)用去除材料的方法获得的表面,Ra最大值为3.2um(2分)

(2)用不去除材料的方法获得的表面,Ra最大值为6.3um(2分)

三、根据的孔

平键的用途和工作原理是什么,普通平键的工作原理(互换性与测量技术基础复习题及答案)

添加图片注释,不超过 140 字(可选)

平键的用途和工作原理是什么,普通平键的工作原理(互换性与测量技术基础复习题及答案)

添加图片注释,不超过 140 字(可选)

的轴配合,填写下表1,并画出公差带图指出配合类型。(15分)

表1 单位:mm

上偏差

+0.025

+0.059

下偏差

0

+0.043

基本偏差

0(1分)

+0.043(1分)

最大极限尺寸

φ50.025

φ50.049

最小极限尺寸

φ50

φ50.043

标准公差

0.025(1分)

0.016(1分)

最大间隙或过盈

Ymax=-0.059(1分)

最小间隙或过盈

Ymin=-0.018(1分)

配合公差

Tf=0.041(1分)

平键的用途和工作原理是什么,普通平键的工作原理(互换性与测量技术基础复习题及答案)

编辑

添加图片注释,不超过 140 字(可选)

(注:大括号内的内容要全对才给1分,否则不得分)

过盈配合(1分)

公差带图:(3分)

四、已知Ф30H7/k6、Ф30K7/h6孔轴配合 ,查附表(见后)分别计算所有孔与轴的极限偏差并画出公差带图。(8分)

解:对于Ф30H7/k6:ES=+0.021mm,EI=0(1分);es=+0.015mm;ei=+0.002mm(1分)

对于Ф30K7/h6:ES=+0.006mm,EI=-0.015mm(1分);es=0,ei=-0.013(1分)

(注:孔或轴的极限偏差要全对才给1分, 否则不得分)

公差带图:(共4分,每个图2分)

平键的用途和工作原理是什么,普通平键的工作原理(互换性与测量技术基础复习题及答案)

编辑切换为居中

添加图片注释,不超过 140 字(可选)

五、孔与轴相配合,根据给定数值,试确定它们的公差等级,并选用适当的配合。 配合的基本尺寸=25mm,Xmax=+0.086mm,Xmin=+0.02mm。(7分)

解:Tf=| Xmax - Xmin |=0.066=TD+Td

查表得:IT8=0.033,取孔与轴的公差等级为IT8

可得:TD=Td=0.033

平键的用途和工作原理是什么,普通平键的工作原理(互换性与测量技术基础复习题及答案)

编辑

添加图片注释,不超过 140 字(可选)

六、83块一套量块尺寸如下:

间隔0.01mm,从1.01,1.02……到1.49,共49块;间隔0.1mm,从1.5,1.6……到1.9,共5块;间隔0.5mm,从2.0,2.5……到9.5,共16块;间隔10mm,从10,20到100,共10块;1.005,1,0.5各一块。选用适当的量块组成尺寸58.785mm,并写出步骤。(4分)

解: 58.785

-1.005 第一块(1分)

57.78

-1.28 第二块(1分)

56.50

-6.5 第三块(1分)

50 第四块(1分)

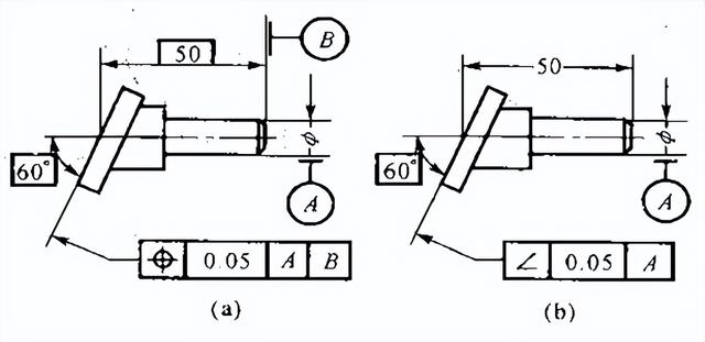
七、图1所示零件标注了的两种不同的形位公差,试说明标注各表示的意思,并指出它们的公差带有何不同?(5分)

平键的用途和工作原理是什么,普通平键的工作原理(互换性与测量技术基础复习题及答案)

编辑切换为居中

添加图片注释,不超过 140 字(可选)

图1

答:图(a)的标注为:斜面对基准A、B的位置度;图(b)的标注为:斜面对基准A的倾斜度。(3分)

图(a)的标注为定位公差,其公差带的位置是固定的;图(b)的标注为定向公差,其公差带的位置是在轴线方向上是浮动的(2分)。

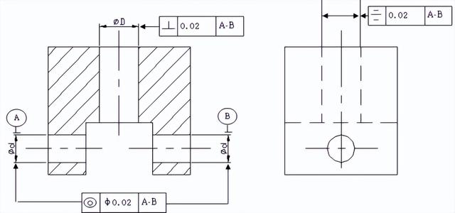
八、图2所示零件的技术要求是:①2-φd轴线对其公共轴线的同轴度公差为φ0.02mm;②φD轴线对2-φd公共轴线的垂直度公差为0.02mm;③φD轴线对2-φd公共轴线的偏离量不大于±10μm。试在图上用形位公差代号标出这些要求。(9分)

平键的用途和工作原理是什么,普通平键的工作原理(互换性与测量技术基础复习题及答案)

编辑切换为居中

添加图片注释,不超过 140 字(可选)

图2

每个标注要求3分,其中公差项目正确1分,箭头和基准等格式1分,公差值1分。

九、改正图3标注中的错误(要求不改变各公差项目符号,将正确的标注重新标注在图(b)上)(7分)

平键的用途和工作原理是什么,普通平键的工作原理(互换性与测量技术基础复习题及答案)

编辑

添加图片注释,不超过 140 字(可选)

(a)

平键的用途和工作原理是什么,普通平键的工作原理(互换性与测量技术基础复习题及答案)

编辑

添加图片注释,不超过 140 字(可选)

(b)

图3

每个形位公差项目的改正得1分,共6分,另外基准A处的改正得1分(要完全改对才给分)。

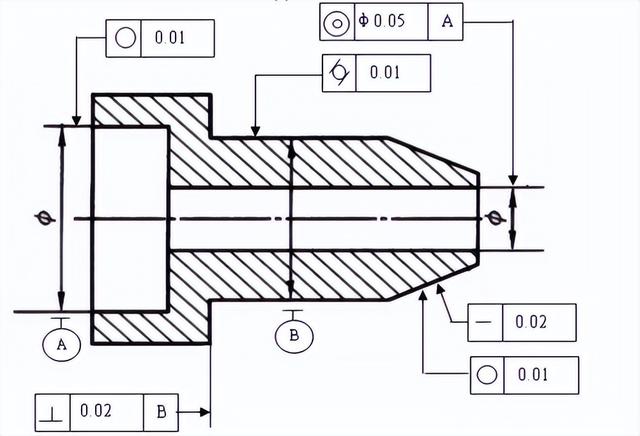
十、解释图4中各形位公差标注的含义(8分)

平键的用途和工作原理是什么,普通平键的工作原理(互换性与测量技术基础复习题及答案)

编辑切换为居中

添加图片注释,不超过 140 字(可选)

图4

平键的用途和工作原理是什么,普通平键的工作原理(互换性与测量技术基础复习题及答案)

编辑

添加图片注释,不超过 140 字(可选)

:轴线的任意方向的直线度为φ0.05 (2分)

平键的用途和工作原理是什么,普通平键的工作原理(互换性与测量技术基础复习题及答案)

编辑

添加图片注释,不超过 140 字(可选)

:外圆面的圆度公关为0.003 (2分)

平键的用途和工作原理是什么,普通平键的工作原理(互换性与测量技术基础复习题及答案)

添加图片注释,不超过 140 字(可选)

:圆锥面母线的直线度为0.16 (2分)

平键的用途和工作原理是什么,普通平键的工作原理(互换性与测量技术基础复习题及答案)

添加图片注释,不超过 140 字(可选)

:圆锥面对基准轴线的斜向圆跳动0.001 (2分)

本文关键词:平键的用途和工作原理是什么意思,普通平键的工作原理是什么,普通平键的主要作用,平键的作用是什么?,平键的种类及作用。这就是关于《平键的用途和工作原理是什么,普通平键的工作原理(互换性与测量技术基础复习题及答案)》的所有内容,希望对您能有所帮助!

本文链接:https://bk.89qw.com/a-578216

最近发表
网站分类