关于【男士脸部美白的方法】,男士脸美白有什么方法,今天小编给您分享一下,如果对您有所帮助别忘了关注本站哦。
- 内容导航:
- 1、教你用51做简易计算器
- 2、男士脸部美白的方法
- 3、男士脸部美白的方法
1、教你用51做简易计算器
2.主程序(源代码)
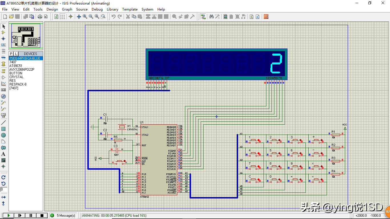
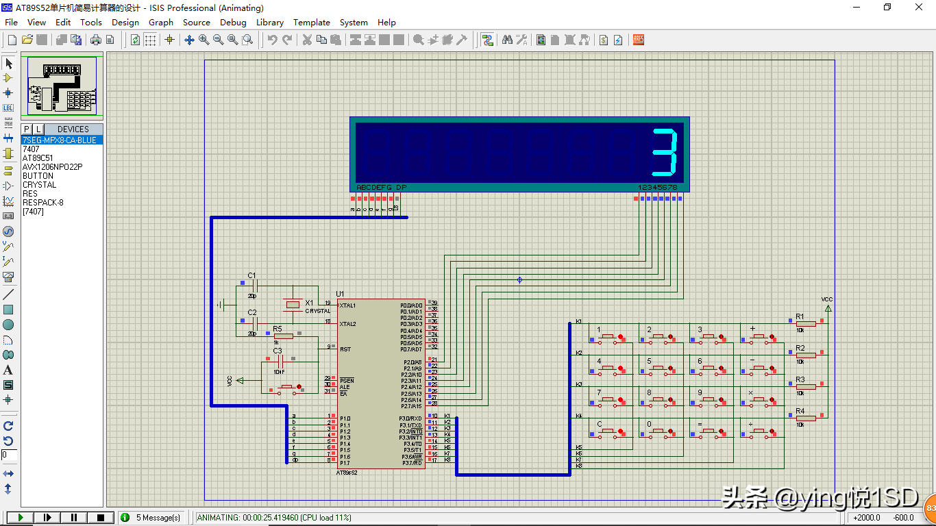
#include//#include#define LEDS 8char keyscan();void display();char dsp[9]={0,0,12,12,12,12,12,12,12};//³õʼ»¯ÏÔʾÊý×évoid calculate(char k,char c1[8],char c2[8]);unsigned char code Select[]={0x01,0x02,0x04,0x08,0x10,0x20,0x40,0x80};unsigned char code LED_CODES[]={0xC0,0xF9,0xA4,0xB0,0x99,//0-40x92,0x82,0xF8,0x80,0x90,//5-90x86,0xAF,0xFF,0x7F,0xBF,};//E,r,¿Õ¸ñ,.,-void main(void){char i,j,k,c;char a[8],b[8];TMOD=0;TL0=-(1000/256);TH0=-(1000%256);EA = 1; //×ÜÖжϿª¹ØET0 = 1; //¿ªÖжÏTR0 = 1; //ÆôÓüÆÊýÆ÷0KSC:do{for(i=1;i<9;i++)//Êý×Ö¼ÈëÑ»·{dsp[0]=keyscan();if(c==2&&dsp[0]<10)//´Ë¶Î´úÂëÑéÖ¤ÊÇ·ñÓоɵļÆËã½á¹ûÔÚÏÔʾ£¬ÇÒ²»ÔÙ²ÎÓëмÆËã{dsp[1]=dsp[0];for(j=2;j<9;j++)dsp[j]=12;c=0;}else if(c==2&&dsp[0]>9)//¾ÉµÄ¼ÆËã½á¹û½«²ÎÓëеļÆË㣬×÷ΪµÚÒ»¸öÊý{c=0;}if(dsp[0]==0&&dsp[1]==0&&dsp[2]==12)//¸öλΪ0ÇÒʮλΪ¿Õʱ°´ÏÂ0,°´¼üÎÞЧ£¬Ìø»ØKSCµÈ´ýÕýÈ·ÊäÈë{goto KSC;}else if(dsp[0]>9) break;//ÓвÙ×÷·û°´Ï£¬Ìø³öÊý×Ö¼ÈëÑ»·else{for(j=i;j>0;j--)dsp[j]=dsp[j-1];//ÒÆÎ»£¬ÒÔÕýÈ·ÏÔʾÊý×Ö}}if(i==9)//ÅжÏÊÇ·ñÊäÈë8¸öÓÐЧÊý×Ö£¬ÊÇÔòµÈ´ý²Ù×÷·û£¬·ñÔòÖ±½ÓÅжϲÙ×÷·û{do//ʹÓÃdo whileÎÞÂÛÊÇ·ñµÚÒ»¸öÊý¶¼È¡Ò»´Î²Ù×÷·û{dsp[0]=keyscan();//»ñÈ¡²Ù×÷·ûºÅif(dsp[0]==14||dsp[0]<10)//°´ÏÂC»òÕßµÚ9λÊý×ÖÇåÁã{dsp[1]=0;for(i=2;i<9;i++)dsp[i]=12;c=0;}}while((dsp[0]==15)&&(c==0));//µÈºÅ±»°´Ï£¬µÈ´ýеIJÙ×÷·û£¨½ö¶ÔµÚÒ»¸öÊý×ÖÓÐЧ£©}else if(dsp[0]==14)//°´ÏÂCÇåÁã{dsp[1]=0;for(i=2;i<9;i++)dsp[i]=12;c=0;}while(dsp[0]==15&&c==0)//δÊäÂú8λÇÒÊǵÚÒ»¸öÊý×Ö¼´°´ÏµȺţ¬µÈ´ý·ÇµÈºÅ²Ù×÷·û{dsp[0]=keyscan();//»ñÈ¡²Ù×÷·ûºÅif(dsp[0]==14||dsp[0]<10)//°´ÏÂC»òÕßÊý×Ö¶¼½øÐÐÇåÁã,ÖØÐÂÊäÈëa{dsp[0]=14;//½«dsp[0]ÖÃΪ14£¬·ÀÖ¹ÒòÊý×ÖÇåÁãδÄÜÀ¹½Ødsp[1]=0;for(i=2;i<9;i++)dsp[i]=12;c=0;}}}while(dsp[0]==14);//Êý×ÖÊäÈëδÍê³É¼´°´ÏÂC£¬ÖØÐµȴýÊäÈëdo{if(c==0)//ûÓÐÊý×ÖÊäÈë{ k=dsp[0];//´æ¼ÆËã·û£¨Ñ»·ÄÚÒÑÅųýC¡¢£½¡¢Êý×Ö£©for(i=0;i<8;i++)//½«µÚÒ»¸öÊý´æÈëa[8]{a[i]=dsp[i+1];}dsp[1]=0;//ÇåÁãfor(i=2;i<9;i++)dsp[i]=12;c=1;//ÒÑÊäÈëagoto KSC;}else if(c==1){for(i=0;i<8;i++)//½«µÚ¶þ¸öÊý´æÈëb[8]{b[i]=dsp[i+1];}c=2;//ÒÑÊäÈëbif(dsp[0]!=15)//bÊäÍêºó²Ù×÷·û²»ÊǵȺÅ{calculate(k,a,b);for(i=0;i<8;i++)//½«¼ÆËã½á¹û´æÈëa[8]£¬aÖµ¸üÐÂ{a[i]=dsp[i+1];}k=dsp[0];//¸üмÆËã·ûc=1;goto KSC;}}}while((dsp[0]==15)&&(c<2));//Ö±µ½abÊäÈëÍê³ÉÇÒ°´ÏµȺÅcalculate(k,a,b);//½øÐÐ×îºó¼ÆËãgoto KSC;//Ìø»ØKSC£¬µÈ´ýÐÂÒ»ÂÖ¼ÆËãwhile(1);//·ÀÖ¹³ÌÐòÅÜ·É}char keyscan(){char KeyL;char KeyR;char j;do{do{P3=0xF0;P3=P3|0xF0;//ÐÐɨÃè11110000if(P3!=0xF0){KeyL=P3;P3=0x0F;P3=P3|0x0F;//ÁÐɨÃè00001111KeyR=P3;}}while(KeyL==0xF0||KeyR==0x0F);for(j=0;j<12;j++)//ÑÓʱ0.001s=1ms{;}}while(P3!=0x0F); switch(KeyL&KeyR){case 0x28:{return 0;break;}case 0x11:{return 1;break;}case 0x21:{return 2;break;}case 0x41:{return 3;break;}case 0x12:{return 4;break;}case 0x22:{return 5;break;}case 0x42:{return 6;break;}case 0x14:{return 7;break;}case 0x24:{return 8;break;}case 0x44:{return 9;break;}case 0x81:{return 10;break;}//¼Ó·¨(µÚÒ»ÐУ¬µÚËÄÁÐ)case 0x82:{return 11;break;}//¼õ·¨£¨µÚ¶þÐУ¬µÚËÄÁУ©case 0x84:{return 12;break;}//³Ë·¨£¨µÚÈýÐУ¬µÚËÄÁУ©case 0x88:{return 13;break;}//³ý·¨£¨µÚËÄÐУ¬µÚËÄÁУ©case 0x18:{return 14;break;}//ÇåÁ㣨µÚËÄÐУ¬µÚÒ»ÁУ©case 0x48:{return 15;break;}//¼ÆËã½á¹û£¨µÚËÄÐУ¬µÚÈýÁУ©}}void display() interrupt 1 using 1//ÀûÓö¨Ê±Æ÷ÖжÏʵÏÖ¼äʱÏÔʾ{char i,j,h;ET0=0;for(j=8;j>0;j--)//ɨÃè8´Î{for(i=7;i>=0;i--)//´Ó¸ßλµ½µÍλɨÃèÏÔʾ{P2=0;P1=LED_CODES[dsp[8-i]];P2=Select[i];for(h=0;h<8;h++){;}}}TL0=-(1000/256);TH0=-(1000%256);ET0=1;}void calculate(char k,char a[8],char b[8]){char r[8];long i,x,y;i=0;x=0;y=0;for(i=7;i>0;i--)//Êýֵת»¯£¬½«´ú±í¿Õ¸ñµÄ12ת»¯ÎªÊý×Ö0£¬ÒòΪ¸öλ²»ÏÔʾ¿Õ¸ñ£¬Ä¬ÈÏΪ0£¬ËùÒÔ²»×ª»¯{while(a[i]==12)a[i]=0;while(b[i]==12)b[i]=0;}x=a[4];x=10000*x;x=x+a[0]+a[1]*10+a[2]*100+a[3]*1000+a[5]*100000+a[6]*1000000+a[7]*10000000;y=b[4];y=10000*y;y=y+b[0]+b[1]*10+b[2]*100+b[3]*1000+b[5]*100000+b[6]*1000000+b[7]*10000000;if(k==10)//¼Ó·¨ÔËËã{x=x+y;if(x>99999999)//´óÓÚ8룬ÏÔʾ¡°Err¡±{r[0]=11;//rr[1]=11;//rr[2]=10;//Er[3]=12;//¿Õ¸ñr[4]=12;r[5]=12;r[6]=12;r[7]=12;}else{r[0]=x%10;r[1]=(x%100)/10;r[2]=(x%1000)/100;r[3]=(x%10000)/1000;r[4]=(x%100000)/10000;r[5]=(x%1000000)/100000;r[6]=(x%10000000)/1000000;r[7]=x/10000000;}}if(k==11)//¼õ·¨ÔËËã{if(x9999999){r[0]=11;//rr[1]=11;//rr[2]=10;//Er[3]=12;//¿Õ¸ñr[4]=12;r[5]=12;r[6]=12;r[7]=12;}else{r[0]=x%10;r[1]=(x%100)/10;r[2]=(x%1000)/100;r[3]=(x%10000)/1000;r[4]=(x%100000)/10000;r[5]=(x%1000000)/100000;r[6]=(x%10000000)/1000000;r[7]=x/10000000;for(i=7;i>0;i--)//½«ÓÐЧÊý×ֵĸßһλת»¯Îª£ºÅ{if(r[i]==0&&r[i-1]!=0){r[i]=14;break;}}}}else{x=x-y;r[0]=x%10;r[1]=(x%100)/10;r[2]=(x%1000)/100;r[3]=(x%10000)/1000;r[4]=(x%100000)/10000;r[5]=(x%1000000)/100000;r[6]=(x%10000000)/1000000;r[7]=x/10000000;}}if(k==12)//³Ë·¨ÔËËã{i=x;x=x*y;if(y==0){x=0;}else if(x>99999999||x0;i--)//Êýֵת»¯,½«¸ßλµÄÎÞЧÊý×Ö0ת»¯Îª¿Õ¸ñ·û12{if(r[i]==0)r[i]=12; else break;}for(i=0;i<8;i++)//½«¼ÆËã½á¹û´æÈëdsp[9]£¬ÏÔʾÊý¸üÐÂ{dsp[i+1]=r[i];}}"title":"3.计算结果展示","content"输入2+3

输入2

输入3
2、男士脸部美白的方法
男士脸部美白的方法
男人想美白,却苦于找不到方法?别担心,接下来要给大家分享的是男士脸部美白的方法,欢迎大家的借鉴阅读!
3、男士脸部美白的方法
男生脸部美白简单方法:清酒洗面法
酒除了可以喝之外还能干什么?男性可以将少许清酒倒入温水,轻拨洗面。起源于日本的清酒,在很早就被用于护肤美容。古时候,日本艺妓在上妆前会先用清酒敷脸,以减轻化妆对皮肤的伤害。活化肌肤的同时还有保湿的功效。 清酒所含的酒精成分不但不会刺激皮肤,反而能深入毛孔清除皮肤污垢,保持皮肤光滑,使皮肤呈现自然通透的好状态。
男生脸部美白简单方法:豆腐擦脸法
将豆腐弄碎装在薄纱布袋里,洗脸后用来揉搓脸部。或者也可以在弄碎的豆腐中加入一些面粉和蜂蜜,敷于脸上,20分钟后洗净即可。豆腐中含有丰富的营养成分,具有抗氧化的功效;另外,豆腐中丰富的植物乳化剂卵磷脂能加强肌肤的保湿力,每周一次用豆腐擦脸可以去除老化的角质,能使皮肤清洁平整。
男生脸部美白简单方法:凉开水洗脸
懒得使用防晒霜或爽肤水的男性,可以用凉开水洗脸护肤。 凉开水是一种含空气很少的“去气水”,其性质与人体细胞内的水分十分接近,具有很大的“亲和性”,从而使凉开水更容易渗透进皮肤内里。另外,凉开水还能使皮下脂肪变为“半液态”,使皮肤显得水润不干燥。
男生脸部美白简单方法:黑炭美容法
美白是女性保养的第一话题,而男性更适合使用黑炭美容。护肤黑炭是用一种耐热的木材经摄氏1000度的高温燃烧,然后加以提炼而形成,有吸收毛孔内微生物的功效,可去除皮肤表面的`污垢和多余的油脂,最适合整天油光满面的人。尽管黑炭护肤品看上去都是黑漆漆的,还有一股墨汁的气味,这样“MAN”的成分却男女都喜欢!
男生脸部美白简单方法:蕃茄蜂蜜美白
这个美白配方可同时作脸及手部美白.特别是暗疮皮肤,能有效去油腻,防止感染,使皮肤白皙细致.
用法:可将蕃茄搅拌成蕃茄汁后加入适量蜂蜜搅至糊状.均匀涂于脸或手部,待约15分钟洗去.建议每星期做1-2次
男生脸部美白简单方法:冰牛奶
用冰牛奶倒在柔软的纱布上,轻轻地敷在眼睛上10分钟左右,间隔15分钟后再敷一次,这样做可以消除眼睛疲劳和减少眼部皱纹。消除黑眼圈,自然就美白了。
男生脸部美白简单方法:橄榄油滋润
把橄榄油加热到接近皮肤的温度,再放入适量蜂蜜,把纱布浸入油中片刻取出覆于面部皮肤上,20分钟后取下,用洗面奶洗净面部,也能有效美白。
男生脸部美白简单方法:敷茶、糖面膜
材料:2汤匙红茶叶和红糖、少许的面粉以及适量的水。
做法:将红茶与红糖加水放容器里煮沸,冷却至37-40度。
敷面膜:将煮好冷却的红茶糖水倒入面粉里调匀,涂于脸上,15分钟后冲洗干净。
男生脸部美白简单方法:鸡蛋黄蜂蜜
做法:取一只蛋黄加一勺蜂蜜,搅拌均匀,用温水洗脸后,涂于脸上15分钟,等面膜完全干了之后,用温水清洗,再适量用些润肤产品,那就可以非常滋润了。
本文关键词:男士皮肤美白的方法,男生脸部美白方法,男士用什么脸部能有效美白,男人脸部美白的方法,男士脸部皮肤的五种美白方法。这就是关于《男士脸部美白的方法,男士脸美白有什么方法(教你用51做简易计算器)》的所有内容,希望对您能有所帮助!
本文链接:https://bk.89qw.com/a-621786