手机版

百科生活 投稿

正宗火锅底料的配方,火锅店火锅底料配方(绘制几何图形,你Get到了吗)

百科 2026-02-14 19:25:07 投稿 阅读:7685次

关于【正宗火锅底料的配方】,火锅店火锅底料配方,今天涌涌小编给您分享一下,如果对您有所帮助别忘了关注本站哦。

  • 内容导航:
  • 1、STM32点亮显示器,绘制几何图形,你Get到了吗?
  • 2、正宗火锅底料的配方

1、STM32点亮显示器,绘制几何图形,你Get到了吗?

正宗火锅底料的配方,火锅店火锅底料配方(绘制几何图形,你Get到了吗)

"title":"二,显示屏与微控制器连接方法","content"

正宗火锅底料的配方,火锅店火锅底料配方(绘制几何图形,你Get到了吗)

"title":"三,ILI9341简介","content"

§6.5万色TFT液晶显示驱动器,支持320x240分辨率,172800字节显存(320*240*2)。

正宗火锅底料的配方,火锅店火锅底料配方(绘制几何图形,你Get到了吗)

设计显示程序就是往显存写入颜色数据

White 0xFFFF

Black 0x0000

Blue 0x001F

Red 0xF800

Green 0x07E0

Yellow 0xFFE0

正宗火锅底料的配方,火锅店火锅底料配方(绘制几何图形,你Get到了吗)

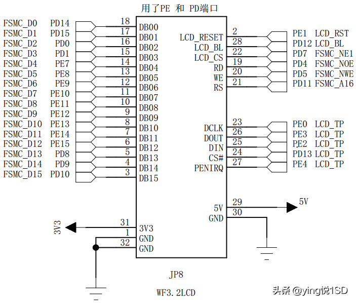
"title":"四,ILI9341与微控制器接口","content"

正宗火锅底料的配方,火锅店火锅底料配方(绘制几何图形,你Get到了吗)

"title":"五,工程配置(基于模板)","content"

正宗火锅底料的配方,火锅店火锅底料配方(绘制几何图形,你Get到了吗)

1. 复制spi,usart和lcd文件夹到..\User

2. 添加上述源程序文件到项目USER程序组

3. 添加 misc.c, //中断管理

stm32f10x_exti.c, //外部中断驱动

stm32f10x_spi.c, //SPI接口驱动

stm32f10x_fsmc.c, //fsmc接口驱动

stm32f10x_usart.c, //串口驱动

到工程FWLib程序组

4. 在main.c中添加

#include "bsp_lcd.h"

#include "fatfs_flash_spi.h"

#include "bsp_usart1.h"

5. 配置工程:C/C++标签页中添加头文件路径

..\User\lcd

..\User\spi

..\User\usart

正宗火锅底料的配方,火锅店火锅底料配方(绘制几何图形,你Get到了吗)

"title":"六,工程配置(基于模板)","content"

正宗火锅底料的配方,火锅店火锅底料配方(绘制几何图形,你Get到了吗)

"title":"七,驱动程序函数分析","content"

§voidLCD_Init( void );

§LCD初始化函数,配置GPIO,FSMC,设置液晶屏参数。

"title":"八,驱动程序函数分析","content"
  1. 画线

//画线void ILI9341_DrawLine( uint16_t usX1, uint16_t usY1, uint16_t usX2, uint16_t usY2, uint16_t usColor );l例:ILI9341_DrawCircle(100,120,10,macYELLOW,0);

正宗火锅底料的配方,火锅店火锅底料配方(绘制几何图形,你Get到了吗)

2.画圆

//画圆§void ILI9341_DrawCircle( uint16_t usX_Center, uint16_t usY_Center, uint16_t usRadius, uint16_t usColor, uint8_t ucFilled );l例:ILI9341_DrawCircle(120,135,50,macBLUE2,1);

正宗火锅底料的配方,火锅店火锅底料配方(绘制几何图形,你Get到了吗)

3.画矩形

//画矩形

void ILI9341_DrawRectangle( uint16_t usX_Start, uint16_t usY_Start, uint16_t usWidth, uint16_t usHeight, uint16_t usColor, uint8_t ucFilled );l例:ILI9341_DrawRectangle(0,0,240,80,macBLUE,1);

正宗火锅底料的配方,火锅店火锅底料配方(绘制几何图形,你Get到了吗)

2、正宗火锅底料的配方

正宗火锅底料的配方

一、处理辣椒

我们要先对辣椒进行处理,找一个不锈钢大桶,倒入干辣椒1千克、干朝天椒0、5千克以及清水2千克。用大火煮30分钟,当辣椒变软后捞出放置一夜;然后第二天将辣椒绞碎备用。

二、处理香料

配料:八角10克、桂皮12克、丁香10克、千里香15克、陈皮15克、小茴香20克、荜拨、良姜、草豆蔻各13克、香叶20克、草果20克、干香茅草18克、山柰18克、灵草18克以及排草25克;

做法:将这些香料放一起,搅拌均匀,然后打成细粉。再将这些香料粉倒入盆内,倒入高度白酒1、5千克,用保鲜膜将盆密封2小时后即可使用。

三、炒制底料

要找一口大锅,里面倒入菜子油大5千克,用大火加热,当油冒烟后关火;等油温下降一会,然后下入圆葱丝0、5千克、大葱段0、5千克,小香葱0、15千克、干葱头0、15千克,然后一起翻炒;当里面的蔬菜料变成金黄色后捞出残渣,然后倒入火锅牛油10千克大火加热使牛油化开;然后再加入0、3千克冰糖,改成小火化糖;然后再加入1、5千克糍粑辣椒以及豆瓣酱3千克;调成中火炒制30分钟后加入干的青花椒和红花椒各175克,继续炒制25分钟;再下入豆腐乳0、1千克、白酒和醪糟0、2千克,炒匀后关火盖盖,用保鲜膜封好放置。

四、分离油料

将炒好的混合底料加热,然后将里面的残渣捞出。这样剩下的油就是火锅牛油了,而捞出的残渣可以当火锅底料用。

五、调制火锅料

在调制火锅料时,将火锅中倒入50克火锅底料,注入烧沸的牛骨汤和火锅牛油,再下入一些常用的调料比如:冰糖、葱段、姜片、盐、鸡粉、以及白胡椒粉,最后美味的牛油火锅就做好啦。

正宗火锅底料的配方

一、处理辣椒

我们要先对辣椒进行处理,找一个不锈钢大桶,倒入干辣椒1千克、干朝天椒0、5千克以及清水2千克。用大火煮30分钟,当辣椒变软后捞出放置一夜;然后第二天将辣椒绞碎备用。

二、处理香料

配料:八角10克、桂皮12克、丁香10克、千里香15克、陈皮15克、小茴香20克、荜拨、良姜、草豆蔻各13克、香叶20克、草果20克、干香茅草18克、山柰18克、灵草18克以及排草25克;

做法:将这些香料放一起,搅拌均匀,然后打成细粉。再将这些香料粉倒入盆内,倒入高度白酒1、5千克,用保鲜膜将盆密封2小时后即可使用。

三、炒制底料

要找一口大锅,里面倒入菜子油大5千克,用大火加热,当油冒烟后关火;等油温下降一会,然后下入圆葱丝0、5千克、大葱段0、5千克,小香葱0、15千克、干葱头0、15千克,然后一起翻炒;当里面的蔬菜料变成金黄色后捞出残渣,然后倒入火锅牛油10千克大火加热使牛油化开;然后再加入0、3千克冰糖,改成小火化糖;然后再加入1、5千克糍粑辣椒以及豆瓣酱3千克;调成中火炒制30分钟后加入干的青花椒和红花椒各175克,继续炒制25分钟;再下入豆腐乳0、1千克、白酒和醪糟0、2千克,炒匀后关火盖盖,用保鲜膜封好放置。

四、分离油料

将炒好的混合底料加热,然后将里面的残渣捞出。这样剩下的油就是火锅牛油了,而捞出的残渣可以当火锅底料用。

五、调制火锅料

在调制火锅料时,将火锅中倒入50克火锅底料,注入烧沸的牛骨汤和火锅牛油,再下入一些常用的调料比如:冰糖、葱段、姜片、盐、鸡粉、以及白胡椒粉,最后美味的牛油火锅就做好啦。

正宗火锅底料的配方

鸳鸯锅底

原料:红汤火锅:黄牛背柳肉200克水牛肝200克水牛肚250克、鳝鱼片250克水牛腰300克活鲫鱼10尾(约500克) 、鱼茸丸150克鸭血500克卤汁2500克(制法见毛肚火锅)

清汤火锅:猪脊肉(片子)200克鸭胗花200克鲶鱼片200克、水发鱿鱼片200克鸡片150克鱼茸丸150克、水发刺参片250克水发牛筋段250克猪腰片250克、清汤卤汁2500克(制法见清汤火锅)。

两锅共用原料:大葱500克蒜苗500克莲花白500克、豌豆苗尖500克菠菜500克黄秧白500克、粉丝250克冬笋200克冬菇100克。

1、将以上各种荤素原料分盘装好,围在鸳鸯火锅四周,点燃火,烧开汤汁,打去浮沫,即可烫食

2、味碟用麻油、蚝油加盐和味精制成,每碟中放入一个鸡蛋的蛋清即可

3、吃时,鳝鱼片、鸭胗花、鱼茸丸可先下锅煮。鲫鱼治净后用筷子从鱼口中插入,放入火锅中煮入味,连筷子拿起食用

火锅师傅几乎都要与香料打交道,怎样选好香料;用好香料,是每一个火锅师傅都关心的问题。我谈谈我对一些火锅常用香料认识和看法。

1、八角:我认为是香料之王,几乎有用香料的地方都离不开它。一般选个大均匀,香气浓郁,最好是秋天产的八角,八角耐存储

2、桂皮:以广西产的最好。桂皮一般使用选普通桂皮就行了,只要无霉点,表面灰棕色,里面红棕色,皮细油质多。

最好的.桂皮(官桂)一般药店有卖,太贵。有一种桂皮去皮,很厚,气味大,卖相好,价格还比较贵,实际这种桂皮并不好,香味不醇厚,不清晰。最近几年又出来了什么烟桂,一般有雪茄烟粗细 ,这个味道更不好,大家最好不要用。好的桂皮只要用手在桂皮上摸两下,闻手应该有清晰,简单,舒服的香气,不是很复杂的感觉。

3、丁香:丁香比较好选,一般选公丁香就行了,买母丁香的很少,卖的人也少。选大 一点,花蕾齐全,指甲刻有油寖出就行了。

4、小茴香:北方人爱用小茴香,南方人爱用八角。两者用法有点相同,小茴香有点涩口,没用八角的甜味。买小茴香要买绿色的,它不耐存储,久了香味会散失,颜色会变黄。

5、砂仁:这里指川砂仁,这个比较好买,也好保存,果实完整点好一点。

6、小砂仁:大小似枸杞,味苦,价格比砂仁高。

7、甘菘:又名香草,闻起有臭的感觉,火锅卤菜用的比较多。保存久了味要减少。

8、灵草:灵草有大叶和小叶之分,小叶比大叶好。

9、排草:排草好买,不要带泥就行了。

10、陈皮:要选金黄色,皮薄无霉点的。

11、草果:草果要选晒货,炕货要差一点。炕货色深。

12、花椒:香料中最难选的。外省难买到好货。花椒香味重要性大于麻味,选花椒关键是闻,而不是口尝,因为再差的花椒也是麻口的。技巧是:用手抓一把花椒,然后放下花椒闻手中的气味,花椒香味越大越好。

13、草扣:有点苦味,选大一点的,无虫蛀就行了,

14、肉扣:又叫香果。有带壳和不带壳之分,不带壳的好于带壳的,要防虫蛀。

15、三奈:选干一点的,这几年三奈价格上涨的快,三奈也越来越湿,不过三奈湿还不容易坏。

16、荜拨:荜拨跟胡椒一样用法,没什么选择,好买。

17、胡椒:海南货好于东南亚货。海南货要黑一点,东南亚货白。

18、香叶:选颜色青一点的,发黄的不好。

19、白芷:选整块的,切片的不好,白芷容易被虫蛀,可以放冰箱保存。

20、白扣:白扣选个大色黄,白色的不好。

21、孜然:一般用于烧烤,比较好买好认。

22、甘草:选甜一点的,片大一点的。

23、青花椒:要选色鲜艳一点的,有很大青花椒味道,花椒籽少。青花椒不耐长时间水煮油炸。一般火锅用的多。还有一种是鲜青花椒,一般是真空袋装,放冰箱保存。

24、藤椒:流行的一种花椒调味品,是花椒的一个品种,主要产自四川,他的香味很特别,主要用于凉菜。由于藤椒香味保存期特短,所以一般制成藤椒油出售。

25、高良姜:这个好买,没什么技巧,也好保存。

26、香茅草:可能是气味最大的香料,真不知道潮洲卤水师傅是怎样使用的,是他们喜欢香茅草的味道,还是有办法使它味道变得更舒服。

也不要把香料想的太复杂,它不过是带有人们认可的气味,用于改善食物味道的植物种子,根,茎,叶,花等。也不要想的太简单,没有几年功夫是搞不懂的,这里面还是有点学问,天天遇到新问题,干了几十年的也不一定全懂。认识过程一般是:先认为简单,在干认为复杂,最后回归简单。

本文关键词:正宗火锅底料配方和熬制,炒火锅底料需要哪些香料,火锅底料配料表,正宗火锅底料配方和比例视频,火锅底料最佳配方。这就是关于《正宗火锅底料的配方,火锅店火锅底料配方(绘制几何图形,你Get到了吗)》的所有内容,希望对您能有所帮助!

本文链接:https://bk.89qw.com/a-629463

最近发表
网站分类