手机版

百科生活 投稿

框架梁是什么,框架梁是什么单位(框架梁、非框架梁截面及配筋分别怎么取)

百科 2026-02-10 17:45:51 投稿 阅读:8427次

关于【框架梁是什么】,框架梁是什么单位,今天小编给您分享一下,如果对您有所帮助别忘了关注本站哦。

  • 内容导航:
  • 1、框架梁是什么
  • 2、农村自建框架结构房屋,框架梁、非框架梁截面及配筋分别怎么取?

1、框架梁是什么

当房屋建筑采用钢筋混凝土框架结构框架建造时,可以有以下两种框架类型:1、现浇框架结构,指柱和楼盖均现浇,一般柱先现浇,安装楼盖模板和楼盖绑扎钢筋后,梁和板再一起浇筑。

2、装配整体式框架结构、柱、梁均为工厂或者现场预制,然后现场吊装,一般是在构件的适当部位预埋钢板,安装就位后再予以焊接;也可以在吊装后将梁、柱中的钢筋在节点处钢筋焊接,并在现场浇筑部分混凝土使节形成为整体。

框架结构中板可以现浇,也可以预制后一块块按要求吊装搁置框架梁上,板纵向钢筋连接,板缝适当配细钢筋然后浇筑混凝土,使其成为整体;还可以在装配式框架结构的基础上,现浇一层40mm以上的钢筋混凝土层,使得楼板的整体性加强,形成装配整体式楼盖。

2、农村自建框架结构房屋,框架梁、非框架梁截面及配筋分别怎么取?

你在农村盖自建房屋,为了空间更开阔、墙体更加随心所欲的设置,你选择了框架结构房屋。你仅知道需要设置混凝土梁,但对梁截面大小、配筋、是否双层筋不是太清楚,怎么办?

以上你的疑惑好解决,可能几句话就能讲清楚,但问题的关键不是上面的疑惑,而是首先你要分清楚,框架梁和非框架梁即次梁的区别,弄清这件事的本质极其重要!

框架梁是什么,框架梁是什么单位(框架梁、非框架梁截面及配筋分别怎么取)

框架承重,墙体根据功能随意砌筑

框架梁和非框架梁(次梁)分工不同

1.框架结构是框架梁和框架柱构成的,直接搭接在框柱上的梁叫做框架梁;框架梁和框架柱组成了框架结构的受力骨架,因此,框架梁、柱承担了除房屋的所有荷载及自重,还承担了更重要的地震、风带来得水平荷载,框架的安全决定着我们房屋的安全性。

2.搭接在框架梁上的梁叫做次梁,次梁的设置是为了将混凝土楼板分割成更小的板块,保证楼板的安全。楼板自重及楼板上的荷载先传递给次梁,次梁最后将荷载再传给框架梁,因此,次梁主要是将荷载传递给框架梁,起到传递荷载的作用,并不承受水平地震力。

框架梁是什么,框架梁是什么单位(框架梁、非框架梁截面及配筋分别怎么取)

3.通过上面分析知道,次梁仅承受很少的荷载,主要起到传递荷载的作用;而框架梁不仅承受板及次梁传过来的力,更主要的是抵抗地震力,保证房屋受地震影响不坍塌。回到开头的问题,梁截面的大小及配筋多少就得区别开来,框架梁给得大一些,次梁给的小一些。

三大因素影响框架梁的截面大小和配筋多少

1.框架梁的中心搭在框柱的中心上即梁居柱中间布置时,受力是最好的。但往往为了美观,将墙边、梁边和柱子边做齐,比如外墙处等,框架梁的中心就会同框架柱中心偏心,这样梁就会给柱子带来一个额外的偏心距,偏心距超过一定范围,柱子就会有大问题,因此,梁的中心与柱的中心不能偏移超过1/4。比如:600mm宽的框架柱,梁边同柱边齐,梁宽就不能小于300mm宽;500mm的柱,梁宽不能小于250mm。如果梁柱居中布置,梁宽可不限制,但也不宜小于250mm。

框架梁是什么,框架梁是什么单位(框架梁、非框架梁截面及配筋分别怎么取)

梁柱居中布置,梁最小宽度不宜小于250mm

框架梁是什么,框架梁是什么单位(框架梁、非框架梁截面及配筋分别怎么取)

梁边同柱边齐,梁宽不应小于柱宽的一半

2.框架梁同框架柱一样,需要设置箍筋加密区。地震波来时,框架梁、柱来回晃动耗能,梁柱根部设置箍筋加密区,会增强其延性,保证耗能期间不破坏,加密区的设置是抗震措施最有效的方法之一。

框架梁是什么,框架梁是什么单位(框架梁、非框架梁截面及配筋分别怎么取)

框架梁是什么,框架梁是什么单位(框架梁、非框架梁截面及配筋分别怎么取)

框架梁应设置箍筋加密区

由于次梁仅是传递荷载作用,不用来抵抗地震力。因此,次梁可不设置箍筋加密区,也不需要采取其它抗震措施。

3.框架梁的跨度即柱与柱之间的距离影响着框架梁的高度,一般梁高可取跨度得1/10到1/12,但不应小于400mm。比如:6米跨的梁,梁高度可取500mm到600mm之间;3米的跨度,梁高可取400mm。

运用:一般农村自建房长宽比不大,房屋比较方正,层数又不多,梁跨度在3到6米之间,楼面荷载按照住宅每平米200公斤考虑

1.框架梁的截面可取250x500mm。

有次梁搭接的框架梁,其梁上部支座的纵向受力筋可取4根直径20mm,梁下部可取4根直径20mm的受力纵筋,箍筋可取直径8mm间距100/200mm。

框架梁是什么,框架梁是什么单位(框架梁、非框架梁截面及配筋分别怎么取)

框架梁和次梁的截面要区别对待

框架梁是什么,框架梁是什么单位(框架梁、非框架梁截面及配筋分别怎么取)

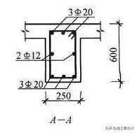
无次梁搭接的框架梁,梁上部支座的纵筋可取3根直径20mm,梁下部可取3根直径20mm的受力纵筋,箍筋同样可采用直径8mm间距100/200mm。

框架梁是什么,框架梁是什么单位(框架梁、非框架梁截面及配筋分别怎么取)

次梁搭接在框架梁上,框架梁箍筋需加密区

2.次梁截面可取200X400mm。

梁上部纵筋可采用3根直径16mm的通长筋,梁下部可采用3根直径18mm的纵向受力筋,箍筋可采用直径8mm间距200mm,箍筋无需加密。

本文关键词:框架梁是什么受力构件,框架梁是什么构件,框架梁是什么结构,框架梁是什么梁,框架梁是什么材质。这就是关于《框架梁是什么,框架梁是什么单位(框架梁、非框架梁截面及配筋分别怎么取)》的所有内容,希望对您能有所帮助!

本文链接:https://bk.89qw.com/a-645893

最近发表
网站分类