百科生活 投稿
关于【10g流量能用多长时间】,10g流量一个月够用吗,今天小编给您分享一下,如果对您有所帮助别忘了关注本站哦。
- 内容导航:
- 1、单片机学习第五课——定时器/计数器实物应用
- 2、10g流量能用多长时间:10g流量一个月够用吗
1、单片机学习第五课——定时器/计数器实物应用
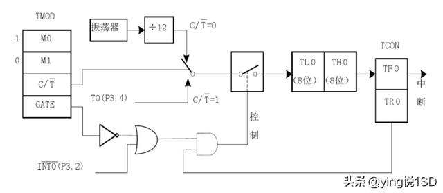
一,定时器与计数器的结构(了解中断源——定时器/计数器)
51单片机的定时器与计数器结构如下图所示,可以看出定时器/计数器T0有特殊功能寄存器TH0,TL0构成,定时器/计数器T1由特殊功能寄存器TH1,TL1构成。

值得注意的是:T0,T1都具有定时器和计数器两种工作模式。,不论是工作在定时器还是及刷漆模式,他们的本质都是对脉冲信号进行计数。T0,T1具有4中工作模式,分别是方式0,方式1,方式2,方式3。单片机复位之后,都为0
1.定时器/计数器的工作方式寄存器TMOD

工作格式
C/T:取决于是计数/定时(1:计数 0:定时)
GATE:定时器/计数器是否计数,是由控制位TRx(x=0,1)来控制的。
GATE:定时器/计数器是否计数,是由控制位TRx(x=0,1)和外中断共同来控制的。
M1,M0:工作方式决定位
常用 模式1和模式2

模式表
2.定时器/计数器控制寄存器TCON

格式
它的字节地址为88H,位地址为88H-8FH下面介绍高四位的功能
①TF1,TF0:计数溢出标志位
当计数器计数溢出时,该位置1.使用查询方式时,此为可供CPU查询,但应该注意查询后。应该使用软件及时清零。
②TR1,TR0:计数运行控制位
TR1位(或者TR0位)=1,启动定时器/计数器计数的必要条件。(计数/定时时必须开启)
TR1位(或者TR0位)=0,停止定时器/计数器计数的必要条件。
二,计数器/定时器的四种工作方式
1.方式0
当M1,M0为00时,计数器/定时器工作在方式0,逻辑框图如下


方式0
注意:定时器/计数器工作在方式0时,为13为计数器,最大计数量=8192(2的13次方)
2.工作方式1(常用)
当M1,M0为01时,计数器/定时器工作在方式1,逻辑框图如下

方式1

注意:定时器/计数器工作在方式1时,为16为计数器,最大计数量=65536(2的16次方)
3.工作方式2(常用)
当M1,M0为10时,计数器/定时器工作在方式2,逻辑框图如下
方式2
主意:定时器/计数器工作在方式2时,为8为计数器,最大计数量=256(2的8次方)
4.方式4(不常用)
三,定时时间的计算(重点内容)
设定时间5ms(5000us),设定时器T0的计数值为x,假设晶振的振荡频率(f)为11.0592MhZ(一般)12MhZ也是可以的。5000<65536所以采用方式1
那么设定时间为:(65536-x)*12/f
则:5000=(65536-x)*12/11.0592
得出x=60928
将60982化为16进制数(进制在线可以转换)如下图
结果是ee00 我们知道4位二进制可以表示一位16进制数。那么就是16位二进制数,分为高八位(ee),低八位(00)即可 假设采用 定时器T0 那么TH0(高八位)=0xee TL0(低八位)=0x00
三,实战阶段(外部脉冲计数)
1.原理图
2.我们的设计思路
①、数码管动态显示部分 参考动态数码管;
②、中断源的选择可考虑定时/计数器中断(二选一);
③、系统记录按键脉冲中断的个数,利用算法将其逐位分离并显示在数码管上。(按下k1加计数,K2减计数)
3.完成的效果
①、建议使用定时/计数器的计数模式扩展外中断(K3/ K4) ;
②、按键无需消抖;
③、对记录脉冲个数的变量用普通除法算法进行逐位分离。

效果图
4.源代码
#include 10g流量一个月够用吗的答案是:10g流量一个月够不够用:看怎么用了,如果看直播或者电视剧什么的,基本不要两天就没了如果只是上网微信什么的一个月绰绰有余网络流量监控能够显示已经启动并连接网络(上网)的程序,查看程序下载或上传的速度和流量信息此外,您还可以限制某些程序的上传和下载速度,禁止其访问网络。 网络流量就是网络上传输的数据量。网络流量的大小对网络架构设计具有重要意义,就像要根据来往车辆的多少和流向来设计道路的宽度和连接方式类似,根据网络流量进行网络的设计是十分必要的。 10g流量一个月够不够用 看怎么用了,如果看直播或者电视剧什么的,基本不要两天就没了。如果只是上网微信什么的一个月绰绰有余。 流量监控 网络流量监控能够显示已经启动并连接网络(上网)的程序,查看程序下载或上传的速度和流量信息。此外,您还可以限制某些程序的上传和下载速度,禁止其访问网络。这些功能可以帮助用户发现并阻止某些程序在用户不知情的情况下,偷偷访问网络占用带宽。此外,网络流量监控还能自动阻止试图访问网络的木马病毒等恶意程序。 流量监控测速“不准”的原因 一、计算方法不同 1) 平均速度 & 瞬时速度 例如:IE浏览器的下载速度是按平均速度计算,即,平均速度=文件下载量的大小/下载用的总时间。而电脑管家是按照瞬时速度来计算的,也就会显示一个非常短的时间内下载的文件量的大小。 平均速度反应的是一段时间内的下载量的平均情况;而瞬时速度反应的是不同时间点(极短的时间段)的下载量的情况。二者还是有很显著的差别的。 2) 计算速度的时间分段的不同 例如:A软件是每5秒计算一次平均速度,B软件是每10秒计算一次。可能前5秒内,网速都是10KB/S,后5秒内均为50KB/S。则,A的第一次测速为10KB/S,而B的第一次测速为30KB/S。 综上,计算方法的不同,显示的速度自然也存在差异。 二、刷新率不同 能否及时刷新显示速度的页面会直接影响用户看到的数据。 例如:之前用户的网速很慢,可能才几KB/S,但这样的状态仅仅持续了3秒,后面的速度为几百KB/S,但显示网速页面的刷新是5S/次,则用户在后2秒看到的网速还是几KB/S。就会给用户造成测速不准的感觉。 三、内部隐藏行为 例如,某些下载软件在下载其他文件的同时,会进行自身的在线更新。那么这样,这些正在更新的下载软件不会显示它自身在线更新时需要耗费的网络流量,而电脑管家会进行计算。 这种情况下,对比来看下载软件的流量显示和电脑管家的流量监控也是存在差异的。 本文关键词:一个月10g流量够不够用,10g流量一个月够用吗不看电视剧,100g流量一个月够用吗,10g流量一个月够用吗移动,10g流量一个月够用吗。这就是关于《10g流量能用多长时间,10g流量一个月够用吗(单片机学习第五课——定时器/计数器实物应用)》的所有内容,希望对您能有所帮助!按下k1后(原始显示9999)
2、10g流量能用多长时间:10g流量一个月够用吗
- 最近发表