手机版

百科生活 投稿

通信端口初始化失败,WINDOWS通信端口初始化失败该如何解决方法(200PLC如何做自由口通讯)

百科 2026-02-04 19:14:53 投稿 阅读:6464次

关于【通信端口初始化失败】,WINDOWS通信端口初始化失败该如何解决方法,今天小编给您分享一下,如果对您有所帮助别忘了关注本站哦。

  • 内容导航:
  • 1、WINDOWS通信端口初始化失败该如何解决方法
  • 2、西门子Smart 200PLC如何做自由口通讯

1、WINDOWS通信端口初始化失败该如何解决方法

首先打开运行窗口,然后在运行窗口中输入“cmd”,接着输入“netsh winsock reset”,再按回车键,最后重启电脑即可。以下用Windows 7系统华硕笔记本电脑给大家演示一下。

windows通信端口初始化失败的解决方法

点击电脑左下角的开始图标,然后再点击“运行”。

在电脑桌面会弹出一个运行窗口。

然后在输入框中输入“cmd”,再点击下方的“确定”按钮。

在电脑桌面会调出命令提示符窗口。

然后输入“netsh winsock reset”,再按回车键。

成功重置Winsock目录之后,重新启动计算机即可。

重启电脑之后,如果问题未解决,那么重启系统按F8选择安全模式进入,重复上述操作。

2、西门子Smart 200PLC如何做自由口通讯

在一些特定的场合;总有一些传感器或设备使用的通讯方式是自定义协议;这个时候需要PLC能够根据厂家规定的方式进行数据的收发。而常规的PLC都具备自由口通讯功能。下面以smart200为例说明自由口通讯如保设置。

被动接收程序端口设置:

每个 S7-200 SMART CPU 都提供一个以太网端口和一个 RS485 端口(端口0),标准型 CPU 额外支持 SB CM01 信号板(端口1),信号板可通过 STEP 7-Micro/WIN SMART 软件组态为 RS232 通信端口或 RS485 通信端口。

1.S7-200 SMART CPU 集成的 RS485 通信端口(端口0)是与 RS485 兼容的9针 D 型连接器。CPU 集成的 RS485 通信端口的引脚分配如表1. S7-200 SMART CPU 集成 RS485 端口的引脚分配表所示。
表1. S7-200 SMART CPU 集成 RS485 端口的引脚分配

通信端口初始化失败,WINDOWS通信端口初始化失败该如何解决方法(200PLC如何做自由口通讯)

CPU通信端口引脚分配

2.标准型 CPU 额外支持 SB CM01 信号板,该信号板可以通过 STEP 7-Micro/WIN SMART 软件组态为 RS485通信端口或者 RS232 通信端口。表 2. 给出了 SB CM01 信号板的引脚分配 。
表2. S7-200 SMART SB CM01 信号板端口(端口1)的引脚分配表

通信端口初始化失败,WINDOWS通信端口初始化失败该如何解决方法(200PLC如何做自由口通讯)

CM01端口定义

使用STEP 7-Micro/WIN SMART 软件组态 SB CM01 信号板为 RS485通信端口或者RS232通信端口的过程如图 1. SB CM01 信号板组态过程所示。

通信端口初始化失败,WINDOWS通信端口初始化失败该如何解决方法(200PLC如何做自由口通讯)

SMB30和SMB130设置

通信端口初始化失败,WINDOWS通信端口初始化失败该如何解决方法(200PLC如何做自由口通讯)

SMB2功能

下面就以实际程序来讲说明一下如何写通讯程序吧

1、端口0初始化,打开中断

通信端口初始化失败,WINDOWS通信端口初始化失败该如何解决方法(200PLC如何做自由口通讯)

端口初始化,开中断

2、端口1设置,

通信端口初始化失败,WINDOWS通信端口初始化失败该如何解决方法(200PLC如何做自由口通讯)

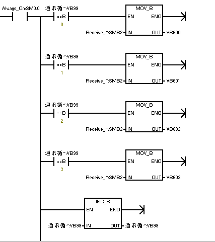
中断程序设置:

通信端口初始化失败,WINDOWS通信端口初始化失败该如何解决方法(200PLC如何做自由口通讯)

通信端口初始化失败,WINDOWS通信端口初始化失败该如何解决方法(200PLC如何做自由口通讯)

串口发送:其中VB1000代表要发送的字节数量;VB1001以后开始是发送的数据。

这就是关于《通信端口初始化失败,WINDOWS通信端口初始化失败该如何解决方法(200PLC如何做自由口通讯)》的所有内容,希望对您能有所帮助!

本文链接:https://bk.89qw.com/a-696410

最近发表
网站分类