手机版

百科生活 投稿

稳压器怎么用,稳压器的正确使用方法(轻松实现5v12v17v电源设计)

百科 2026-02-18 11:22:37 投稿 阅读:6415次

关于【稳压器怎么用】,稳压器的正确使用方法,今天小编给您分享一下,如果对您有所帮助别忘了关注本站哦。

  • 内容导航:
  • 1、稳压器怎么用?稳压器的正确使用方法
  • 2、三端稳压管的使用方法讲解,轻松实现5v12v17v电源设计

1、稳压器怎么用?稳压器的正确使用方法

稳压器,相信大家都知道,最主要的作用就是稳定电压,下面给大家说说稳压器怎么用?稳压器的正确使用方法

操作方法

首先,根据购买的稳压器的功率,可以根据每千瓦0.75平方毫米来计算。 适当的导线用于连接稳压器的输入和输出。

将电气设备的电源连接到设备的输出。 注意设备的适用电压是220V还是110V。 不要连接错误。

必须连接输出线的所有线路接口,否则线路将因大电流而被加热,这将影响有效功率。

当输出电压超过稳压器保护值时,稳压器会自动保护,降低或切断稳压器输出电压,过压指示灯亮。 用户应立即关闭以检查电网电压或稳压器。

声明:本篇经验系「www.coozhi.com」原创,转载请注明出处。

2、三端稳压管的使用方法讲解,轻松实现5v12v17v电源设计

这几天我们都讲述了稳压电源的设计,而且使用家里的220v电网电源制作的,今天给大家分享一个用直流电实现稳压效果的电路讲解,这次设计出来的电源不但能够产生正12v的稳定电压而且还能够产生负12v的稳压电源设计,怎么样还不错吧,给大家一个通用电路,在使用的时候想产生多少伏的电压就用多少伏的稳压管就可以了。

先来了解一下我们的三端稳压器

稳压器怎么用,稳压器的正确使用方法(轻松实现5v12v17v电源设计)

三端稳压器

从左往右开始数第一个为带金属外壳的稳压器,由于集电极的面积较大,因此能够大功率的工作,第二个图片是我们常见到的三端稳压管的形状,下面有三个输出引脚,在图中我们也能够很清晰地看到各个引脚的功能,第三张图片就是我们在电路中见到的形式,总之这三张图片就是为了描述三端稳压管三个引脚的功能。稳压器怎么用,稳压器的正确使用方法(轻松实现5v12v17v电源设计)

三端稳压管大体上可以分为两大种分别为78xx系列还有79xx系列,其中前者使输出稳定正电压xx表示的稳定电压数值,例如7805那就是5v的稳压管,7812就是12v的稳压管,79系列的也是如此但是稳定电压的是负值,例如7905这里的输出稳定电压值就是负5v,7912这里的输出稳定电压值就是负12v。

稳压器怎么用,稳压器的正确使用方法(轻松实现5v12v17v电源设计)

7812稳压管

三端稳压管的种类还是比较多的,一般在5-24v之间,像5V、6V、7V、8V、9V、10V、12V、15V、18V和24V都是我们在电路设计中经常会用到的,负电压也是如此,可以认为这两个管子是互补对称的。

那么三端稳压管的通用电路是什么样的呢?来看下常用原理图

稳压器怎么用,稳压器的正确使用方法(轻松实现5v12v17v电源设计)

电路图还是比较简单的,我们可以很直观的看到有电容C1、C0、还有三端稳压管,这里的三端稳压管选用几伏的,那么输出电压就对应几伏的,此外我们在选用的时候,电容C1和C0都不宜过大,一般C1取0.33uf,C0取0.1uf,如果在设计的过程中材料急缺,没有电容,不加也是可以的,但是输出端的电压波形不是很好,也是能够实现稳压只是效果不好。

此外还要注意一下,由于三端稳压管只能实现降压稳压,所以输入电压一定要大于输出电压,一般要高于输出电压2v左右,在2v-5v之间都是效果较好的,大家可以根据实际情况进行选择。

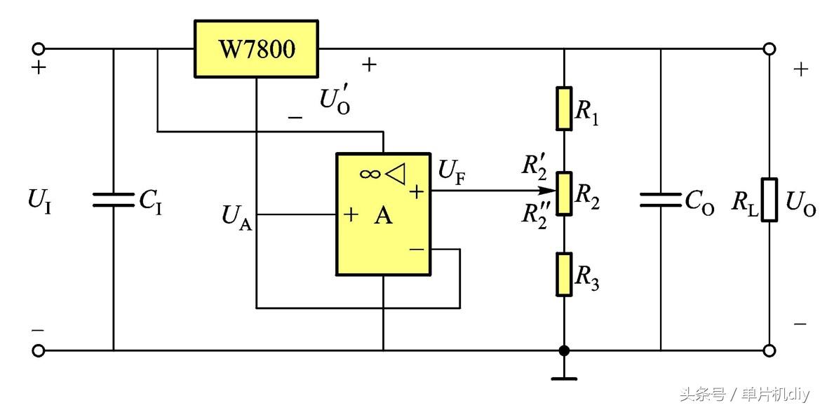
其实三端稳压管不单单能够实现稳压,也是可以实现输出电压可调的,但是最好还是不要这样,如果实现没有办法,可以选择这种方法,我也把原理图分享给大家,大家可以参考一下。

稳压器怎么用,稳压器的正确使用方法(轻松实现5v12v17v电源设计)

输出电压公式为

稳压器怎么用,稳压器的正确使用方法(轻松实现5v12v17v电源设计)

U0'就是三端稳压管的稳定电压。

本文关键词:稳压器的使用方法,电动车稳压器怎么使用,稳压器怎么用及使用注意事项,电池稳压器怎么用,稳压器怎么选择。这就是关于《稳压器怎么用,稳压器的正确使用方法(轻松实现5v12v17v电源设计)》的所有内容,希望对您能有所帮助!

本文链接:https://bk.89qw.com/a-738145

最近发表
网站分类