关于【汽车远光灯怎么开】,远光灯符号是什么,今天小编给您分享一下,如果对您有所帮助别忘了关注本站哦。
- 内容导航:
- 1、教你用51做简易计算器
- 2、汽车远光灯怎么开:远光灯符号是什么
1、教你用51做简易计算器
2.主程序(源代码)
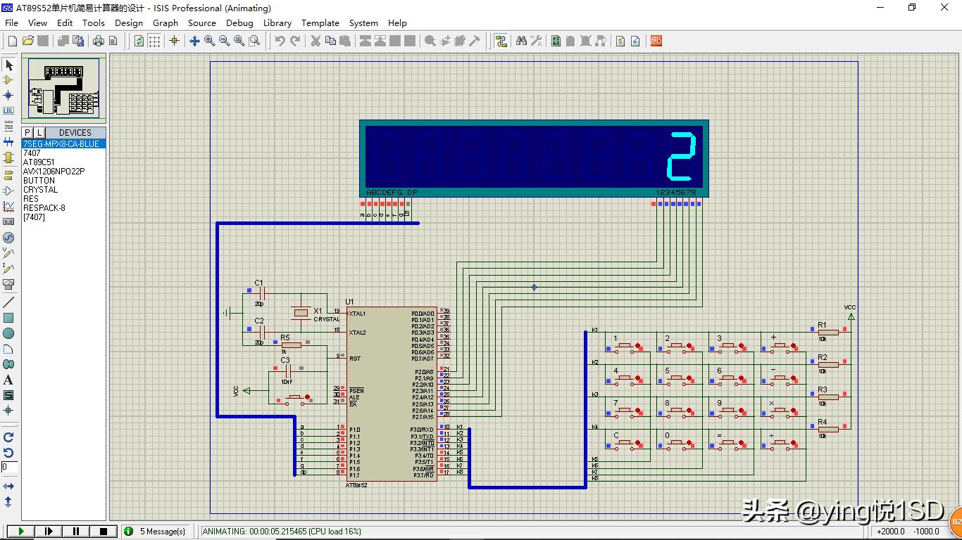
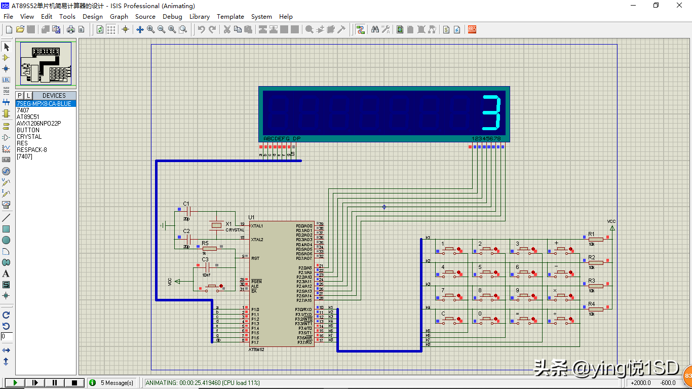
#include//#include#define LEDS 8char keyscan();void display();char dsp[9]={0,0,12,12,12,12,12,12,12};//³õʼ»¯ÏÔʾÊý×évoid calculate(char k,char c1[8],char c2[8]);unsigned char code Select[]={0x01,0x02,0x04,0x08,0x10,0x20,0x40,0x80};unsigned char code LED_CODES[]={0xC0,0xF9,0xA4,0xB0,0x99,//0-40x92,0x82,0xF8,0x80,0x90,//5-90x86,0xAF,0xFF,0x7F,0xBF,};//E,r,¿Õ¸ñ,.,-void main(void){char i,j,k,c;char a[8],b[8];TMOD=0;TL0=-(1000/256);TH0=-(1000%256);EA = 1; //×ÜÖжϿª¹ØET0 = 1; //¿ªÖжÏTR0 = 1; //ÆôÓüÆÊýÆ÷0KSC:do{for(i=1;i<9;i++)//Êý×Ö¼ÈëÑ»·{dsp[0]=keyscan();if(c==2&&dsp[0]<10)//´Ë¶Î´úÂëÑéÖ¤ÊÇ·ñÓоɵļÆËã½á¹ûÔÚÏÔʾ£¬ÇÒ²»ÔÙ²ÎÓëмÆËã{dsp[1]=dsp[0];for(j=2;j<9;j++)dsp[j]=12;c=0;}else if(c==2&&dsp[0]>9)//¾ÉµÄ¼ÆËã½á¹û½«²ÎÓëеļÆË㣬×÷ΪµÚÒ»¸öÊý{c=0;}if(dsp[0]==0&&dsp[1]==0&&dsp[2]==12)//¸öλΪ0ÇÒʮλΪ¿Õʱ°´ÏÂ0,°´¼üÎÞЧ£¬Ìø»ØKSCµÈ´ýÕýÈ·ÊäÈë{goto KSC;}else if(dsp[0]>9) break;//ÓвÙ×÷·û°´Ï£¬Ìø³öÊý×Ö¼ÈëÑ»·else{for(j=i;j>0;j--)dsp[j]=dsp[j-1];//ÒÆÎ»£¬ÒÔÕýÈ·ÏÔʾÊý×Ö}}if(i==9)//ÅжÏÊÇ·ñÊäÈë8¸öÓÐЧÊý×Ö£¬ÊÇÔòµÈ´ý²Ù×÷·û£¬·ñÔòÖ±½ÓÅжϲÙ×÷·û{do//ʹÓÃdo whileÎÞÂÛÊÇ·ñµÚÒ»¸öÊý¶¼È¡Ò»´Î²Ù×÷·û{dsp[0]=keyscan();//»ñÈ¡²Ù×÷·ûºÅif(dsp[0]==14||dsp[0]<10)//°´ÏÂC»òÕßµÚ9λÊý×ÖÇåÁã{dsp[1]=0;for(i=2;i<9;i++)dsp[i]=12;c=0;}}while((dsp[0]==15)&&(c==0));//µÈºÅ±»°´Ï£¬µÈ´ýеIJÙ×÷·û£¨½ö¶ÔµÚÒ»¸öÊý×ÖÓÐЧ£©}else if(dsp[0]==14)//°´ÏÂCÇåÁã{dsp[1]=0;for(i=2;i<9;i++)dsp[i]=12;c=0;}while(dsp[0]==15&&c==0)//δÊäÂú8λÇÒÊǵÚÒ»¸öÊý×Ö¼´°´ÏµȺţ¬µÈ´ý·ÇµÈºÅ²Ù×÷·û{dsp[0]=keyscan();//»ñÈ¡²Ù×÷·ûºÅif(dsp[0]==14||dsp[0]<10)//°´ÏÂC»òÕßÊý×Ö¶¼½øÐÐÇåÁã,ÖØÐÂÊäÈëa{dsp[0]=14;//½«dsp[0]ÖÃΪ14£¬·ÀÖ¹ÒòÊý×ÖÇåÁãδÄÜÀ¹½Ødsp[1]=0;for(i=2;i<9;i++)dsp[i]=12;c=0;}}}while(dsp[0]==14);//Êý×ÖÊäÈëδÍê³É¼´°´ÏÂC£¬ÖØÐµȴýÊäÈëdo{if(c==0)//ûÓÐÊý×ÖÊäÈë{ k=dsp[0];//´æ¼ÆËã·û£¨Ñ»·ÄÚÒÑÅųýC¡¢£½¡¢Êý×Ö£©for(i=0;i<8;i++)//½«µÚÒ»¸öÊý´æÈëa[8]{a[i]=dsp[i+1];}dsp[1]=0;//ÇåÁãfor(i=2;i<9;i++)dsp[i]=12;c=1;//ÒÑÊäÈëagoto KSC;}else if(c==1){for(i=0;i<8;i++)//½«µÚ¶þ¸öÊý´æÈëb[8]{b[i]=dsp[i+1];}c=2;//ÒÑÊäÈëbif(dsp[0]!=15)//bÊäÍêºó²Ù×÷·û²»ÊǵȺÅ{calculate(k,a,b);for(i=0;i<8;i++)//½«¼ÆËã½á¹û´æÈëa[8]£¬aÖµ¸üÐÂ{a[i]=dsp[i+1];}k=dsp[0];//¸üмÆËã·ûc=1;goto KSC;}}}while((dsp[0]==15)&&(c<2));//Ö±µ½abÊäÈëÍê³ÉÇÒ°´ÏµȺÅcalculate(k,a,b);//½øÐÐ×îºó¼ÆËãgoto KSC;//Ìø»ØKSC£¬µÈ´ýÐÂÒ»ÂÖ¼ÆËãwhile(1);//·ÀÖ¹³ÌÐòÅÜ·É}char keyscan(){char KeyL;char KeyR;char j;do{do{P3=0xF0;P3=P3|0xF0;//ÐÐɨÃè11110000if(P3!=0xF0){KeyL=P3;P3=0x0F;P3=P3|0x0F;//ÁÐɨÃè00001111KeyR=P3;}}while(KeyL==0xF0||KeyR==0x0F);for(j=0;j<12;j++)//ÑÓʱ0.001s=1ms{;}}while(P3!=0x0F); switch(KeyL&KeyR){case 0x28:{return 0;break;}case 0x11:{return 1;break;}case 0x21:{return 2;break;}case 0x41:{return 3;break;}case 0x12:{return 4;break;}case 0x22:{return 5;break;}case 0x42:{return 6;break;}case 0x14:{return 7;break;}case 0x24:{return 8;break;}case 0x44:{return 9;break;}case 0x81:{return 10;break;}//¼Ó·¨(µÚÒ»ÐУ¬µÚËÄÁÐ)case 0x82:{return 11;break;}//¼õ·¨£¨µÚ¶þÐУ¬µÚËÄÁУ©case 0x84:{return 12;break;}//³Ë·¨£¨µÚÈýÐУ¬µÚËÄÁУ©case 0x88:{return 13;break;}//³ý·¨£¨µÚËÄÐУ¬µÚËÄÁУ©case 0x18:{return 14;break;}//ÇåÁ㣨µÚËÄÐУ¬µÚÒ»ÁУ©case 0x48:{return 15;break;}//¼ÆËã½á¹û£¨µÚËÄÐУ¬µÚÈýÁУ©}}void display() interrupt 1 using 1//ÀûÓö¨Ê±Æ÷ÖжÏʵÏÖ¼äʱÏÔʾ{char i,j,h;ET0=0;for(j=8;j>0;j--)//ɨÃè8´Î{for(i=7;i>=0;i--)//´Ó¸ßλµ½µÍλɨÃèÏÔʾ{P2=0;P1=LED_CODES[dsp[8-i]];P2=Select[i];for(h=0;h<8;h++){;}}}TL0=-(1000/256);TH0=-(1000%256);ET0=1;}void calculate(char k,char a[8],char b[8]){char r[8];long i,x,y;i=0;x=0;y=0;for(i=7;i>0;i--)//Êýֵת»¯£¬½«´ú±í¿Õ¸ñµÄ12ת»¯ÎªÊý×Ö0£¬ÒòΪ¸öλ²»ÏÔʾ¿Õ¸ñ£¬Ä¬ÈÏΪ0£¬ËùÒÔ²»×ª»¯{while(a[i]==12)a[i]=0;while(b[i]==12)b[i]=0;}x=a[4];x=10000*x;x=x+a[0]+a[1]*10+a[2]*100+a[3]*1000+a[5]*100000+a[6]*1000000+a[7]*10000000;y=b[4];y=10000*y;y=y+b[0]+b[1]*10+b[2]*100+b[3]*1000+b[5]*100000+b[6]*1000000+b[7]*10000000;if(k==10)//¼Ó·¨ÔËËã{x=x+y;if(x>99999999)//´óÓÚ8룬ÏÔʾ¡°Err¡±{r[0]=11;//rr[1]=11;//rr[2]=10;//Er[3]=12;//¿Õ¸ñr[4]=12;r[5]=12;r[6]=12;r[7]=12;}else{r[0]=x%10;r[1]=(x%100)/10;r[2]=(x%1000)/100;r[3]=(x%10000)/1000;r[4]=(x%100000)/10000;r[5]=(x%1000000)/100000;r[6]=(x%10000000)/1000000;r[7]=x/10000000;}}if(k==11)//¼õ·¨ÔËËã{if(x9999999){r[0]=11;//rr[1]=11;//rr[2]=10;//Er[3]=12;//¿Õ¸ñr[4]=12;r[5]=12;r[6]=12;r[7]=12;}else{r[0]=x%10;r[1]=(x%100)/10;r[2]=(x%1000)/100;r[3]=(x%10000)/1000;r[4]=(x%100000)/10000;r[5]=(x%1000000)/100000;r[6]=(x%10000000)/1000000;r[7]=x/10000000;for(i=7;i>0;i--)//½«ÓÐЧÊý×ֵĸßһλת»¯Îª£ºÅ{if(r[i]==0&&r[i-1]!=0){r[i]=14;break;}}}}else{x=x-y;r[0]=x%10;r[1]=(x%100)/10;r[2]=(x%1000)/100;r[3]=(x%10000)/1000;r[4]=(x%100000)/10000;r[5]=(x%1000000)/100000;r[6]=(x%10000000)/1000000;r[7]=x/10000000;}}if(k==12)//³Ë·¨ÔËËã{i=x;x=x*y;if(y==0){x=0;}else if(x>99999999||x0;i--)//Êýֵת»¯,½«¸ßλµÄÎÞЧÊý×Ö0ת»¯Îª¿Õ¸ñ·û12{if(r[i]==0)r[i]=12; else break;}for(i=0;i<8;i++)//½«¼ÆËã½á¹û´æÈëdsp[9]£¬ÏÔʾÊý¸üÐÂ{dsp[i+1]=r[i];}}"title":"3.计算结果展示","content"输入2+3

输入2

输入3
2、汽车远光灯怎么开:远光灯符号是什么
远光灯符号是什么?
远光灯标志由上至下由五条平行直线和一个向右的半圆组成。远光灯打开时,是仪表盘上的蓝色标志。
远光灯打开时,是仪表盘上的蓝色标志。下面是关于远光灯的详细介绍:当不能使用远光灯时:在没有中央隔离设施或中央线的道路上,夜间会车应在相对方向150米外改用近光灯,在狭窄道路、桥梁、非机动车上会车时使用近光灯。同方向行驶的后车靠近前车行驶时,不得使用远光灯。可以使用远光灯的地方:距离前车150米以上时,可以使用远光灯,路中间有障碍物,如草地、隔离带等。
,使对面车辆在遇到远光灯时不受影响。远光灯的打开和关闭方法:需要先开近光灯;打开近光灯后,按下操纵杆。这时候仪表盘会显示可以打开远光灯。
如果关闭远光灯,只需要转回操纵杆就可以变成近光灯。 远光灯的标识是什么? 一般从仪表盘上看,远光灯的标志是蓝色的,光线的照射线角度是直的,没有倾斜;近光为绿色,光线照射线角度向下。使用远光灯的注意事项:通常,通常使用近光灯。
远光灯只能在特定条件下使用。因为远光灯会平行发射,光线集中,亮度高,会造成对向车辆驾驶员眼花、走神,形成隐患。远光灯的工作条件:远光灯的使用应满足两个条件。
第一,路上没有其他照明设备;第二种是没有迎面来车的情况。只有满足这两个条件,才能使用远光灯。一般在高速公路上行驶,都会使用远光灯。通常在市区或城市道路,夜间行车应使用近光灯。

汽车远光灯怎么开
汽车远光灯的开启方法:
1.在方向盘左侧的操纵杆或者在方向盘左侧灯光旋钮上找到远光灯开关;
2.打开近光灯,把操纵杆往下按(也就是发动机的方向),这时仪表盘会有显示,远光灯即可开启。远光灯在其焦点上发出的光会平行射出,光线较为集中,亮度较大,可以照到很远很高的物体。
远光灯与近光灯的区别是:远光角度高距离远;近光角度低距离近。远光灯效果:远光灯可以提高视线,扩大观察视野。在没有路灯的漆黑路面上,开启远光灯后的可视范围要远远大于只开启近光灯。因此在这样的环境下,开启远光灯是非常有必要的。
远光灯怎么开
远光灯开启方法如下:准备材料:汽车
1.发动车身后,将方向盘下的灯拨杆往上抬,近光灯开启。
2.发动车身后,将方向盘下的灯拨杆往上放,远光灯开启。
4.在黑暗的道路会车过后,及时将近光灯变为远光灯,确保行车安全。
5.近光灯切换为远光灯:将方向盘旁的灯拨杆从上往下放,这时车灯由近光灯切换为远光灯。
6.远光灯切换为近光灯:将灯拨杆从下往上抬,这时远光灯关闭,近光灯开启。
本文关键词:远光灯符号是什么标志,远光灯的符号是什么样子的,远光灯表示,远光灯的图标是什么,远光灯符号是什么颜色。这就是关于《汽车远光灯怎么开,远光灯符号是什么(教你用51做简易计算器)》的所有内容,希望对您能有所帮助!
本文链接:https://bk.89qw.com/a-761029