关于【电动机综合保护器】,什么是电机综合保护器,今天小编给您分享一下,如果对您有所帮助别忘了关注本站哦。
- 内容导航:
- 1、带你认识,什么是电机综合保护器
- 2、什么是电机综合保护器?怎么运用?
- 3、电动机综合保护器不显示断电保护是怎么回事?
- 4、电动机综合保护器怎么接线
1、带你认识,什么是电机综合保护器
一、产生原因
小型电动机的主要保护器是热继电器,但是面对大型电动机时,如果还使用热继电器对电动机进行保护的话,其连接点(即进出热继电器的螺丝接线点)就很容易出现发热现象及发生故障,因此出现了电动机综合保护器。电动机综合保护器是穿心式的,可以减少连接点,发热垫和故障点也相应减少,保护功能加强。
二、主要作用和功能
电动机综合保护器,是一款集启动保护、过载保护、过欠压保护、缺相保护、堵转保护、短路保护、欠过流保护、漏电保护、接地保护和三相不平衡保护等保护功能于一身的电动机保护装置。在电机出现过流、欠流、断相、堵转、短路、过欠压、漏电、三相不平衡等情况时予以报警或保护控制,避免电动机受到损坏。
三、性能特点
电动机综合保护器采用先进的实时采样技术、配以MCU微处理器及E2PROM存储技术,实现参数设定,掉电后设定参数仍保存下来,勿须再设定。一机多用,是传统继电器、电流互感器、电流表、电压表等的理想替代产品,具有测试精度高、分辨率高、线性度好、性能稳定、抗干扰能力强、动作灵敏、保护可靠、省电环保等优点。一般在长期工作下无需维护。

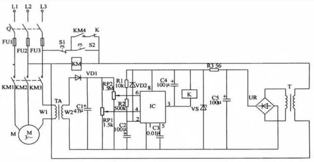
四、结构组成
电动机保护器一般都是由电源、电流检测电路、保护控制电路三部分组成,其中:
电源:变压器T、整流堆UR、滤波电容C5、限流电阻R3、稳压二极管VS组成
电流检测电路:电流互感器TA、二极管VDI、电容CI、电位器RP1、RP2组成
保护控制电路:时基集成电路IC、电阻R1/R2、二极管VD2、电容C2-C4、继电器K和交流接触器KM组成

五、类型
具有智能型和基本型两种。
基本型的电动机保护器需要通过通过拨码或电位电器设定来实现设定功能,而常见的智能型电机综合保护器一般有设置键、数据键和移位键等可以实现多种功能设置,当设置超范围时还会提醒用户重新设置,避免误动作。在使用保护器的时候,请根据现场电机线路的运行情况选择设置相应的保护参数和保护功能。同时,在选择需要的电动机保护器时,最好以产品质量为先,比较其性能、价格的差异性,从而选择最适合自己的一款保护器,例如:电机保护器需要保护的设备工作环境经常会遭到雷击的话,也可以选择附带有防雷击功能的,以减少实际使用时出现误动作等低效保护状态的情况。
除了常规的保护功能之外,还有一些电机综合保护器具有特定的保护功能。例如,故障记录、通讯、遥控、远程报警和输出等,实现计算机联网,同时检测多台电动机工作的效果。部分具有研发团队的制造商,还可以根据你的实际情况,定制出专属于你的电机保护器。
2、什么是电机综合保护器?怎么运用?
电机保护器,本质就是集成了电机的保护电路和器件,保护电路主要由欠压保护、过流保护、短路保护等组成,对于无刷直流电机,有控制器,在控制器里边集成保护器,所以一般就是一些霍尔元件,稳压管,运放,电阻,电容,三极管等器件,可以从电路上去理解的。
而对于普通的交流异步电机而言,一般采用继电器,接触器,空开,热继电器,保险等器件来组成保护器。
运用方法:
1、过电流保护设定方法:把面板上的拨动开关拨至设定位置,调整电流调节电位器使电流显示器数字为该电动机的额定电流值,再把开关拨到运行位置,此时显示器上的数字为该电动机的工作电流。
2、启动延时设定方法:全压启动可调至最小,总之启动延时时间要根据用户设备需要自行调整。
3、复位方法:当电机发生故障跳闸后,故障指示灯亮,保护装置处于记忆状态,按下面板上复位健方可复。
扩展资料
电动机综合保护器在使用时,必须设置电机的“工作电流”。目前使用的电机保护器,主要是与交流接触器配合使用,实现防缺相,防过流,主要目的是在电机内部线圈短路之前,自动提前关闭电机。以免漏电开关跳闸,特别是总漏电开关跳闸停电。
初次使用,必须设置电流整定,方法是在连接好电机后,闭合开关,让电机运转,然后用小一字螺丝刀,把保护器上的箭头旋钮转动到“过载”灯刚刚好熄灭的位置。
按照实际使用经验,即使在“过载”灯“闪烁”的状态,只要在超过3分钟没有启动保护关机,也是可以接受的。总之,最终的调节位置不能“过”。“闪”或“刚刚熄灭”都可以,观察电机运行3-10分钟,不会启动保护关机就可以了。
参考资料来源:百度百科-电动机综合保护器
3、电动机综合保护器不显示断电保护是怎么回事?
电流超过额定电流一定的时间,热继电器动作,就发出过载信号指示灯亮。由于电动机综合保护器是热保护,有时没有过载,如环境温度过高,热继电器接触点接触不好等,热继电器也会动作发出过载信号,指示灯亮。
热继电器动作发出过载信号,指示灯亮后要等热继电器温度降低,人工手动把热继电器或信号继电器恢复,指示灯才会熄灭。热继电器温度不高,没有动作指示灯也亮,是热继电器或信号继电器触点粘连,需要修复粘连的触点指示灯才会熄灭。
4、电动机综合保护器怎么接线
1.电机保护器1234点接法
(1)三相电源线穿过保护器并连接到电连接端子子,保护器输出一组在控制回路中串联的无源常闭触点。
(2)当电机出现缺相、过载、堵转、三相不平衡街等故障时。保护器动作,内部继电器作为吸引,常闭触点断开,常闭触点通过端子3和4连接到控制回路接触器线圈的工作电源切断,接触器主回路的三相触独点断开断电时电机停止运行。
(3)还有一组工作电源常见的工作电压为380V元和220V,取决于实际选择的保护器。以380V电压为例,3和4是保护器输出的无源常闭触点1和2是电源输入端子。
(4)电机保护器电路的工作原理是,当运行时按下启动按钮SB2时交流接触器的KM线圈被电吸引并闭合,KM辅助常开触点闭合并自锁表明电机和电源无故障(运行前内部继电器的常开触点已闭合)。
(5)交流接触器的KM三相主触点闭合,电机电动运行。端子3、4内部触点断开,从而切断外部接触器KM线圈回路的电源,解除KM线圈停电,断开KM三相主触点,因停电而停止电机运行,起到保护作用。
本文关键词:电机综合保护器有什么用,什么是电机综合保护器,什么是电机综合保护器图片,电机综合保护器工作原理图,电机综合保护器内部结构图。这就是关于《电动机综合保护器,什么是电机综合保护器(什么是电机综合保护器图片)》的所有内容,希望对您能有所帮助!
本文链接:https://bk.89qw.com/a-769590