手机版

百科生活 投稿

气缸套分为哪两种,气缸套结构形式分为哪几种(汽车发动机原理)

百科 2026-02-15 20:30:49 投稿 阅读:1645次

关于【气缸套分为哪两种】,气缸套结构形式分为哪几种,今天小编给您分享一下,如果对您有所帮助别忘了关注本站哦。

  • 内容导航:
  • 1、汽车发动机原理
  • 2、气缸套结构形式分为哪几种?
  • 3、内燃机车气缸套形式
  • 4、气缸套的作用是什么

1、汽车发动机原理

由于汽油和柴油的不同特性,汽油机和柴油机在工作原理和结构上有差异。

汽油发动机(汽油机)的工作原理

气缸套分为哪两种,气缸套结构形式分为哪几种(汽车发动机原理)

汽车发动机

四冲程汽油机是将空气与汽油以一定的比例混合成良好的混合气,在吸气冲程被吸入汽缸,混合气经压缩点火燃烧而产生热能,高温高压的气体作用于活塞顶部,推动活塞作往复直线运动,通过连杆、曲轴飞轮机构对外输出机械能。四冲程汽油机在进气冲程、压缩冲程、做功冲程和排气冲程内完成一个工作循环。

⑴进气冲程(intake stroke)

活塞在曲轴的带动下由上止点移至下止点。此时进气门开启,排气门关闭,曲轴转动180°。在活塞移动过程中,汽缸容积逐渐增大,汽缸内气体压力从pr逐渐降低到pa,气缸内形成一定的真空度,空气和汽油的混合气通过进气门被吸入汽缸,并在汽缸内进一步混合形成可燃混合气。由于进气系统存在阻力,进气终点时,汽缸内气体压力小于大气压力p0 ,即pa= (0.80~0.90)p0。进入汽缸内的可燃混合气的温度,由于进气管、汽缸壁、活塞顶、气门和燃烧室壁等高温零件的加热以及与残余废气的混合而升高到340~400K。

⑵ 压缩冲程(compression stroke)

压缩冲程时,进、排气门同时关闭。活塞从下止点向上止点运动,曲轴转动180°。活塞上移时,工作容积逐渐缩小,缸内混合气受压缩后压力和温度不断升高,到达压缩终点时,其压力pc可达800~2 000kPa,温度达600~750K。

⑶ 做功冲程(power stroke)

气缸套分为哪两种,气缸套结构形式分为哪几种(汽车发动机原理)

当活塞接近上止点时,由火花塞点燃可燃混合气,混合气燃烧释放出大量的热能,使汽缸内气体的压力和温度迅速提高。燃烧最高压力pZ达3 000~6 000kPa,温度TZ达2 200~2 800K。高温高压的燃气推动活塞从上止点向下止点运动,并通过曲柄连杆机构对外输出机械能。随着活塞下移,汽缸容积增加,气体压力和温度逐渐下降,到达 b 点时,其压力降至300~500kPa,温度降至1 200~1 500K。在做功冲程,进气门、排气门均关闭,曲轴转动180°。

⑷ 排气冲程(exhaust stroke)

排气冲程时,排气门开启,进气门仍然关闭,活塞从下止点向上止点运动,曲轴转动180°。排气门开启时,燃烧后的废气一方面在汽缸内外压差作用下向缸外排出,另一方面通过活塞的排挤作用向缸外排气。由于排气系统的阻力作用,排气终点r 点的压力稍高于大气压力,即pr=(1.05~1.20)p0。排气终点温度Tr=900~1100K。活塞运动到上止点时,燃烧室中仍留有一定容积的废气无法排出,这部分废气叫残余废气。

四冲程柴油机的工作原理

四冲程柴油机工作原理汽油机一样,每个工作循环也是由进气冲程、压缩冲程、做功冲程和排气冲程组成。由于柴油与汽油相比,自燃温度低、黏度大不易蒸发,因而柴油机采用压缩终点压燃着火(压燃式点火),而汽油机是火花塞点燃。

⑴进气冲程

气缸套分为哪两种,气缸套结构形式分为哪几种(汽车发动机原理)

汽车发动机

进入汽缸的工质是纯空气。由于柴油机进气系统阻力较小,进气终点压力pa= (0.85~0.95)p0,比汽油机高。进气终点温度Ta=300~340K,比汽油机低。

⑵ 压缩冲程

由于压缩的工质是纯空气,因此柴油机的压缩比比汽油机高(一般为ε=16~22)。压缩终点的压力为3 000~5 000kPa,压缩终点的温度为750~1 000K,大大超过柴油的自燃温度(约520K)。

⑶ 做功冲程

当压缩冲程接近终了时,在高压油泵作用下,将柴油以100MPa左右的高压通过喷油器喷入汽缸燃烧室中,在很短的时间内与空气混合后立即自行发火燃烧。汽缸内气体的压力急速上升,最高达5 000~9 000kPa,最高温度达1 800~2 000K。由于柴油机是靠压缩自行着火燃烧,故称柴油机为压燃式发动机。

⑷ 排气冲程

柴油机的排气与汽油机基本相同,只是排气温度比汽油机低。一般Tr=700~900K。对于单缸发动机来说,其转速不均匀,发动机工作不平稳,振动大。这是因为四个冲程中只有一个冲程是做功的,其他三个冲程是消耗动力为做功做准备的冲程。为了解决这个问题,飞轮必须具有足够大的转动惯量,这样又会导致整个发动机质量和尺寸增加。采用多缸发动机可以弥补上述不足。现代汽车多采用四缸、六缸和八缸发动机。

结构

气缸套分为哪两种,气缸套结构形式分为哪几种(汽车发动机原理)

配气机构和曲柄连杆机构

发动机是由曲柄连杆机构和配气机构两大机构,以及冷却、润滑、点火、燃料供给、启动系统等五大系统组成。主要部件有气缸体、气缸盖、活塞、活塞销、连杆、曲轴、飞轮等。往复活塞式内燃机的工作腔称作汽缸,汽缸内表面为圆柱形。在汽缸内作往复运动的活塞通过活塞销与连杆的一端铰接,连杆的另一端则与曲轴相连,曲轴由气缸体上的轴承支承,可在轴承内转动,构成曲柄连杆机构。活塞在汽缸内作往复运动时,连杆推动曲轴旋转。

反之,曲轴转动时,连杆轴颈在曲轴箱内作圆周运动,并通过连杆带动活塞在气缸内上下移动。曲轴每转一周,活塞上、下各运行一次,汽缸的容积在不断的由小变大,再由大变小,如此循环不已。汽缸的顶端用汽缸盖封闭。汽缸盖上装有进气门和排气门。通过进、排气门的开闭实现向汽缸内充气和向汽缸外排气。进、排气门的开闭由凸轮轴驱动。凸轮轴由曲轴通过齿形带或齿轮驱动。

气缸套分为哪两种,气缸套结构形式分为哪几种(汽车发动机原理)

汽车发动机

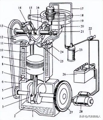
单缸发动机的基本结构

1—油底壳

8—活塞

15—排气门

22—点火开关

2—机油

9—水套

16—凸轮轴

23—点火线圈

3—曲轴

10—汽缸

17—高压线

24—火花塞

4—曲轴同步带轮

11—汽缸盖

18—分电器

25—进气门

5—同步带

12—排气管

19—空气滤清器

26—蓄电池

6—曲轴箱

13—凸轮轴同步带轮

20—化油器

27—飞轮

7—连杆

14—摇臂

21—进气管

28—启动机

曲柄连杆机构

在做功行程时,曲柄连杆机构将燃料燃烧以后产生的气体压力,经过活塞、连杆转变为曲轴旋转的转矩;然后,利用飞轮的惯性完成进气、压缩、排气3个辅助行程。曲柄连杆机构由气缸体曲轴箱组、活塞连杆组和曲轴飞轮组3部分组成。

一、气缸体曲轴箱组

气缸套分为哪两种,气缸套结构形式分为哪几种(汽车发动机原理)

浇铸完成的气缸体

气缸体和曲轴箱通常铸成一体,统称为气缸体,它是发动机的外壳及装配基础,一般采用优质合金铸铁或铝合金制成。气缸体内呈圆柱形的空间称为气缸,气缸表面称为气缸壁。气缸是气体交换、燃烧的场所,也是活塞运动的轨道。为保证活塞与气缸的密封及减少磨损,气缸壁应具有有效较高的加工精度和较低的表面粗糙度。为了使气缸在工作时的热量得到散发,在气缸体、气缸套机体之间制有能够容纳冷却液的夹层空腔,称为水套。

在气缸体的下部有主轴承座,用于安装曲轴飞轮组。气缸体的侧面设有挺杆室,用于安装气门传动机件。气缸体的上平面安装气缸盖,下平面安装机油盘,前端面安装正时齿轮盖,均加有衬垫并用螺栓紧固密封。气缸体的后端面安装飞轮壳。

为了增强缸体的耐磨性,延长气缸体的使用寿命,气缸体内大都镶有气缸套。气缸套分为干式和湿式两种。干式气缸套不与冷却液接触,为防止缸套向下窜动,可在上/下止口限位。湿式气缸套外表面直接与冷却液接触,为防止漏冷却液,缸套下止口处装有1~3个橡胶密封圈。

机油盘的作用是储存润滑油,故俗称油底壳。它一般采用薄壁钢板冲压而成,内部设有稳油挡板以防止润滑油过分激荡,底部设有放油塞以便更换润滑油。

气缸盖的主要作用是封闭气缸上部,并与活塞顶构成燃烧室。气缸盖上有燃烧室、水套、火花塞座孔(柴油发动机有喷油器安装孔)、进排气道、气门座、气门导管座孔等。上部装有摇臂轴总成,用气缸盖罩封闭,结合面间装有密封点垫。汽油发动机气缸盖一般是整体的,但也有例外,如EQ6100—1型发动机就是两个气缸盖。气缸直径较大的柴油发动机采用一缸一盖或二缸一盖,最多不超过三缸一盖,以防止气缸盖变形。

气缸垫俗称气缸床,安装在气缸盖与气缸体之间,其作用是密封气缸体与气缸盖的结合平面,以防止漏气、漏冷却液及漏油。气缸垫多采用石棉板材料制成,有些用石棉板两面包铜皮或铁皮制成,有些用中间钢片两面贴适合应性好的乳胶石棉板制成。燃烧室孔采用双层或单层金属包边,以防燃烧气体冲坏石棉层。

二、活塞连杆组

三、曲轴飞轮组

配气机构

配气机构的作用是根据发动机的工作顺序和各缸工作循环的要求,及时地开启和关闭进、排气门,使可燃混合气(汽油发动机)或新鲜空气(柴油发动机)进入气缸,并将废气排入大气。

四冲程发动机广泛采用气门凸轮式配气机构,它由气门组和气门传动组两部分组成。按其传动方式不同,可分为正时齿轮传动式和链条传动式两种;按凸轮轴的位置不同,可分为下置凸轮轴式、中置凸轮轴式和上置凸轮轴式。下置凸轮轴式配气机构工作时,曲轴通过一对互相啮合的正时齿轮带动凸轮轴旋转,当凸轮的凸尖上升到最高位置时气门开度最大。当凸轮的凸尖向下运动时,由于气门弹簧的弹力作用,气门及其传动机件恢复原位,将气道关闭。与下置凸轮轴式配气机构相比,中置和上置凸轮轴式配气机构因曲轴与凸轮轴距离较大,故多为正时链条或正时带传动。中置凸轮轴式省去了推杆;上置凸轮轴式省去了挺杆及推杆。

一、气门组

气门组一般由气门、气门座、气门导管、气门油封、气门弹簧和气门锁片等组成。

气门分为进气门和排气门两种,其作用是分别用来关闭进、排气道。气门由头部和杆部组成,头部制成锥形,与气门座的锥面配合。头部锥角,一般为45°。同一台发动机的进气门头部直径大于排气门头部直径,以提高发动机的充气量。气门杆部为圆柱形,与气门导管内孔配合,杆的端部制有环槽,用来安装气门弹簧座锁片。

气门座用来保证气门密封,并将气门头部的热量传给气缸盖。气门座一般用特种合金制成环状,紧密地镶在气缸盖上。

气门导管用来引导气门作往复直线运动,保证气门与气门座闭合位置正确。为防止气缸盖上润滑油从气门与气门导管之间的间隙进入燃烧室,气门导管上端装有气门油封。

气门弹簧是圆柱形螺旋弹簧,它可使气门迅速关闭,并使气门头部与气门座相互压紧,保证密封。

二、气门传动组

气门传动组的作用是按照发动机的工作顺序,适时地开启和关闭气门,并保证气门有足够的开度。

凸轮轴用于控制气门开闭,并驱动汽油泵、机油泵和分电器等机件工作。凸轮轴上制有进气凸轮、排气凸轮、轴颈、驱动机油泵及分电器的齿轮、推动汽油泵摇臂的偏心轮等,进气和排气凸轮是凸轮轴的重要组成部分,它们在凸轮轴上的排列顺序由进、排气道的布置来决定。

正时齿轮及正时链条或正时皮带实现曲轴与凸轮轴之间的传动。如CA6102、BJ492Q型发动机为正时齿轮传动;北京切诺基汽车发动机为正时链条传动;上海桑塔纳汽车发动机为正时带传动。四冲程发动机曲轴旋转两周,凸轮轴应旋转应一周,使进、排气门各开、闭一次,并且气门开闭时机须与各缸工作循环的需要相适应。因此,无论是齿轮传动还是链条传动,都必须按照规定的记号装配,其记号一般为轮齿部位的凹坑。

气门挺杆的作用是将凸轮的推力传给推杆或气门。挺杆的类型有菌型、筒形非液压式、筒形液压式等,筒形液压式等,筒形液压式挺杆无气门间隙,可以减少发动机的噪声,但精度要求严、成本高,多应用于高级轿车发动机。

气缸套分为哪两种,气缸套结构形式分为哪几种(汽车发动机原理)

汽车发动机

气门推杆的作用是将挺杆的推力传给摇臂,驱动气门开启。推杆的上、下端头经热处理并抛磨,以提高耐磨性;杆身有实心和空心两种。

摇臂及摇臂轴总成的作用是改变推杆(下置凸轮轴式)、挺杆(中置凸轮轴式)或凸轮(上置凸轮轴式)的推力方向,使气门开启。摇臂轴总成固定在气缸盖上部,主要由摇臂、摇臂轴支座等组成,摇臂制成两臂不等长,这样使挺杆、推杆以较小的升程就能获得气门较大的开度。摇臂长臂一端与气门杆相对应,短臂一端装有调整螺钉及螺母,用来调整气门脚间隙。摇臂轴为空心轴,与摇臂轴支座、摇臂有贯通的润滑油道,以润滑配气机构部分的摩擦表面。

供给系统

汽油发动机燃料系的作用是根据发动机不同工作情况的需要,将纯净的空气和汽油配制成适当比例的可燃混合气,送入各个气缸进行燃烧后所产生的废气排入大气中。

点火系统

气缸套分为哪两种,气缸套结构形式分为哪几种(汽车发动机原理)

汽车发动机

在汽油机中,气缸内的可燃混合气是靠电火花点燃的,为此在汽油机的气缸盖上装有火花塞,火花塞头部伸入燃烧室内。能够按时在火花塞电极间产生电火花的全部设备称为点火系统。传统点火系统由蓄电池、发电机、点火线圈,分电器、火花塞等组成。普通式和传统式点火系统类似,只是用电子元件取代了分电器。电子点火式全部是全电子点火系统,完全取消了机械装置,由电子系统控制点火时刻,包括蓄电池、发电机、点火线圈、火花塞和电子控制系统等。

冷却系统

冷却系统将受热零件吸收的部分热量及时散发出去,保证发动机在最适宜的温度状态下工作。水冷式冷却系统由水套、水泵、散热器、风扇、节温器等组成。风冷式由风扇和散热片等组成。

润滑系统

润滑系的功用是向作相对运动的零件表面输送定量的清洁润滑油,以实现液体摩擦,减小摩擦阻力,减轻机件的磨损。并对零件表面进行清洗和冷却。润滑系统由机油泵、集滤器、限压阀、油道、机油滤清器等组成。

起动系统

要使发动机由静止状态过渡到工作状态,必须先用外力转动发动机的曲轴,使活塞作往复运动,气缸内的可燃混合气燃烧膨胀作功,推动活塞向下运动使曲轴旋转。发动机才能自行运转,工作循环才能自动进行。因此,曲轴在外力作用下开始转动到发动机开始自动地怠速运转的全过程,称为发动机的起动。完成起动过程所需的装置,称为发动机的起动系。它由起动机及其附属装置组成。

性能指标

发动机的性能指标用来表征发动机的性能特点,并作为评价各类发动机性能优劣的依据。发动机的性能指标主要有:动力性指标、经济性指标、环境指标、可靠性指标和耐久性指标。

  • 动力性指标:动力性指标是表征发动机做功能力大小的指标,一般用发动机的有效扭转矩、有效功率、发动机转速等作为评价指标。
  • 经济性指标:发动机经济性指标一般用有效燃油消耗率表示。发动机每输出1kW·h的有效功所消耗的燃油量(以g为单位)称为有效燃油消耗率.
  • 环境指标:汽车排放标准和汽车噪声水平。中国机动车辆噪声标准(GB/T 18697—2002)中规定,轿车的噪声不得大于79dB(A)。
  • 可靠性指标和耐久性指标:可靠性指标是表示发动机在规定的使用条件下,在规定的时间内,正常持续工作能力的指标。可靠性有多种评价方法,如首次故障行驶里程、平均故障间隔里程等。耐久性指标是指发动机主要零件磨损到不能继续正常工作的极限时间。
  • 发动机万有特性:汽车发动机的工况能在很广泛的范围内变化。当发动机的工况(即功率和转速)发生变化时,其性能(包括动力性、经济性、排放性和噪声等)也随之改变。发动机性能指标随运行工况而变化的关系称为发动机万有特性。

发动机技术

  • 智能可变配气正时系统(VVT-i)是丰田独有的发动机技术,通过调整凸轮轴转角以获得最佳的配气正时。
  • 连续可变的气门正时系统(CVVT)是韩国在VVT-i和i-VTEC的基础上研发而来,通过控制气门的开闭使燃料燃烧更充分。
  • 可变气门配气相位和气门升程电子控制系统(VTEC)由本田汽车开发的VTEC现已演变成i-VTEC。在中低速和高速会用两组不同的气门驱动凸轮,还可以控制气门的开启时间和提升程度,即改变进气量和排气量。
  • 缸内直喷分层燃烧(FSI)将燃料在最恰当的时间直接注入燃烧室。通过对燃烧室内部形状的设计,使火花塞周围会有较浓的混合气,而其他区域则是较稀的混合气,保证了在顺利点火的情况下尽可能地实现稀薄燃烧。
  • 可变排量发动机(MDS)可在4缸和8缸模式间自动转换。

2、气缸套结构形式分为哪几种?

气缸套可分为干缸套和湿缸套两种,背面不接触冷却水的气缸套叫干缸套,背面和冷却水接触的气缸套是湿缸套。干缸套厚度较薄、结构简单、加工方便。湿缸套直接接触冷却水,所以有利于发动机的冷却,有利于发动机的小型轻量化。缸套就是气缸套的简称,其镶在缸体的缸筒内,与活塞和缸盖共同组成燃烧室。柴油机拉缸是指柴油机活塞组件与气缸配合工作面相互剧烈作用(产生于摩擦),在工作表面上产生过度磨损、拉毛、划痕、擦伤、裂纩或咬死的现象。

3、内燃机车气缸套形式

内燃机车气缸套形式如下:

气缸套的性能直接影响着内燃机的动力性、可靠性、经济性、排放等技术要求。广泛应用于汽车、摩托车、工程建筑广泛应用于汽车、摩托车、机械、农业机械、园林机械、船舶、机械等。

缸套内表硬度通常要求大于HB200,且与活塞环硬度有良好匹配。内表面还应有适当的粗糙度,使其具有一定贮油能力和磨合性能。内表面应有足够的圆度和圆柱度精度,安装支承面对内孔中心应有较高的位置精度。

注意事项:

对润滑和冷却柴油机各运动摩擦副的润滑油进行冷却,使润滑油温度保持在适当范围内,保证柴油机运动副间隙正常,保持润滑油性能,延长润滑油使用寿命。对柴油机增压空气进行冷却,提髙空气密度,可使燃烧充分,增加柴油机功率,由于各部分对温度要求不同。

机车冷却水系统分为两个独立的循环系统:冷却柴油机、增压器的高温冷却水系统和冷却增压空气、润滑油的低温冷却水系统。柴油机工作时,在水泵驱动下,冷却水流经柴油机、增压器、空气中间冷却器和油水热交换器时吸收的热量,在流经水散热器时,又将热量传送给空气,水得到冷却后,再次被水泵吸入,周而复始地吸热、放热、循环流动。

4、气缸套的作用是什么

缸套的作用有:1、与缸盖、活塞共同构成气缸工作空间;2、筒形活塞柴油机的气缸套承受活塞侧推力,成为活塞往复运动的导程;3、将活塞组件及本身的热量传给冷却水,使之工作温度适当;4、二冲程柴油机的气缸套布置有气口,由活塞启闭,实现配气。

气缸套是一个圆筒形零件,置于机体的气缸体孔中,上由气缸盖压紧固定。活塞在其内孔作往复运动,其外有冷却水冷却。

气缸套分为干缸套和湿缸套两大类,背面不接触冷却水的气缸套叫干缸套,背面和冷却水接触的气缸套是湿缸套。干缸套厚度较薄、结构简单、加工方便。湿缸套直接接触冷却水,所以有利于发动机的冷却,有利于发动机的小型轻量化。干缸套不直接与冷却液接触,壁厚一般为1~3mm。优点是气缸体刚度大,气缸中心距小。能保证良好的水密封性,没有穴蚀现象。

(图/文/摄: 选车小哥) @2019

本文关键词:气缸体按结构形式可分为,气缸套结构形式分为哪几种,气缸套结构形式有几种,气缸套的结构形式有哪三种,气缸盖按结构形式分为。这就是关于《气缸套分为哪两种,气缸套结构形式分为哪几种(汽车发动机原理)》的所有内容,希望对您能有所帮助!

本文链接:https://bk.89qw.com/a-770921

最近发表
网站分类