关于【传动轴是什么意思】,等速传动轴是什么意思,今天小编给您分享一下,如果对您有所帮助别忘了关注本站哦。
- 内容导航:
- 1、教你用51做简易计算器
- 2、谁能回答传动轴的含义及特点都有什么?
- 3、汽车一轴二轴三轴是什么意思?
- 4、大汽车的后桥和传动轴有些什么型号,都代表什么意思
1、教你用51做简易计算器
2.主程序(源代码)
#include//#include#define LEDS 8char keyscan();void display();char dsp[9]={0,0,12,12,12,12,12,12,12};//³õʼ»¯ÏÔʾÊý×évoid calculate(char k,char c1[8],char c2[8]);unsigned char code Select[]={0x01,0x02,0x04,0x08,0x10,0x20,0x40,0x80};unsigned char code LED_CODES[]={0xC0,0xF9,0xA4,0xB0,0x99,//0-40x92,0x82,0xF8,0x80,0x90,//5-90x86,0xAF,0xFF,0x7F,0xBF,};//E,r,¿Õ¸ñ,.,-void main(void){char i,j,k,c;char a[8],b[8];TMOD=0;TL0=-(1000/256);TH0=-(1000%256);EA = 1; //×ÜÖжϿª¹ØET0 = 1; //¿ªÖжÏTR0 = 1; //ÆôÓüÆÊýÆ÷0KSC:do{for(i=1;i<9;i++)//Êý×Ö¼ÈëÑ»·{dsp[0]=keyscan();if(c==2&&dsp[0]<10)//´Ë¶Î´úÂëÑéÖ¤ÊÇ·ñÓоɵļÆËã½á¹ûÔÚÏÔʾ£¬ÇÒ²»ÔÙ²ÎÓëмÆËã{dsp[1]=dsp[0];for(j=2;j<9;j++)dsp[j]=12;c=0;}else if(c==2&&dsp[0]>9)//¾ÉµÄ¼ÆËã½á¹û½«²ÎÓëеļÆË㣬×÷ΪµÚÒ»¸öÊý{c=0;}if(dsp[0]==0&&dsp[1]==0&&dsp[2]==12)//¸öλΪ0ÇÒʮλΪ¿Õʱ°´ÏÂ0,°´¼üÎÞЧ£¬Ìø»ØKSCµÈ´ýÕýÈ·ÊäÈë{goto KSC;}else if(dsp[0]>9) break;//ÓвÙ×÷·û°´Ï£¬Ìø³öÊý×Ö¼ÈëÑ»·else{for(j=i;j>0;j--)dsp[j]=dsp[j-1];//ÒÆÎ»£¬ÒÔÕýÈ·ÏÔʾÊý×Ö}}if(i==9)//ÅжÏÊÇ·ñÊäÈë8¸öÓÐЧÊý×Ö£¬ÊÇÔòµÈ´ý²Ù×÷·û£¬·ñÔòÖ±½ÓÅжϲÙ×÷·û{do//ʹÓÃdo whileÎÞÂÛÊÇ·ñµÚÒ»¸öÊý¶¼È¡Ò»´Î²Ù×÷·û{dsp[0]=keyscan();//»ñÈ¡²Ù×÷·ûºÅif(dsp[0]==14||dsp[0]<10)//°´ÏÂC»òÕßµÚ9λÊý×ÖÇåÁã{dsp[1]=0;for(i=2;i<9;i++)dsp[i]=12;c=0;}}while((dsp[0]==15)&&(c==0));//µÈºÅ±»°´Ï£¬µÈ´ýеIJÙ×÷·û£¨½ö¶ÔµÚÒ»¸öÊý×ÖÓÐЧ£©}else if(dsp[0]==14)//°´ÏÂCÇåÁã{dsp[1]=0;for(i=2;i<9;i++)dsp[i]=12;c=0;}while(dsp[0]==15&&c==0)//δÊäÂú8λÇÒÊǵÚÒ»¸öÊý×Ö¼´°´ÏµȺţ¬µÈ´ý·ÇµÈºÅ²Ù×÷·û{dsp[0]=keyscan();//»ñÈ¡²Ù×÷·ûºÅif(dsp[0]==14||dsp[0]<10)//°´ÏÂC»òÕßÊý×Ö¶¼½øÐÐÇåÁã,ÖØÐÂÊäÈëa{dsp[0]=14;//½«dsp[0]ÖÃΪ14£¬·ÀÖ¹ÒòÊý×ÖÇåÁãδÄÜÀ¹½Ødsp[1]=0;for(i=2;i<9;i++)dsp[i]=12;c=0;}}}while(dsp[0]==14);//Êý×ÖÊäÈëδÍê³É¼´°´ÏÂC£¬ÖØÐµȴýÊäÈëdo{if(c==0)//ûÓÐÊý×ÖÊäÈë{ k=dsp[0];//´æ¼ÆËã·û£¨Ñ»·ÄÚÒÑÅųýC¡¢£½¡¢Êý×Ö£©for(i=0;i<8;i++)//½«µÚÒ»¸öÊý´æÈëa[8]{a[i]=dsp[i+1];}dsp[1]=0;//ÇåÁãfor(i=2;i<9;i++)dsp[i]=12;c=1;//ÒÑÊäÈëagoto KSC;}else if(c==1){for(i=0;i<8;i++)//½«µÚ¶þ¸öÊý´æÈëb[8]{b[i]=dsp[i+1];}c=2;//ÒÑÊäÈëbif(dsp[0]!=15)//bÊäÍêºó²Ù×÷·û²»ÊǵȺÅ{calculate(k,a,b);for(i=0;i<8;i++)//½«¼ÆËã½á¹û´æÈëa[8]£¬aÖµ¸üÐÂ{a[i]=dsp[i+1];}k=dsp[0];//¸üмÆËã·ûc=1;goto KSC;}}}while((dsp[0]==15)&&(c<2));//Ö±µ½abÊäÈëÍê³ÉÇÒ°´ÏµȺÅcalculate(k,a,b);//½øÐÐ×îºó¼ÆËãgoto KSC;//Ìø»ØKSC£¬µÈ´ýÐÂÒ»ÂÖ¼ÆËãwhile(1);//·ÀÖ¹³ÌÐòÅÜ·É}char keyscan(){char KeyL;char KeyR;char j;do{do{P3=0xF0;P3=P3|0xF0;//ÐÐɨÃè11110000if(P3!=0xF0){KeyL=P3;P3=0x0F;P3=P3|0x0F;//ÁÐɨÃè00001111KeyR=P3;}}while(KeyL==0xF0||KeyR==0x0F);for(j=0;j<12;j++)//ÑÓʱ0.001s=1ms{;}}while(P3!=0x0F); switch(KeyL&KeyR){case 0x28:{return 0;break;}case 0x11:{return 1;break;}case 0x21:{return 2;break;}case 0x41:{return 3;break;}case 0x12:{return 4;break;}case 0x22:{return 5;break;}case 0x42:{return 6;break;}case 0x14:{return 7;break;}case 0x24:{return 8;break;}case 0x44:{return 9;break;}case 0x81:{return 10;break;}//¼Ó·¨(µÚÒ»ÐУ¬µÚËÄÁÐ)case 0x82:{return 11;break;}//¼õ·¨£¨µÚ¶þÐУ¬µÚËÄÁУ©case 0x84:{return 12;break;}//³Ë·¨£¨µÚÈýÐУ¬µÚËÄÁУ©case 0x88:{return 13;break;}//³ý·¨£¨µÚËÄÐУ¬µÚËÄÁУ©case 0x18:{return 14;break;}//ÇåÁ㣨µÚËÄÐУ¬µÚÒ»ÁУ©case 0x48:{return 15;break;}//¼ÆËã½á¹û£¨µÚËÄÐУ¬µÚÈýÁУ©}}void display() interrupt 1 using 1//ÀûÓö¨Ê±Æ÷ÖжÏʵÏÖ¼äʱÏÔʾ{char i,j,h;ET0=0;for(j=8;j>0;j--)//ɨÃè8´Î{for(i=7;i>=0;i--)//´Ó¸ßλµ½µÍλɨÃèÏÔʾ{P2=0;P1=LED_CODES[dsp[8-i]];P2=Select[i];for(h=0;h<8;h++){;}}}TL0=-(1000/256);TH0=-(1000%256);ET0=1;}void calculate(char k,char a[8],char b[8]){char r[8];long i,x,y;i=0;x=0;y=0;for(i=7;i>0;i--)//Êýֵת»¯£¬½«´ú±í¿Õ¸ñµÄ12ת»¯ÎªÊý×Ö0£¬ÒòΪ¸öλ²»ÏÔʾ¿Õ¸ñ£¬Ä¬ÈÏΪ0£¬ËùÒÔ²»×ª»¯{while(a[i]==12)a[i]=0;while(b[i]==12)b[i]=0;}x=a[4];x=10000*x;x=x+a[0]+a[1]*10+a[2]*100+a[3]*1000+a[5]*100000+a[6]*1000000+a[7]*10000000;y=b[4];y=10000*y;y=y+b[0]+b[1]*10+b[2]*100+b[3]*1000+b[5]*100000+b[6]*1000000+b[7]*10000000;if(k==10)//¼Ó·¨ÔËËã{x=x+y;if(x>99999999)//´óÓÚ8룬ÏÔʾ¡°Err¡±{r[0]=11;//rr[1]=11;//rr[2]=10;//Er[3]=12;//¿Õ¸ñr[4]=12;r[5]=12;r[6]=12;r[7]=12;}else{r[0]=x%10;r[1]=(x%100)/10;r[2]=(x%1000)/100;r[3]=(x%10000)/1000;r[4]=(x%100000)/10000;r[5]=(x%1000000)/100000;r[6]=(x%10000000)/1000000;r[7]=x/10000000;}}if(k==11)//¼õ·¨ÔËËã{if(x9999999){r[0]=11;//rr[1]=11;//rr[2]=10;//Er[3]=12;//¿Õ¸ñr[4]=12;r[5]=12;r[6]=12;r[7]=12;}else{r[0]=x%10;r[1]=(x%100)/10;r[2]=(x%1000)/100;r[3]=(x%10000)/1000;r[4]=(x%100000)/10000;r[5]=(x%1000000)/100000;r[6]=(x%10000000)/1000000;r[7]=x/10000000;for(i=7;i>0;i--)//½«ÓÐЧÊý×ֵĸßһλת»¯Îª£ºÅ{if(r[i]==0&&r[i-1]!=0){r[i]=14;break;}}}}else{x=x-y;r[0]=x%10;r[1]=(x%100)/10;r[2]=(x%1000)/100;r[3]=(x%10000)/1000;r[4]=(x%100000)/10000;r[5]=(x%1000000)/100000;r[6]=(x%10000000)/1000000;r[7]=x/10000000;}}if(k==12)//³Ë·¨ÔËËã{i=x;x=x*y;if(y==0){x=0;}else if(x>99999999||x0;i--)//Êýֵת»¯,½«¸ßλµÄÎÞЧÊý×Ö0ת»¯Îª¿Õ¸ñ·û12{if(r[i]==0)r[i]=12; else break;}for(i=0;i<8;i++)//½«¼ÆËã½á¹û´æÈëdsp[9]£¬ÏÔʾÊý¸üÐÂ{dsp[i+1]=r[i];}}"title":"3.计算结果展示","content"输入2+3

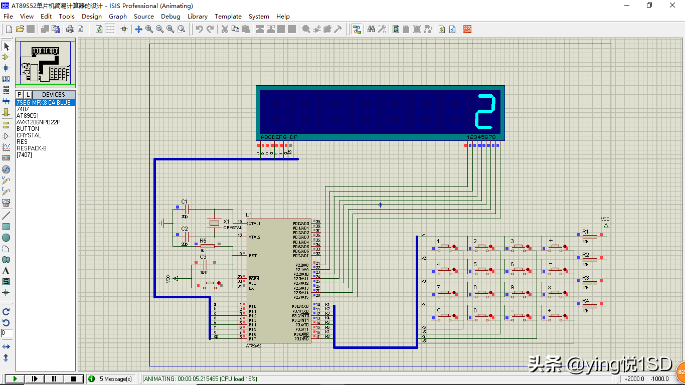
输入2

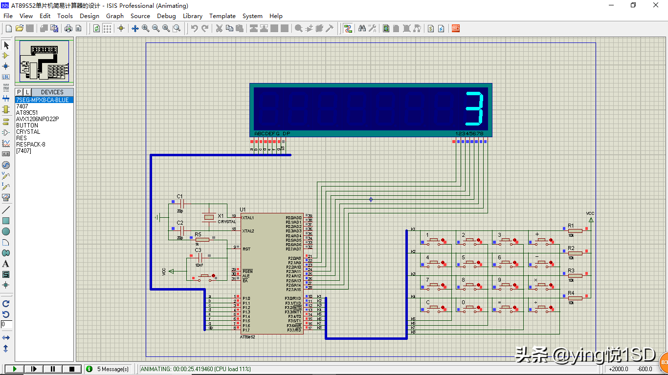
输入3
2、谁能回答传动轴的含义及特点都有什么?
传动轴是由轴管、伸缩套和万向节组成。伸缩套能自动调节变速器与驱动桥之间距离的变化。
万向节是保证变速器输出轴与驱动桥输入轴两轴线夹角的变化,并实现两轴的等角速传动万向节是汽车传动轴上的关键部件。汽车是一个运动的物体。在后驱动汽车上,发动机、离合器与变速器作为一个整体安装在车架上,而驱动桥通过弹性悬挂与车架连接,两者之间有一个距离,需要进行连接。汽车运行中路面不平产生跳动。一般万向节由十字轴、十字轴承和凸缘叉等组成。
万向节是汽车传动轴上的关键部件。在前置发动机后轮驱动的车辆上,万向节传动轴安装在变速器输出轴与驱动桥主减速器输入轴之间;而前置发动机前轮驱动的车辆省略了传动轴,万向节安装在既负责驱动又负责转向的前桥半轴与车轮之间。车辆在运行中路面不平产生跳动,负荷变化或者两个总成安装位置差异,都会使得变速器输出轴与驱动桥主减速器输入轴之间的夹角和距离发生变化,因此要用一个“以变应变”的装置来解决这一个问题,因此就有了万向节。
在发动机前置后轮驱动或全轮驱动的汽车上,由于汽车在运动过程中悬架变形,驱动轴主减速器输入轴与变速器或分动箱输出轴间经常有相对运动,此外,为有效避开某些机构或装置无法实现直线传递,必须有一种装置来实现动力的正常传递,于是就出现了万向节传动。万向节传动必须具备以下特点:a 、保证所连接两轴的相对位置在预计范围内变动时,能可靠地传递动力;b 、保证所连接两轴能均匀运转。由于万向节夹角而产生的附加载荷、振动和噪声应在允许范围内;c 、传动效率要高,使用寿命长,结构简单,制造方便,维修容易。
3、汽车一轴二轴三轴是什么意思?
汽车一轴二轴三轴是什么意思?
1.一轴:在汽车领域中,一轴又叫“输入轴”,是位于变速箱波箱里的一根轴,与离合器相连。其功能是将汽车发动机的动力通过离合器的控制输入到变速箱里。
2.二轴:二轴又叫输出轴,是汽车变速箱里的一根轴,直接和驱动轴传动轴相连,将扭矩和转速输出,再通过差速器来驱动汽车。在四轮驱动的车里,二轴是与分动箱相连。
3. 三轴:三轴就是3个车桥等等多很传动轴是用来从发动机向驱动轮传递驱动力的轴,这里的轴简单的说就是只两侧车轮之间的连接桥称轴,就是车桥。二轴变速器适合FF,三轴适合FR。扩展资料:
1.手动变速箱:手动变速箱主要由齿轮和轴组成,通过不同的齿轮组合产生变速变矩;而自动变速箱AT是由液力变扭器、行星齿轮和液压操纵系统组成,通过液力传递和齿轮组合的方式来达到变速变矩。
2.齿轮脱离啮合:齿轮与轴的花键磨损,键槽间隙过大,使齿轮在传动中摆动,滑动齿轮易脱离啮合位置;轴承磨损、轴承松旷,轴承与轴内圈滑转、轴承与箱体座孔外圈滑转,轴向间隙过大,都使齿轮轴产生倾斜和齿轮轴发生位移,导致齿轮受力后自动脱离啮合。
4、大汽车的后桥和传动轴有些什么型号,都代表什么意思
先回答你桥的问题;
后桥就是指轮轴的部分后桥还包括驱动轴,传动齿轮等等!多轴货车后部还分驱动后桥和无驱后桥,无驱后桥就是没有传动轴连接,不属于驱动轮的部分,一般是3轴以上的重卡和牵引车头才有的!再回答你传动轴问题;
传动轴是由轴管、伸缩套和万向节组成。伸缩套能自动调节变速器与驱动桥之间距离的变化。
万向节是保证变速器输出轴与驱动桥输人轴两轴线夹角的变化,并实现两轴的等角速传动。一般万向节十字轴、十字轴承和凸缘叉等组成。斯太尔系列重型汽车使用的传动轴万向节采用滚柱十字轴轴承,配合以短而粗的十字轴,可传递较大的转距。在轴承端面设有蝶形弹簧,以压紧滚柱。十字轴的端面增加了具有螺旋槽的强化尼龙垫片,可防止大夹角或大转距传递动力时烧结。
至于都有什么型号。
本文关键词:传动轴介绍,传动轴是什么东西,传动轴是干什么的,传动轴是干嘛用的,传动轴的概念。这就是关于《传动轴是什么意思,等速传动轴是什么意思(教你用51做简易计算器)》的所有内容,希望对您能有所帮助!
本文链接:https://bk.89qw.com/a-772890