手机版

百科生活 投稿

自锁指的是什么呢,什么叫自锁?有什么作用(什么是电气互锁、自锁)

百科 2026-02-08 17:32:53 投稿 阅读:3292次

关于【自锁指的是什么呢】,什么叫自锁?有什么作用,今天小编给您分享一下,如果对您有所帮助别忘了关注本站哦。

  • 内容导航:
  • 1、图文并茂带你了解,什么是电气互锁、自锁
  • 2、自锁指的是什么呢?
  • 3、在电路中自锁是什么意思
  • 4、什么叫自锁 自锁简述

1、图文并茂带你了解,什么是电气互锁、自锁

什么是电气互锁、自锁?想必大部分电气人员都不陌生了。但是对于电气初学者而言就可能云里有雾了。其实自锁就是当启动按钮按下后,电气动作,放开按钮后电气依然动作不会因为按钮放开而复位,互锁简单来说打个比方,两个接触器任何一个动作了都会切断另一个接触器的线圈,结果就是在同一时间内始终只有一个接触器能动作。通常控制电机正反转的接触器需要接成互锁状态。这样解析大家应该基本明白了。那么电气互锁、自锁具体是什么工作原理呢?下面我们一起来学习一下吧!

自锁指的是什么呢,什么叫自锁?有什么作用(什么是电气互锁、自锁)

【1】什么是电气互锁?

自锁指的是什么呢,什么叫自锁?有什么作用(什么是电气互锁、自锁)

自锁指的是什么呢,什么叫自锁?有什么作用(什么是电气互锁、自锁)

自锁指的是什么呢,什么叫自锁?有什么作用(什么是电气互锁、自锁)

自锁指的是什么呢,什么叫自锁?有什么作用(什么是电气互锁、自锁)

自锁指的是什么呢,什么叫自锁?有什么作用(什么是电气互锁、自锁)

自锁指的是什么呢,什么叫自锁?有什么作用(什么是电气互锁、自锁)

自锁指的是什么呢,什么叫自锁?有什么作用(什么是电气互锁、自锁)

自锁指的是什么呢,什么叫自锁?有什么作用(什么是电气互锁、自锁)

自锁指的是什么呢,什么叫自锁?有什么作用(什么是电气互锁、自锁)

自锁指的是什么呢,什么叫自锁?有什么作用(什么是电气互锁、自锁)

【2】什么是电气自锁?

自锁指的是什么呢,什么叫自锁?有什么作用(什么是电气互锁、自锁)

自锁指的是什么呢,什么叫自锁?有什么作用(什么是电气互锁、自锁)

自锁指的是什么呢,什么叫自锁?有什么作用(什么是电气互锁、自锁)

自锁指的是什么呢,什么叫自锁?有什么作用(什么是电气互锁、自锁)

【3】电气自锁的工作原理是什么?

自锁指的是什么呢,什么叫自锁?有什么作用(什么是电气互锁、自锁)

自锁指的是什么呢,什么叫自锁?有什么作用(什么是电气互锁、自锁)

自锁指的是什么呢,什么叫自锁?有什么作用(什么是电气互锁、自锁)

自锁指的是什么呢,什么叫自锁?有什么作用(什么是电气互锁、自锁)

自锁指的是什么呢,什么叫自锁?有什么作用(什么是电气互锁、自锁)

自锁指的是什么呢,什么叫自锁?有什么作用(什么是电气互锁、自锁)

自锁指的是什么呢,什么叫自锁?有什么作用(什么是电气互锁、自锁)

了解更多电气方面的知识:

电动机全压启动的条件及优缺点

干货分享:电动机常见启动控制电路图详解,还不快收藏?

电动机外壳是否需要接地呢?为什么?

三相异步电动机点动与连续控制电路的工作原理,图文详解

电动机星三角降压启动电路识读,解析得非常详细,值得珍藏

电动机在什么情况下采用降压启动?不少电气小白都在问的问题

电动机铭牌怎么看呢?只需掌握这10个要点,电气人必备的知识

4张图电路图让你彻底搞清楚:电动机星三角降压启动,简单易懂

2、自锁指的是什么呢?

自锁,指的是如果作用于物体的主动力的合力Q的作用线在摩擦角之内,则无论这个力怎样大,总有一个全反力R与之平衡,物体保持静止。反之,如果主动力的合力Q的作用线在摩擦角之外,则无论这个力多么小,物体也不可能保持平衡。

这种与力大小无关而与摩擦角有关的平衡条件称为自锁条件。

物体在这种条件下的平衡现象称之自锁现象。摩擦角与自锁现象法向反力N与摩擦力F的合力R称为支持面对物体的全反力。 即摩擦力F达到最大值Fmax时,这时的夹角a也达到最大值b,把b称为摩擦角。变速器的自锁自锁机构的作用是:防止自动换档和自动脱档的作用。

互锁机构的作用是:防止同时挂入两个档。挂档后应保证结合套于与结合齿圈的全部套合(或滑动齿轮换档时,全齿长都进入啮合)。在振动等条件影响下,操纵机构应保证变速器不自行挂档或自行脱档。

为此在操纵机构中设有自锁装置。换档拨叉轴上方有三凹坑,上面有被弹簧压紧的钢珠。当拨叉轴位置处于空档或某一档位置时,钢珠压在凹坑内。

起到了自锁的作用。

3、在电路中自锁是什么意思

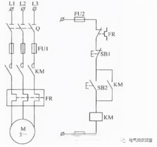
自锁是指交流接触器通过自身的常开辅助触头使线圈总是处于得电状态的现象叫做自锁。这个常开辅助触头就叫做自锁触头。

在接触器线圈得电后,利用自身的常开辅助触点保持回路的接通状态,一般对象是对自身回路的控制。

如把常开辅助触点与启动按钮并联,当启动按钮按下,接触器动作,辅助触点闭合,进行状态保持,此时再松开启动按钮,接触器也不会失电断开。扩展资料:自锁的工作原理:合上电源开关QS,按启动按钮SB1接触器KM的线圈通电,在主电路中的三对主触头闭合一电动机获电而启动;与此同时,接触器KM的常开辅助触点闭合,将按钮SB1的常开触点短接。从按钮SB1接通到接触器KM常开触点闭合只需数十毫秒的时间,因此手松开启动按钮后线圈KM已完全可以通过辅助触头KM (13-14)而维持自己的导电通路,不再受启动按钮SB1控制,也就确保了松开启动按钮SB1后电动机的继续运行。把与启动按钮SB1并联的常开辅助触头KM (13-14)叫接触器KM的自锁触头,又叫自保触头。

因接触器的释放时间比吸合时间还短,所以只需按一下停止按钮SB2,接触器KM线圈断电便立即释放,其常开辅助触头断开,主触头也断开,电动机就停止运行。

4、什么叫自锁 自锁简述

1、自锁现象,指的是如果作用于物体的主动力的合力Q的作用线在摩擦角之内,则无论这个力怎样大,总有一个全反力R与之平衡,物体保持静止。 2、反之,如果主动力的合力Q的作用线在摩擦角之外,则无论这个力多么小,物体也不可能保持平衡。

这种与力大小无关而与摩擦角有关的平衡条件称为自锁条件。

物体在这种条件下的平衡现象称之自锁现象。摩擦角与自锁现象法向反力N与摩擦力F的合力R称为支持面对物体的全反力。 即摩擦力F达到最大值Fmax时,这时的夹角a也达到最大值b,把b称为摩擦角。

本文关键词:自锁的定义是什么意思,自锁是啥意思啊,什么叫自锁,它有什么作用,什么叫“自锁”,自锁的含义。这就是关于《自锁指的是什么呢,什么叫自锁?有什么作用(什么是电气互锁、自锁)》的所有内容,希望对您能有所帮助!

本文链接:https://bk.89qw.com/a-783858

最近发表
网站分类