手机版

百科生活 投稿

锻钢是什么材质,锻钢是什么意思(超全面、实用的管法兰知识体系)

百科 2026-02-07 16:59:56 投稿 阅读:3610次

关于【锻钢是什么材质】,锻钢是什么意思,今天涌涌小编给您分享一下,如果对您有所帮助别忘了关注本站哦。

  • 内容导航:
  • 1、超全面、实用的管法兰知识体系
  • 2、锻钢是什么材质
  • 3、锻钢与铸钢有什么区别?
  • 4、锻钢件和铸钢件有什么区别

1、超全面、实用的管法兰知识体系

1 国际管法兰标准体系概述

国际上管法兰标准主要有两个体系:

一个是以欧盟EN为代表的欧洲管法兰标准体系(即PN系列),主要标准为EN1092-1、EN 1759(参照美洲体系制定)。

另一个是以美国ASME为代表的美洲体系(即Class系列),主要标准为ASME B16.5和B16.47(大直径法兰)。

此外,还有日本JIS体系(公称压力采用K表示),不过其基本上沿用美洲体系。

2 国内管法兰标准体系概述

我国现行常用的钢制管法兰标准,主要有国家标准GB、化工行业标准HG、机械行业标准JB和石油化工行业标准SH,见下表。

GB和HG标准同时涵盖了欧洲及美洲两大体系,且按欧洲体系和美洲体系分别编制,脉络清晰,使用较方便。而JB和SH标准则分别适用于欧洲体系和美洲体系,体系较为单一,应用范围有限。

其中,仅HG法兰对垫片选型、垫片-紧固件选配进行了集中编写,GB、JB、SH均无,并且JB、SH紧固件选型也无专门章节。

不同体系标准的法兰尺寸和压力-温度等级也就不存在互换性及一致性。这就要求在设计环节中就应确定选用的主法兰体系,并尽可能选用单一的法兰体系,随意混用将有可能危及整个系统的安全。

锻钢是什么材质,锻钢是什么意思(超全面、实用的管法兰知识体系)

3 一些有用的结论

文献最后还给出了几个结论:

一、法兰计算方法中EN方法最先进,但较为复杂

国际上公认的法兰科学计算方法为欧洲EN方法,它综合考虑了整个法兰系统的受力情况和各种实际工况,是目前最先进的法兰设计计算方法,在对泄漏比较敏感的场合采用,但该方法存在计算过程复杂的缺点。除此工况外,建议采用ASME方法进行法兰计算即可满足工程需要。

二、国内方法现状

国内法兰的计算方法基本上还是以华脱斯法为主,在参照美标ASME的同时,也吸收了日本JIS标准有关法兰设计计算的内容,在计算中既考虑了法兰强度控制指标,又增加了控制法兰转角的刚度控制指标,目前在一般工况

下均可以满足要求。

三、HG体系最完整,但GB完善后将可取代HG

国内法兰标准中,法兰体系最全面的标准为化工行业标准,在自身标准体系中可以做到法兰选型的闭环选型设计,无需再参照其他标准,且对法兰垫片-紧固件的选配有专门的章节论述,方便设计人员选型。

最新版法兰国家标准的编写规则已经和化工标准十分类似,待国家标准更新完毕后基本上可以代替化工行业标准。

四、SH、JB体系相对不好用

目前国内法兰国家标准和行业标准并行的情况是历史原因造成的。

法兰石化行业标准只有美洲Class体系,目前仅在原炼油系统中使用,适用范围有限;而法兰机械行业标准在原冶金、电力等行业有广泛应用,但其只有欧洲PN体系,与国家标准、化工行业标准相比其全面性、系统性和可操作性的缺陷显现,因此不推荐采用。

五、压力容器行业目前优选HG

最新版的法兰国家标准和化工行业标准编写体系齐全、选型使用均比较方便。化工行业标准被压力容器和压力管道的监察规程所引用,有强制标准的效力,在压力容器和压力管道领域应优先使用。

而国家标准中法兰设计选型标准和计算方法标准一一对应,具有相互协调的优势,其被压力管道的监察规程所引用,因此在压力管道设计领域有广泛的使用前景。

法兰知识大全

定义:管法兰及其垫片、紧固件统称为法兰接头。法兰接头是工程设计中使用极为普遍、涉及面非常广泛的一种零部件。它是配管设计、管件阀门必不可少的零件,而且也是设备、设备零部件(如人孔、视镜液面计等)中必备的构件。此外,其它专业如工业炉、热工、给排水、采暖通风、自控等,也经常使用法兰接头。

材质:锻钢、WCB碳钢、不锈钢、316L、316、304L、304、321、铬钼钢、铬钼钒钢、钼二钛、衬胶、衬氟材质。

品种:平焊法兰、带颈法兰、对焊法兰、环连接法兰、承插法兰、及盲板等。

执行标准有GB系列(国家标准)、JB系列(机械部)、HG系列(化工部)、ASME B16.5(美标)、BS4504(英标)、DIN(德标)、JIS(日标)。

国际管法兰标准体系:国际上管法兰标准主要有两个体系,即以德国DIN(包括原苏联)为代表的欧洲管法兰体系和以美国ANSI管法兰为代表的美洲管法兰体系。除此之外,还有日本JIS管法兰,但在石油化工装置中一般仅用于公用工程,而且在国际上影响较小。

现将各国管法兰简介于下:

以德国及原苏联为代表的欧洲体系管法兰

美洲体系管法兰标准,以ANSI B16.5和ANSI B 16.47为代表。

英国和法国管法兰标准,两国各有两套管法兰标准,综上所述,国际上通的管法兰标准可概括为两个不同的,且不能互换的管法兰体系:一个以德国为代表的欧洲管法兰体系;另一个是以美国为代表的美洲管法兰体系。IOS7005-1是国际标准化组织于1992年颁布的一项标准,该标准实际上是把美国和德国两套系列的管法兰合并而成的管法兰标准。两个体系的管法兰连接尺寸安全不同,无法互配。两个体系的管法兰以压力等级来区分最为合适,即欧洲体系为0.25、0.6、1.0、1.6、2.5、4.0、6.3、10.0、16.0、25.0、32.0、40.0MPa,美洲体系为1.0、2.0、5.0、11.0、15.0、26.0、42.0MPa。

1、我国管法兰标准现状

我国化工、石化行业使用的管法兰常用的标准 1.英制管(国际上通用的配管系列) GB 9112~9125、SH 3406

2、公制管(国内常用的钢管外径尺寸系列) HGJ44~76、JB/T74~90 DIN的连接尺寸与JB标准是有所差别的,具体见下表:

锻钢是什么材质,锻钢是什么意思(超全面、实用的管法兰知识体系)

(注:表中括号内的“全部”表示所有规格紧固件被第二行的紧固件所代替。“部分”表示有一部分该规格的紧固件有变化,但仍有一部分规格的紧固件未变化,是一致的。)

HG新标准与JB老标准法兰配合使用时,要注意以下几点:

1.有三个法兰的螺栓个数不一致,其中有两个规格(PN0.25/DN500、PN0.6/DN500)直接影响配合;PN1.0/DN80HG标准螺栓个数8,JB标准螺栓个数是4

2.部分老标准法兰(JB系列2)的螺孔最好能扩孔1~2mm,另有一部分可在安装时加垫圈

3.PN16.0MPa的高压管法兰,新HG与JB标准连接尺寸完全不同。法兰类型和密封面形式

一、板式平焊法兰

锻钢是什么材质,锻钢是什么意思(超全面、实用的管法兰知识体系)

板式平焊法兰(化工标准HG20592、国家标准GB/T9119、机械JB/T81):取材方便,制造简单,成本低,使用广泛;但刚性较差,因此不得用于有供需、易燃、易爆和较高真空度要求的化工工艺配管系统和高度、极度危害的场合。密封面型式有平面和突面。

二、带颈平焊法兰

锻钢是什么材质,锻钢是什么意思(超全面、实用的管法兰知识体系)

锻钢是什么材质,锻钢是什么意思(超全面、实用的管法兰知识体系)

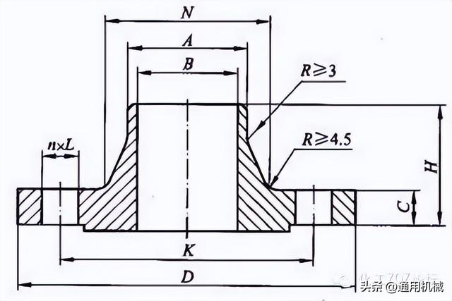
带颈平焊法兰属于国标法兰标准体系。是国标法兰(又称GB法兰)的其中一种表现形式,是设备或管道上常用的法兰之一。

带颈平焊法兰颈部高度较低,对法兰的刚度、承载能力有所提高。与对焊法兰相比,焊接工作量大,焊条耗量高,经不起高温高压及反复弯曲和温度波动,但现场安装较方便,可省略焊缝拍揉伤的工序。

三、带颈对焊法兰

锻钢是什么材质,锻钢是什么意思(超全面、实用的管法兰知识体系)

带颈平焊法兰全称带颈平焊钢制管法兰英文名称:Slip-on 简称SO

带颈平焊法兰同板式平焊法兰一样也是将钢管、管件等伸入法兰内通过角焊缝与设备或管道连接的法兰。

带颈平焊法兰的密封面形式有:

突面(RF)、凹面(FM),凸面(M)、榫面(T),槽面(G),全平面(FF)。

带颈平焊法兰的通径范围:DN10~DN600

适用范围:PN系列 PN2.5~PN40; Class系列Class150~Class1500

法兰材料:碳素钢、珞钼钢、304、316、304L、316L、321、347、CF8C。

制造工艺 :锻造。

优点:带颈平焊法兰也属于平焊法兰,因为有个短颈,从而提高了法兰的强度改善了法兰的承载力度。所以可以用于更高压力的管道上。

缺点:较板式平焊法兰而言造价更高,由于其形状的特点在运输途中更容易磕碰。

锻钢是什么材质,锻钢是什么意思(超全面、实用的管法兰知识体系)

四、整体法兰

锻钢是什么材质,锻钢是什么意思(超全面、实用的管法兰知识体系)

锻钢是什么材质,锻钢是什么意思(超全面、实用的管法兰知识体系)

整体法兰是一种法兰的连接方式。也是属于带颈对焊钢制管法兰的一种。材质有碳钢、不锈钢、合金钢等。在国内各个标准之中,用IF来表示整体法兰。多用于压力较高的管道之中。生产工艺一般为铸造。

在法兰类型中就是用一个“IF”来表示整体法兰的类型。一般为突面(RF),如果在易燃、易爆、高度和极度危害的使用工况之中,则可以选用除了RF面之外的凸凹面(MFM)及榫槽面(TG)的密封面的形式。

锻钢是什么材质,锻钢是什么意思(超全面、实用的管法兰知识体系)

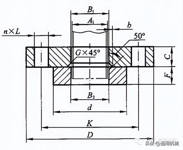
五、承插焊法兰

锻钢是什么材质,锻钢是什么意思(超全面、实用的管法兰知识体系)

锻钢是什么材质,锻钢是什么意思(超全面、实用的管法兰知识体系)

承插焊法兰是一端与钢管焊接另一端用螺栓连接的的法兰。

密封面形式:突面(RF)、凹凸面(MFM)、榫槽面(TG)、环连接面(RJ)

应用范围:锅炉压力容器、石油、化工、造船、制药、冶金、机械、冲压弯头食品等行业承插焊法兰:常用于PN≤10.0MPa,DN≤40的管道中;

锻钢是什么材质,锻钢是什么意思(超全面、实用的管法兰知识体系)

六、螺纹法兰

锻钢是什么材质,锻钢是什么意思(超全面、实用的管法兰知识体系)

锻钢是什么材质,锻钢是什么意思(超全面、实用的管法兰知识体系)

螺纹法兰是将法兰的内孔加工成管螺纹,并和带螺纹的管子配套实现连接,是一种非焊接法兰。它和平焊法兰或对焊法兰相比,螺纹法兰具有安装、维修方便的特点,可在一些现场不允许焊接的管线上使用。合金钢法兰有足够的强度,但不易焊接,或焊接性能不好,亦可选择螺纹法兰。但在管道温度变化急剧或温度高于260℃低于-45℃的条件下,建议不使用螺纹法兰,以免发生泄漏。

锻钢是什么材质,锻钢是什么意思(超全面、实用的管法兰知识体系)

七、对焊环松套法兰

锻钢是什么材质,锻钢是什么意思(超全面、实用的管法兰知识体系)

锻钢是什么材质,锻钢是什么意思(超全面、实用的管法兰知识体系)

对焊环松套法兰是可以活动的法兰片,一般是配套在给排水配件上,厂家出厂时伸缩节两端就各有一片法兰,直接与工程中的管道、设备用螺栓连接。

作用:使用对焊环松套法兰的目的一般是为了节省材料,其结构分成两部分,管子部分一头和管道接,一头做成对焊环。法兰盘采用低等级的材料,而管子部分使用和管道一样的材料,达到节省材料的目的。

对焊环松套法兰:

1、节约成本。当管材材质特殊,价格昂贵时,焊接同样材质的法兰成本高。

2、不便于焊接或不便于加工或需要的强度大。如塑料管、玻璃钢管之类。

3、便于施工。如连接时法兰螺栓孔对应不便于找正或者防止日后更换设备法兰螺栓孔有变等。

缺点:

1、承受压力低。

2、焊环处强度低(特别是厚度3mm以下时)

八、平焊环松套法兰

锻钢是什么材质,锻钢是什么意思(超全面、实用的管法兰知识体系)

锻钢是什么材质,锻钢是什么意思(超全面、实用的管法兰知识体系)

平焊环松套法兰盘是可以活动的法兰片。直接与工程中的管道、设备用螺栓连接。使用平焊环松套法兰盘的目的一般是为了节省资料,其结构分成两部分,管子局部一头和管道接,一头做成翻边,法兰盘部分套在翻边上。法兰盘采用低等级的资料,而管子局部使用和管道一样的资料,达到节省资料的目的。

平焊环松套法兰的缺点:

1)接受压力低。

2)焊环处强度低(特别是厚度3mm以下时)

平焊环松套法兰:

1)方便于焊接或方便于加工或需要的强度大,如塑料管、玻璃钢管之类。

2)便于施工,如连接时法兰螺栓孔对应方便于找正或者防止日后更换设备法兰螺栓孔有变等。

3)价格高贵时,节约本钱。当管材材质特殊,焊接同样材质的法兰成本高。

锻钢是什么材质,锻钢是什么意思(超全面、实用的管法兰知识体系)

九、法兰盖

锻钢是什么材质,锻钢是什么意思(超全面、实用的管法兰知识体系)

锻钢是什么材质,锻钢是什么意思(超全面、实用的管法兰知识体系)

也称盲板法兰、盲板。是中间不带孔的法兰,供封住管道堵头用。作用与焊接封头及丝扣管帽是一样的,只不过盲板法兰和丝扣管帽可以随时卸下来,而焊接封头则不行。密封面的形式种类较多,有全平面、突面、凹凸面、榫槽面、环连接面。生产主要区域在孟村一带。

法兰盖密封面

平面(FF)、突面(RF)、凹凸面(MFM)、榫槽面(TG)、环连接面(RJ)

锻钢是什么材质,锻钢是什么意思(超全面、实用的管法兰知识体系)

十、衬里法兰盖

锻钢是什么材质,锻钢是什么意思(超全面、实用的管法兰知识体系)

锻钢是什么材质,锻钢是什么意思(超全面、实用的管法兰知识体系)

衬里法兰盖是一种盲板法兰,接近介质的一边堆焊不锈钢,为1 个整体。衬里法兰盖用在有腐蚀性介质的管道上作盲板用。与普通法兰盖的区别是与介质接触面增加了防腐衬层。

锻钢是什么材质,锻钢是什么意思(超全面、实用的管法兰知识体系)

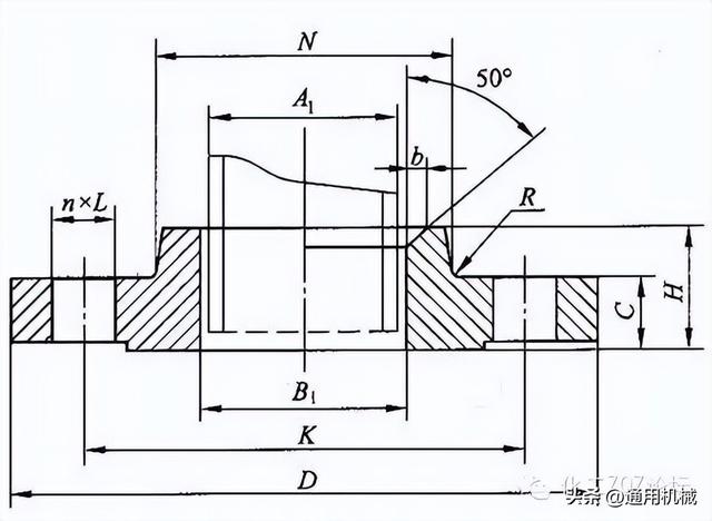
十一、美标带颈平焊法兰

锻钢是什么材质,锻钢是什么意思(超全面、实用的管法兰知识体系)

锻钢是什么材质,锻钢是什么意思(超全面、实用的管法兰知识体系)

带颈平焊法兰连接于管端。主要是使管子与管子相互连接的零件。带颈平焊法兰上有孔眼,可穿螺栓,使两法兰紧连,法兰间用衬垫密封。带颈平焊法兰联接指由一对法兰、一个垫片及若干个螺栓螺母组成。垫片放在两法兰密封面之间,拧紧螺母后,垫片表面上的比压达到一定数值后产生变形,并填满密封面上凹凸不平处,使联接严密不漏。法兰联接是一种可拆联接。按所联接的部件可分为容器法兰及管法兰。带颈平焊法兰适用于公称压力不超过2.5MPa的钢管道连接。

带颈平焊法兰用于法兰与管子的对口焊接,其结构合理,强度与刚度较大,经得起高温高压及反复弯曲和温度波动,密封性可靠。公称压力为0.25~2.5MPa的带颈平焊法兰采用凹凸式密封面。

锻钢是什么材质,锻钢是什么意思(超全面、实用的管法兰知识体系)

十二、美标带劲对焊法兰

锻钢是什么材质,锻钢是什么意思(超全面、实用的管法兰知识体系)

锻钢是什么材质,锻钢是什么意思(超全面、实用的管法兰知识体系)

美标法兰是使管子与管子相互连接的零件,连接于管端。美标对焊法兰由锻造而成和浇铸而成两种方法。美标对焊法兰根据带颈情况可以分为带颈美标对焊法兰和不带颈的美标对焊法兰。美标对焊法兰由两个法兰盘加上法兰垫,用螺栓紧固在一起,完成了连接。美标法兰上有孔眼,螺栓使两法兰紧连.法兰间用衬垫密封。

锻钢是什么材质,锻钢是什么意思(超全面、实用的管法兰知识体系)

金属管道法兰跨接防静电规定与规范

金属管道法兰跨接防静电探讨在对企业进行安全生产检查时,专家或执法人员经常要求输送可燃、易爆物质的金属管道法兰要用导线跨接,防止发生静电事故。那么,金属管道法兰是否需要跨接?在什么情况下需要跨接?笔者想就此问题做一下探讨。

一、工业管道金属法兰跨接

国家质量监督检验检疫总局2009年5月8日颁布的特种设备安全技术规范文件《压力管道安全技术监察规程—工业管道》(TSG D0001-2009),对工业管道有下列定义:

本规程适用于同时具备下列条件的工艺装置、辅助装置以及界区内公用工程所属的工业管道(以下简称管道)。

(1)、最高工作压力大于或等于0.1MPa(表压,下同)的;

(2)、公称直径(注1)大于25mm的;

(3)、输送介质为气体、蒸汽、液化气体、最高工作温度高于或者等于其标准沸点的液体或者可燃、易爆、有毒、有腐蚀性的液体的。

日常检查中碰见的压力管道大部分属于上述工业管道之列。《压力管道安全技术监察规程—工业管道》(TSG D0001-2009)第八十条对法兰跨接防静电有如下规定:有静电接地要求的管道,应当测量各连接接头间的电阻值和管道系统的对地电阻值。当值超过《压力管道规范—工业管道》(GB/T20801-2006)或者设计文件的规定时,应当设置跨接导线(在法兰或者螺纹接头间)和接地引线。从该条可以看出,法兰是否需要跨接导线,需要测量法兰之间电阻值,当阻值超过规定时,需要跨接。

《压力管道规范—工业管道第4 部分制作与安装》(GB/T20801.4-2006)第10.12.1条规定:有静电接地要求的管道,各段间应导电良好。每对法兰或螺纹接头间电阻值大于0.03Ω时,应设导线跨接。

另外,《工业金属管道工程施工规范》(GB 50235—2010)第7.13.1条规定:设计有静电接地要求的管道,当每对法兰或其他接头间电阻值超过0.03欧时,应设导线跨接。

由此可以看出,工业管道金属法兰是否跨接,需要测量法兰间电阻值。当法兰间电阻值超过0.03Ω时,应设导线跨接。

二、燃气管道法兰跨接

企业使用燃气较为普遍,燃气管道法兰跨接又有什么规定呢?

《城镇燃气设计规范》(GB50028—2006)对法兰跨接无明文规定,只是在第10.8.5条第3款规定:燃气管道及设备的防静电接地设施的设计应符合国家现行标准《化工企业静电接地设计技术规程》(HGJ28-90)的规定。

《化工企业静电接地设计技术规程》(HGJ28-90)目前编号变更为HG/T20675-1990。该规程第2.7.5条规定:当金属法兰采用金属螺栓或卡子相紧固时,一般情况可不必另装静电连接线。在腐蚀条件下,应保证至少有两个螺栓或卡子间的接触面,在安装前去锈和除油污,以及在安装时加防松螺帽等。

《化工企业静电接地设计技术规程编制说明》对第2.7.5条的解释如下:从不少单位的实践经验来看,用金属螺栓相连的金属法兰之间,单是螺栓相连,已具有足够的静电导通性。在有腐蚀条件下的安装要求,为的是确保导通性。

由此可以看出,当金属法兰采用金属螺栓或卡子相紧固时,燃气管道法兰是不需要跨接的。由于燃气管道大部分属于工业管道,因此如燃气管道法兰发生严重腐蚀,电阻值超过0.03Ω时,可以依据《压力管道安全技术监察规程—工业管道》(TSG D0001-2009)要求,跨接导线。  

三、石油化工管道法兰跨接

石油行业企业对防静电要求较高,管道法兰跨接是否有更严格的规定呢?

《石油化工金属管道工程施工质量验收规范》(GB50517-2010)第8.9.1条规定,有静电接地要求的管道,当每对法兰或螺纹接头间电阻值大于0.03Ω时,应有导线跨接。

《石油化工静电接地设计规范》(SH 3097-2000)作为企业规范,严于国家标准和行业标准。该规范第4.3.3条规定,在管道系统上,当金属法兰采用金属螺栓或卡子紧固时,一般可不必另装静电连接线,但应保证至少有两个螺栓或卡子间具有良好的导电接触面。

《石油化工剧毒、可燃介质管道工程施工及验收规范》(SH 3501-2001)第6.2.13 条规定:有静电接地要求的管道,各段间应导电良好。当每对法兰或螺纹接头间电阻值大于0.03Ω时,应有导线跨接。

《石油库设计规范》(GB 50074-2002)第14.2.14 条规定:输油(油气)管道的法兰连接处应跨接。当不少于5根螺栓连接时,在非腐蚀环境下可不跨接。

《汽车加油加气站设计与施工规范》(GB 50156—2002 )第10.3.3条规定:在爆炸危险区域内的油品、液化石油气和天然气管道上的法兰、胶管两端等连接处应用金属线跨接。当法兰的连接螺栓不少于5根时,在非腐蚀环境下,可不跨接。

《化工企业静电安全检查规程》(HG/T23002-92)作为静电安全检查的行业标准,第5.1.2条规定:金属设备与设备之间,管道与管道之间,如用金属法兰连接时可不另接跨接线,但必须有两个以上的螺栓连接。

由此可以看出,石油化工管道法兰是否需要跨接,取决于其电阻值或其螺栓数量,不是必须强制全部跨接。

四、结论

综上所述,并不是所有金属管道法兰必须全部跨接。是否需要跨接,要看其设计文件是否有静电接地要求。如果看不到设计文件,只能通过测量电阻值的方式确定,当法兰间电阻值超过0.03Ω时,需有导线跨接。通过法兰紧固方式或金属螺栓数量来判定是否需要跨接,适用于燃气管道和石化企业内管道,对常见的工业管道不适用。

GB 50235-97《工业金属管道施工及验收规范》:0 v( D, |! P# z& m.

第6.12.1条 有静电接地要求的管道,各段间有导电良好。当每一对法兰或螺纹接头间电阻值大于0.03Ω时,应有导线跨接。


第6.12.2条 管道系统的对地电阻值超过100Ω时,应设两处接地引线。接地引线宜采用焊接形式。/ r9 u7 k% F ^5 N

SH3501-2002《石油化工有毒可燃介质施工及验收规范》:


第6.2.13条 有静电接地要求的管道,各段间有导电良好。当每一对法兰或螺纹接头间电阻值大于0.03Ω时,应有导线跨接。


第6.2.16条 有静电接地要求的不锈钢管道,导线跨接或接地引线应采用不锈钢板过渡,不得与不锈钢管直接连接。9 N* m6 ]8 H& V3 k# _( ]7m& \2 n0 u


SH3097-2000《石油化工静电接地设计规范》:


第4.3.1条管道在进出装置区(含生产车间厂房)处、分岔处应进行接地。长距离无分支管道应每隔100米接地一次。& }7 j, x5 F' i8 S8 I# l. l


第4.3.2条 平行管道净距小于100mm时,应每隔20米加跨接线。当管道交叉且净距小于100mm时,应加跨接线。

第4.3.3条 当金属法兰采用金属螺栓或卡子紧固时,一般可不必另装静电连接线,但应保证至少有两个螺栓或卡子间具有良好的导电接触面。

HG 20225-95《化工金属管道施工及验收规范》
第6.11.1条~第6.11.5条 同GB 50235-97《工业金属管道施工及验收规范》

2、锻钢是什么材质

锻钢是一种钢材质,锻钢通常来说是指用锻造方法生产出来的各种锻材和锻件,也可以指钢锻造出来的过程。锻钢具有延展性较好、成本较低的优点。铸钢一般分为铸造碳钢、铸造低合金钢和铸造特种钢3类。锻钢主要应用于这几个方面:重型机械中用于制造承受大负荷的零件,在铁路车辆上用于制造受力大又承受冲击的零件如摇枕、侧架、车轮和车钩,高速列车制动盘需要。

3、锻钢与铸钢有什么区别?

您好!

锻钢和铸钢主要是钢材的锻造工艺,加工形式上不同:

铸钢用以浇注铸件的钢。铸造合金的一种。铸钢分为铸造碳钢、铸造低合金钢和铸造特种钢3类。 铸钢是指采用铸造方法而生产出来的一种钢铸件。铸钢主要用于制造一些形状复杂、难于进行锻造或切削加工成形而又要求较高的强度和塑性的零件

锻钢 :锻钢是指采用锻造方法而生产出来的各种锻材和锻件。锻钢件的质量比铸钢件高,能承受大的冲击力作用,塑性、韧性和其他方面的力学性能也都比铸钢件高,所以凡是一些重要的机器零件都应当采用锻钢件

铸造是液态成型,而锻造是塑性变形过程,锻造成型工件可以改善组织内部结构,机械性能好,晶粒均匀,重要吃力工件必须锻造,铸造会造成组织偏析,组织缺陷,当然铸造有他的好处,成型复杂工件锻造不易开模,所以采取铸造。

4、锻钢件和铸钢件有什么区别

1、加工方法不同

锻钢与铸钢的区别主要体现在钢材的加工工艺(锻造和铸造)的不同。锻造是塑性变形过程,而铸造是液态成型。

2、性能不同

锻钢是指采用锻造方法生产出来的各种锻材和锻件。锻钢件的塑性、韧性和其它的力学性能比铸钢件高,能承受较大的冲击力作用,所以,一些重要的机器零件都是采用锻钢件。

铸钢是指采用铸造方法而生产出来的一种钢铸件,是铸造合金的一种。铸钢可以分为三类:铸造碳钢、铸造低合金钢和铸造特种钢。铸钢主要用于制造一些形状复杂、难以进行锻造或切削加工成形而又要求较高强度和塑性的零件。

3、作用不同

锻钢可以应用于制造高速列车制动盘。它通过严格控制有害物质成分、优化锻造与热处理工艺制备,由机械性能、冲击韧性和疲劳性能试验及金相观察验证了高纯净锻钢材料优良的性能,满足了高速列车制动盘的要求。

几乎所有的工业部门都需要用铸钢件,在船舶和车辆、建筑机械、工程机械、电站设备、矿山机械及冶金设备、航空及航天设备、油井及化工设备等方面应用尤为广泛。至于铸钢件在各产业部门的应用,由于各国的具体条件不同,情况可能有较大的差异。

参考资料来源:百度百科 铸钢件

参考资料来源:百度百科 锻钢

本文关键词:锻钢钢材,锻钢是什么材质做成的,锻钢是什么材质标注,锻钢是什么材质做的,锻钢包括什么。这就是关于《锻钢是什么材质,锻钢是什么意思(超全面、实用的管法兰知识体系)》的所有内容,希望对您能有所帮助!

本文链接:https://bk.89qw.com/a-784599

最近发表
网站分类