手机版

百科生活 投稿

马桶的内部结构剖面图,建筑剖面图

百科 2026-03-15 08:59:08 投稿 阅读:2903次

关于【马桶的内部结构剖面图】,今天小编给您分享一下,如果对您有所帮助别忘了关注本站哦。

建筑剖面图

马桶的内部结构剖面图,建筑剖面图

马桶的内部结构剖面图,建筑剖面图

建筑剖面图

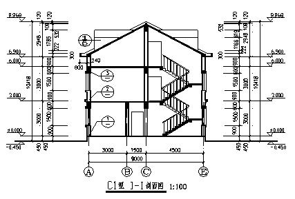
1、剖面图是用一假想剖切平面,平行于房屋的某一墙面,将整个房屋从屋顶到基础剖切开,把剖切面和剖切面与观察人之间的部分移开,将剩下部分按垂直于剖切平面的方向投影而画成的图样。

2、剖切面的位置及剖示方向

剖面图的剖切位置:标注在同一建筑物的底层平面图上。平面图上剖切符号的剖视方向:宜向左、向前,

马桶的内部结构剖面图,建筑剖面图

平面图上剖切符号的剖视方向宜向左、向前, 看剖面图应与平面相结合并对照看。

剖面图的内容和作用

建筑剖面图主要用来表达房屋内部垂直方向的结构形式、沿高度方向分层情况、各层构造作法、门窗洞口高、层高及建筑总高等。

剖面图的有关图示规定

(1)比例:建筑剖面图的比例与平面图一致,常用1:50、1:100、1:200的比例绘制。

2)图线:剖面图的线型按“国标”规定,凡是剖到的墙、板、梁等构件的剖切线用粗实线表示;而没剖到的其它构件的投影,则常用细实线表示。

(3)图例 图例:由于比例较小,剖面图上的门、窗等构件也用图例见(构造图例) 。

(4)尺寸标注

1.剖面图的尺寸标注在竖直方向上:图形外部标注三道尺寸及建筑物的室内外地坪、各层楼面、门窗的上下口及墙顶等部位的标高。外部的三道尺寸,最外一道为总高尺寸,从室外地平面起标到墙顶止,标注建筑物的总高度;中间一道尺寸为层高尺寸,标注各层层高(两层之间楼地面的垂直距离称为层高);最里边一道尺寸称为细部尺寸,标注墙段及洞口尺寸。

2.水平方向:常标注剖到的墙、柱及剖面图两端的轴线编号及轴线间距,并在图的下方注写图名和比例。

,

本文关键词:笛子内部结构剖面图,电热水器内部结构剖面图,马桶的内部结构剖面图片,马桶的内部结构剖面图解,太阳能热水器内部结构剖面图。这就是关于《马桶的内部结构剖面图,建筑剖面图》的所有内容,希望对您能有所帮助!

本文链接:https://bk.89qw.com/a-802605

最近发表
网站分类