手机版

百科生活 投稿

光伏发电组件分类,光伏并网逆变器的分类及原理

百科 2026-02-08 21:49:51 投稿 阅读:4049次

关于【光伏发电组件分类】,今天小编给您分享一下,如果对您有所帮助别忘了关注本站哦。

  • 内容导航:
  • 1、光伏发电组件分类:光伏并网逆变器的分类及原理
  • 2、光伏发电组件分类,降低发电成本的新兴升级技术

1、光伏发电组件分类:光伏并网逆变器的分类及原理

光伏并网逆变器的常见分类:

逆变器作为光伏发电的重要组成部分,主要的作用是将光伏组件发出的直流电转变成交流电。目前,市面上常见的逆变器主要分为集中式逆变器与组串式逆变器,还有新潮的集散式逆变器。

光伏发电组件分类,光伏并网逆变器的分类及原理

一、集中式逆变器

集中式逆变器顾名思义是将光伏组件产生的直流电汇总转变为交流电后进行升压、并网。因此,逆变器的功率都相对较大。光伏电站中一般采用500kW以上的集中式逆变器。

(一)集中式逆变器的优点如下:

1.功率大,数量少,便于管理;元器件少,稳定性好,便于维护;

2.谐波含量少,电能质量高;保护功能齐全,安全性高;

3.有功率因素调节功能和低电压穿越功能,电网调节性好。

(二)集中式逆变器存在如下问题:

1.集中式逆变器MPPT电压范围较窄,不能监控到每一路组件的运行情况,因此不可能使每一路组件都处于最佳工作点,组件配置不灵活;

2.集中式逆变器占地面积大,需要专用的机房,安装不灵活;

3.自身耗电以及机房通风散热耗电量大。

二、组串式逆变器

组串式逆变器顾名思义是将光伏组件产生的直流电直接转变为交流电汇总后升压、并网。因此,逆变器的功率都相对较小。光伏电站中一般采用50kW以下的组串式逆变器。

(一)组串式逆变器优点:

1.不受组串间模块差异,和阴影遮挡的影响,同时减少光伏电池组件最佳工作点与逆变器不匹配的情况,最大程度增加了发电量;

2.MPPT电压范围宽,组件配置更加灵活;在阴雨天,雾气多的部区,发电时间长;

3.体积较小,占地面积小,无需专用机房,安装灵活;

4.自耗电低、故障影响小。

(二)组串式逆变器存在问题:

1.功率器件电气间隙小,不适合高海拔地区;元器件较多,集成在一起,稳定性稍差;

2.户外型安装,风吹日晒很容易导致外壳和散热片老化;

3.逆变器数量多,总故障率会升高,系统监控难度大;

4.不带隔离变压器设计,电气安全性稍差,不适合薄膜组件负极接地系统。

三、集散式逆变器

集散式逆变器是近两年来新提出的一种逆变器形式,其主要特点是“集中逆变”和“分散MPPT跟踪”。集散式逆变器是聚集了集中式逆变器和组串式逆变器两种逆变器优点的产物,达到了“集中式逆变器的低成本,组串式逆变器的高发电量”。

(一)集散式逆变器优点:

1.与集中式对比,“分散MPPT跟踪”减小了失配的几率,提升了发电量;

2.与集中式及组串式对比,集散式逆变器具有升压功能,降低了线损;

3.与组串式对比,“集中逆变”在建设成本方面更具优势。

(二)集散式逆变器问题;

1.工程经验少。较前两类而言,尚属新形式,在工程项目方面的应用相对较少;

2.安全性、稳定性以及高发电量等特性还需要经历工程项目的检验;

3.因为采用“集中逆变”,因此,占地面积大,需专用机房的缺点也存在于集散式逆变器中。

逆变器的原理:

一.电流源

电流源是相对于电压源来说的。

对于电压源,电源输出到负载两端的电压试图维持不变,这就是说,电源上的电压是恒定的,从欧姆定律来看,就是电源电压V不变,I和R可以变化,即V=IR。

对于电流源,电源输出到负载的电流试图不变,也就是来自电源的电流不变。这并不常见,但确实存在,并且在许多场合得到应用,也遵从欧姆定律,即V=IR。

其实在实际运行中电压源和电流源不是很好区分,但是也有很多特点可循,在电力电子设备中,可以看它的控制对象来区分是电压源和电流源,电压源是以电压为控制对象,而电流源是以电流为控制对象,也就是常说的直接电流控制,光伏并网逆变器就以三相交流输出电压为主要控制对象加上直流电压来实现MPPT最大功率控制的。

二.有源逆变

有源逆变最初应用在电动机刹车制动上,用晶闸管的开断把电动机刹车时转子内的励磁能量回馈到电网来实现节能效果。

有源逆变典型特点是其输出端也是连接在一个电源上,因此形象成为有源逆变。逆变器是作为一个电源把其自身能量输送给另一个电源的过程就是并网发电。

三.并网发电

光伏发电组件分类,光伏并网逆变器的分类及原理

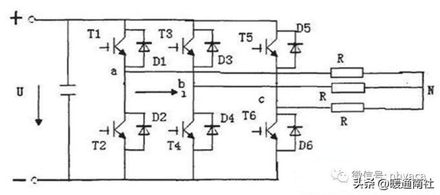
光伏并网逆变器主回路:

光伏发电组件分类,光伏并网逆变器的分类及原理

1、直流EMI滤波器

直流EMI滤波器的作用

逆变器工作时,IGBT不仅向交流传递干扰,同时也向直流端传递干扰。如果没有直流端滤波器,直流端干扰通过电缆直接传到电池板上。干扰会通过电池板组件直接向空中辐射,造成大范围的空间干扰,可能会对空中飞行器和附近地面通信造成干扰。该干扰会直接影响到电池板的性能和寿命,降低电池板的效率。

光伏发电组件分类,光伏并网逆变器的分类及原理

电池板的大面积布置,产生各种寄生参数,外界及其他逆变器工作时对直流端干扰很容易被电池板捕获,并直接传递到逆变器上,影响逆变器的稳定工作。

2、直流支撑电容

光伏发电组件分类,光伏并网逆变器的分类及原理

直流支撑电容作用是防止因负载的突变以及电容器本身的寄生电感产生感生电动势而导致直流母线电压大幅度突变。

放电电阻的作用是逆变器停止工作时,为直流支撑电容提供放电的回路,把直流支撑电容所存储的电能释放掉。

3、IGBT模块

光伏发电组件分类,光伏并网逆变器的分类及原理

IGBT(Insulated Gate Bipolar Transistor),绝缘栅双极型晶体管,是由BJT(双极型三极管)和MOS(绝缘栅型场效应管)组成的复合全控型电压驱动式功率半导体器件, GTR饱和压降低,载流密度大,但驱动电大;MOSFET驱动功率很小,开关速度快,但导通压降大,载流密度小。IGBT综合了以上两种器件的优点,驱动功率小而饱和压降低。

4、PWM控制器

脉宽调制(PWM)是指用微处理器的数字输出来对模拟电路进行控制,是一种对模拟信号电平进行数字编码的方法。以数字方式控制模拟电路,可以大幅度降低系统的成本和功耗。正弦波脉宽调制的特点是输出脉宽列是不等宽的,宽度按正弦规律变化,输出波形接近正弦波。正弦波脉宽调制也叫SPWM。SPWM(Sinusoidal PWM)法是一种比较成熟的,目前使用较广泛的PWM法。前面提到的采样控制理论中的一个重要结论:冲量相等而形状不同的窄脉冲加在具有惯性的环节上时,其效果基本相同。SPWM法就是以该结论为理论基础,用脉冲宽度按正弦规律变化而和正弦波等效的PWM波形即SPWM波形控制逆变电路中开关器件的通断,使其输出的脉冲电压的面积与所希望输出的正弦波在相应区间内的面积相等,通过改变调制波的频率和幅值则可调节逆变电路输出电压的频率和幅值。

光伏发电组件分类,光伏并网逆变器的分类及原理

逆变器工作原理:光伏并网逆变器通过检测直流电压、电流和电网交流电压、电流来控制逆变器三相逆变模块,由数字控制系统发出PWM驱动信号,使逆变器发出与电网同频、同相的交流电。

逆变器常见故障及处理方法:

1.故障现象:逆变器屏幕没有显示

故障分析:没有直流输入,逆变器LCD是由直流供电的。

可能原因:

(1)组件电压不够。逆变器工作电压是100V到500V,低于100V时,逆变器不工作。组件电压和太阳能辐照度有关。

(2)PV输入端子接反,PV端子有正负两极,要互相对应,不能和别的组串接反。

(3)直流开关没有合上。

(4)组件串联时,某一个接头没有接好。

(5)有一组件短路,造成其它组串也不能工作。

解决办法:

用万用表电压档测量逆变器直流输入电压。电压正常时,总电压是各组件电压之和。如果没有电压,依次检测直流开关,接线端子,电缆接头,组件等是否正常。如果有多路组件,要分开单独接入测试。

2.故障现象:逆变器不并网。

故障分析:逆变器和电网没有连接,

可能原因:

(1)交流开关没有合上。

(2)逆变器交流输出端子没有接上。

(3)接线时,把逆变器输出接线端子上排松动了。

解决办法:用万用表电压档测量逆变器交流输出电压,在正常情况下,输出端子应该有220V或者380V电压,如果没有,依次检测接线端子是否有松动,交流开关是否闭合,漏电保护开关是否断开。

3.逆变器硬件故障:分为可恢复故障和不可恢复故障。

故障分析:逆变器电路板,检测电路,功率回路,通讯回路等电路有故障。

解决办法:逆变器出现上述硬件故障,请把直流端和交流端全部断开,让逆变器停电30分钟以上,如果自己能恢复就继续使用,如果不能恢复,就联系售后技术工程师。

4.故障现象:交流侧过压。

电网阻抗过大,光伏发电用户侧消化不了,输送出去时又因阻抗过大,造成逆变器输出侧电压过高,引起逆变器保护关机,或者降额运行。

解决办法:

(1)加大输出电缆,因为电缆越粗,阻抗越低;

(2)逆变器靠近并网点,电缆越短,阻抗越低。

5.故障现象:逆变器接地故障。

(1)故障分析:外部环境潮湿,逆变器对地绝缘降低

解决办法:开启风机进行除湿。

(2)故障分析:逆变器检测板故障

解决办法:更换逆变器检测板

(3)故障分析:IGBT故障

解决办法:更换IGBT板

(4)故障分析:汇流箱到逆变器直流电缆接地故障

解决办法:查找电缆接地点,就地处理或更换电缆

6.故障现象:逆变器频繁错误报警故障。

故障分析:检测板故障

解决办法:更换检测板或排线

7.故障现象:逆变器无法正常启动。

故障分析:检查散热风机是否正常,检查IGBT是否正常,检查主板是否正常,检查直流电压是否正常。

解决办法:根据实际情况更换损坏元件

8.故障现象:防雷器故障报警。

故障分析:防雷器损坏

解决办法:更换新的防雷器,如果多次出现该故障,联系厂家。

本文来源于互联网。

2、光伏发电组件分类,降低发电成本的新兴升级技术

后来,光伏在美国、日本和德国开始大行其道。在这些地区,光伏组件所接收的阳光通常70%为直射光,约20%为散射光,只有约10%来自背面。而如今,美国“阳光地带”的光伏系统越来越多地采用垂直安装方式,因为这些地区的地面反射率(即“反照率”)通常更高。因此,当地的光伏系统越来越重视被地面反射的太阳辐射。

光伏发电组件分类,光伏并网逆变器的分类及原理

光伏组件的安装方式变得越来越多样化:

A1)常规的倾斜安装或自动跟踪光伏系统:对于这类系统来说,非常重要的一点在于组件背面不能被安装支架系统或电缆导管遮挡,并且安装高度不能太低。

水面漂浮式光伏系统是一种比较有趣的光伏应用,其中光伏组件安装在浮筒上,这样水面的高反射率就能够得到充分利用。此外,组件下方的阴影区域更加凉爽,为鱼类提供了适宜的生长环境。这样,水域就可以同时用来养鱼和发电,实现渔光互补。

A2)水平安装:适用于需要架高安装的光伏系统,例如安装在农田上方或用作车棚及遮阳蓬等。这种安装方式在多风地区比较有优势。组件本身并不形成连续的表面,彼此之间留有间隙。

A3)垂直安装:污垢不会附着在组件上,并且很容易被雨水冲掉。但是,如果将单面组件垂直安装在纬度45°以下的地区,其发电量会显著降低。如果是东西向垂直安装的双面组件,情况就不一样了。

沙漠地区的反照率较高,同时存在严重沾污风险,因此垂直安装可能是兼顾解决清洁问题和保持发电量不变的理想选择。

声屏障、分隔墙以及类似的户外装置非常适合与太阳能组件相结合。如果组件的安装高度足够高,那么其下方还可以种植作物,实现农光互补。

双面组件的正面发电量比单面组件低3%左右,因为阳光会直接从双面组件的电池片之间穿过,而无法像单面组件那样被白色背板反射回来。

衡量光伏组件价值的度量单位是峰瓦(Wp)。这很容易理解,因为单面光伏系统的发电量大体上与装机容量成正比,而且系统平衡部件(BOS)成本很大程度上也取决于装机容量。因此,组件厂商不断努力提高其光伏组件的性能。然而,随着市场发展,竞争变得愈发激烈,组件厂商需要以更低的价格挖掘细分市场。

虽然绝大多数的光伏系统都是在工业环境中安装,如安装在大型工业屋顶或大面积土地上,不过光伏系统所发的电能经常在自由电力市场上交易。这意味着除了用“美元/瓦”来表示系统成本以外,光伏系统的发电成本(度电成本)也变得日益重要。

如今,凭借先进的电池片技术,太阳能电池片背面无需进行铝背场处理,且不会造成性能损失——这为双面电池片创造了条件。在单位装机容量相同的情况下,双面光伏系统的发电量远超单面系统。测量结果显示,在相同的单位装机容量下,前者的发电量比后者高10%至30%。由于沙漠等太阳辐射强度和地面反射率均非常高的地区对于光伏系统的需求不断增长,双面发电解决方案越来越受到青睐。

即使双面技术的需求增长首先来自上述地区光伏应用的推动,但随之而来的双面太阳能组件的加速开发和生产,也令其它地区的光伏系统受益匪浅。未来,双面组件将主导光伏建筑一体化系统以及其它组合应用,如农光互补、光伏遮阳蓬或光伏车棚等。

单面组件与双面组件的发电量对比:

为了比较不同的组件技术,在同一位置对采用不同技术的各个组件进行测量。其中,双面组件以不遮挡背面的方式安装。

光伏发电组件分类,光伏并网逆变器的分类及原理

上图显示了采用以下技术的各个组件的单位发电量:

单面铝背场(对照组,设为100%)

灰色:双面PERT

蓝色:双面HJT/SWCT(异质结电池片结构/SmartWire智能网栅连接技术)

上述组件对比试验所选取的位置包含了所有可能会影响发电量的因素:正面与背面辐照涵盖所有光谱效应和温度。自然状态下,地面的年平均反照率约为24%,偏差仅为2%左右。因此,该对比测量极其精确,比当前模拟程序的计算结果要可靠得多。在阿布扎比,梅耶博格HJT/SWCT组件的单位发电量平均比单面标准组件(Al-BSF)高出37%,比一线厂商的双面PERT组件高出12%。

组件每周清洗一次。

在多排光伏系统中,还必须考虑其它因素,并且背面的相互遮挡可能会降低发电量。这在很大程度上取决于光伏系统的设计,并且应当使用最新的模拟程序进行计算。在实验室及户外环境中完成测定的单个组件可作为模拟的最小测试单元。

到目前为止,所有光伏组件每天都遵循相同的模式:上午和下午几乎没有电能输出,中午的发电量最高。双面系统可以通过东西向安装避开这一模式:东侧上午发电,西侧下午发电。中午时分,当太阳位于光伏组件正上方时,双面组件接收的散射太阳辐射减少,发电量随之略微降低。这样可以在电网负荷高峰时段以更高的价格供电,同时避免在中午电网电力充足的情况下被限电。

光伏发电组件分类,光伏并网逆变器的分类及原理

典型大型光伏系统的成本组成如下:

光伏发电组件分类,光伏并网逆变器的分类及原理

太阳能组件仍然是当前最大的成本要素,尽管它占系统总成本的一半不到。同时,组件为系统提供了最大的优化潜力,而安装系统等要素能够节约的成本则相对微不足道。即使是单面系统,通过自动跟踪太阳也可以将发电量提高10%到20%;与之相比,安装自动跟踪器的双面系统在单位发电量增幅方面略胜一筹,因为双面组件能够较好地捕获背面的散射光。自动跟踪功能不仅能够优化组件正面对于直射光的利用,还可以加强组件背面对于散射光的利用——大约提高3%左右。

即使组件厂商将3%的反射率损失转嫁到双面组件的价格中,使双面系统的成本略微增加,也可以通过安装自动跟踪系统来提高发电量得到补偿。如上文所述,双面组件的发电量可提高10%至30%。

迄今为止,全铝背场金属化已经成功地应用于太阳能电池片生产,以避免电池背面的串联电阻损失。这种铝背场提高了太阳能电池片的转换效率,而金属化背面则具有一定程度的光反射功能。

目前,我们正在经历全面的技术升级:将至今仍在使用的铝背场技术升级到PERC(钝化发射极背面接触)技术。首先,这是正常的技术进步:只需增加两道工序即可对现有系统进行升级,从而将太阳能电池片的输出功率提高1%(绝对数)或5%(相对数)。

铝背场技术的重要特征在于一开始必须对电池片背面进行全面钝化,而升级后就不再需要这一工序。起钝化作用的介电层同时充当内部镜面,用于反射从正面射入电池片内的长波光。这种电池片在生产时可以同时完成全面金属化和背面辅栅印刷。尽管升级后的PERC电池片的双面因子(正面输出功率与背面输出功率的比值)只有60%至80%左右,但较低的金属化浆料用量可以降低电池片生产成本。

随着全球产量增加,PERC技术有望进一步发展:

-通过金刚线切割工艺降低硅片制造成本(梅耶博格DW288金刚线切割机功不可没)

-随着市场不断发展,N型硅和N型材料的价格有望进一步降低

-随着市场不断发展,双玻组件技术将不断完善

-面向高度钝化技术(如钝化接触(PERL、PERT)和HJT)的设备技术

案例:利用梅耶博格系统实现从铝背场至PERC的技术升级

迄今为止,采用梅耶博格技术完成PERC升级的机台总产能超过了30 GW。

光伏发电组件分类,光伏并网逆变器的分类及原理

PERC工艺(通过2个生产系统完成升级)

光伏发电组件分类,光伏并网逆变器的分类及原理

完整的PERC生产线(A:硅片检测;B:损伤层去除/制绒;C:扩散;D:去PSG(磷硅玻璃);E:MAiA背面沉积;F:SiNA正面沉积;G:激光;H:金属化;I:测试和分选

上述系统也可以通过对双面PERC工艺(PERC )进行少量改动实现升级:

这需要对太阳能电池片镀膜的生产工艺方案进行细微调整,从而提高透明度,同时将背面印刷从全面印刷转变为辅栅印刷。这两种升级方案都可以利用现有生产设施快速进行,而无需增加额外的设备。

现有设施也非常适合未来的电池片技术升级,例如N型硅片材料与钝化接触相结合,包括双面技术。这种升级转换的成本效益极高,并且可以使双面因子达到70%至80%左右。

新型高效太阳能电池片(如异质结电池片)在某种程度上属于对称设计,其实可以划归为双面技术。此外,硅片表面钝化能够进一步提高转换效率,实现极高的双面因子、较高的电池电压以及出众的温度系数。

与目前市场上的产品相比,新技术面临的挑战之一在于其竞争优势。例如,只有当价值链(生产设备以及三甲基铝(TMA)等耗材)成形且生产可靠性得到客户认可时,现有生产设备才有可能升级为PERC设备。迄今为止,已安装MAiA沉积镀膜系统的总产能已超过30 GW,梅耶博格也因此成为了PERC设备升级领域的全球领先者。MAiA生产系统也可用于生产双面PERC电池片。

光伏发电组件分类,光伏并网逆变器的分类及原理

MAiA三合一沉积镀膜系统

案例:HJT/SWCT技术——适合大规模生产的成熟技术。此案例表明,具有竞争优势的生产工艺应该是全面的工艺。

异质结(HJT)电池片已经在市场上存在了约18年之久,目前主要由三洋/松下生产。到目前为止,要实现HJT电池片的高良率、低成本大规模生产,一直都颇具挑战性。与MAiA一样,HELiA沉积系统以及相应的集成工艺也由梅耶博格技术公司开发。HELiA系统能够在全天候工业流程中完成均匀的高质量本征及掺杂非晶硅膜层的沉积。大规模生产中的平均转换效率可达23%Gt以上,最高效率已超过24%。这里“Gt”代表“Grid touch”测量,因为HJT电池片属于无无主栅电池片。这些电池片可以通过弗劳恩霍夫太阳能系统研究所校准实验室(ISE CalLab)等机构进行校准。

光伏发电组件分类,光伏并网逆变器的分类及原理

HELiA PECVD沉积系统

HJT电池片的金属化必须采用低温浆料,因为非晶硅膜层在常规烧结工艺温度下会结晶,从而失去其独特的钝化特性。不过,这些浆料必须针对具体的焊接工艺进行调整,成为电池片连接过程的一部分。这需要花费大量精力和物料,产生额外的成本。

为了解决这一问题,梅耶博格在6年前开发了SmartWire智能网栅连接技术(SWCT)。该技术采用大量圆形细网栅线来连接电池片,降低了对辅栅接触电导率的最低要求,使得低温浆料在使用过程中不会出现任何问题。此外,与同类多栅线技术不同,SWCT对栅线位置没有要求。到2018年年末,全球范围内采用SWCT技术的太阳能组件装机容量将超过1 GW。

光伏发电组件分类,光伏并网逆变器的分类及原理

SmartWire智能网栅连接技术(SWCT)

多年来,梅耶博格一直致力于打造一个认证矩阵,其中包含各种不同的用于单玻和双玻组件的材料。如果光伏厂商采用该矩阵中的物料清单(BOM)以及梅耶博格的工艺参数和设备,他们就有权使用梅耶博格证书。

光伏发电组件分类,光伏并网逆变器的分类及原理

在今年的上海SNEC光伏展和德国慕尼黑国际太阳能技术展览会(Intersolar Europe)上,梅耶博格展出了一款功率达480瓦的太阳能组件。这一双面双玻组件包含72块采用SWCT技术连接而成的异质结电池片。与铝背场或PERC标准技术相比,SWCT技术在生产成本上具有竞争优势。

相较单面系统,双面系统在设计时还要考虑一些额外因素,如地面反照率、组件安装高度、安装系统造成的阴影等。

不过,双面组件的两面都能够受光发电。在输出功率相同的情况下,双面因子较高的组件在提升发电量方面明显优于单面光伏系统。

只要遵循几条设计原则,就可以最大程度地提升发电量。

反照率:如果太阳光被地面吸收,而不是被地面反射,那么背面的发电量就会减少。不过,即使是草和红土,反照率也能达到10%。灰白色砾石的反照率约为15%至20%,沙漠的沙子为40%,白色表面的反照率约为60%。通过选择合适的地面,可以获得最佳反照率,从而提高发电量。同时,植被或积雪等因素对反照率具有季节性影响。

适当提高安装高度,组件背面可吸收的地面反射光就越多。试验和模拟结果显示,当安装高度超过0.8米时,发电量的增幅最小。不过,如果将组件直接放置在地面上,则会产生极其不均匀的背景光照。因此,组件下面部分的电池片的最大电流通常比最上面的电池片小10%。对于双面系统来说,在规划设计阶段就应该考虑如何最大程度地消除这种不均衡性。过去两年里,这方面的模拟程序发展得尤为迅猛。

光伏发电组件分类,光伏并网逆变器的分类及原理

在给定单位面积太阳辐射的情况下,如果地表面积不影响成本,那么适当扩大组件/跟踪器的行间距则更加有利。虽然这对于单面系统来说没有什么区别,但对于双面系统来说,稍微增大间距可以使背面散射光得到更有效的利用,从而提高发电量。在整体安装规划期间,双面系统需要考虑的因素比单面系统多。

小 结

双面光伏系统与现有的光伏系统高度兼容,且发电量通常显著高于单面系统。同时,由于太阳能电池片的制造成本略有下降,而且现代钝化电池片本来就属于双面技术,不会产生额外成本,因此双面系统颇具竞争力。

经认证适用于大规模生产双面电池和组件的生产技术已经在市场上销售,包括作为升级技术,将原来的背钝化产线升级为PERC(PERC )组件产线,以及新建生产设施,专门生产双面HJT/SWCT组件。

双面系统的规划过程与单面系统毫无二致,只是有一些因素需要特别注意(如地面反射特性),这样有助于提高发电量。

双面组件还带来了新的应用可能性,可以在特定的安装区域发挥双重效用。

总而言之,在发电量、安装区域的双重效用以及上网时间分配方面,双面组件对于大多数应用来说都极为有利,因此有助于持续降低光伏发电成本。

PV-Tech

本文关键词:光伏组件型式,光伏组件的分类与特点有哪些?,光伏发电站组件,光伏组件的分类,光伏发电组件分类标准。这就是关于《光伏发电组件分类,光伏并网逆变器的分类及原理》的所有内容,希望对您能有所帮助!

本文链接:https://bk.89qw.com/a-851972

最近发表
网站分类